Ви дивилися
Каталог товарів
Кабінет покупця
+380672339740
Наша адреса
м.Київ, вул. Пластова, 18, каб.205, 2поверх
Телефони
Графік роботи
  • Пн - Пт
  • 09:00 - 18:00
E-mail
Ми в соцмережах
Перейти до контактів
0 0
Каталог
Головна
Дивилися
20
Закладки
0
Порівняти
0
Контакти

Роз'єднувач навантаження LAS 3Р D 63 "1-0" 63A (на двері шафи)

Виробник: ETI Код товару: 4661204
Все про товар
Опис
Характеристики
В наявності
1 523.92 грн
EAN:3838895493983 
Артикул:4661204
Вага:0.2 kg
Вбудований моторний привід:Ні
Використовується в якості головного вимикача:Так
Роз'єднувач навантаження LAS 3Р D 63 "1-0" 63A (на двері шафи)
1 523.92 грн
Опис

Документація


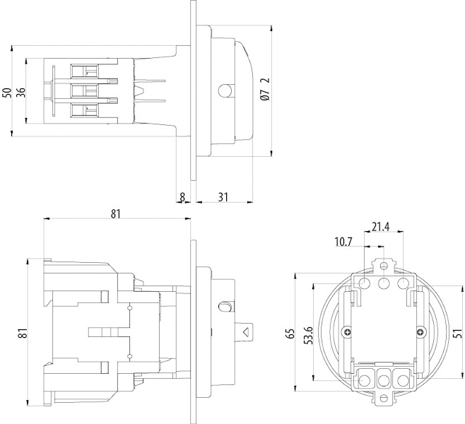
Креслення і Характеристики

Характеристики
EAN
3838895493983 
Артикул
4661204
Вага
0.2 kg
Вбудований моторний привід
Ні
Використовується в якості головного вимикача
Так
Використовується в якості пристрою аварійного відключення
Так
Використовується як допоміжний / сервісний вимикач
Так
Група каталогу
LAS
З блокуванням
Так
кількість
Кількість полюсів
3
Категорія
Switch disconnector
Класифікація
EC000216
Конструкція приладу
Вбудований пристрій стаціонарного виконання
Максимальна номінальна робоча напруга Ue змінного струму AC
690V
Моторний привід опціонально
Ні
Назва
* LAS 63 D
Незалежний розчіпплювач
Ні
Номінальна потужність в робочому режимі AC-23, 400 В
15kW
Номінальний струм (A)
63
Номінальний струм з довгим навантаженням Iu
63A
Підходить для розподільного щита
Так
Підходить для фронтального монтажу через 4 отвори
Так
Призначення
Вимикачі навантаження
Ступінь захисту (IP) лицьового боку
IP65
Тариф митниці
85365080 
Тип
Встановлення на дверцята
Тип елемента керування
Кнопка поворотна
Тип приєднання головного електричного ланцюга
Рамкова клема
Транспортувальне пакування
2571 
Умовний номінальний струм короткого замикання Iq
5,7kA
Ви дивились
Запобіжник NH-1 Battery 100A 550V DC
Код товару: 4723263
Під замовлення (від 3-х тижнів)
1 504.32 грн
Тримач запобіжників типу "S" US1..3-1/80-110 (630А/1400V)
Код товару: 4349006
Під замовлення (від 3-х тижнів)
7 036.42 грн
Вимикач навантаження LBS 3P 400 ("1-0", 400А)
Код товару: 4661452
В наявності
7 644.02 грн
Адаптер DA-60/250/3/FE-5 (для автоматич. вимикача EB2 250 3p)
Код товару: 1696162
Під замовлення (від 3-х тижнів)
4 836.32 грн
Адаптер теплового реле CES-AD-RT2 (CES40…45)
Код товару: 4646615
В наявності
352.82 грн
Роз'єднувач навантаження LA 3P 5/R 1600A (рукоятка на корпусі)
Код товару: 4662153
Під замовлення (від 3-х тижнів)
55 517.02 грн
Вимикач навантаження LBS 3P 2500 ("1-0", 2500А)
Код товару: 4661459
Під замовлення (від 3-х тижнів)
92 855.02 грн
Конденсаторна батарея LPC 50kVAr (440V)
Код товару: 4656767
В наявності
7 124.62 грн
Вимикач навантаження CLBS 63 3P (без рукоятки, 63A, "1-0")
Код товару: 4661403
В наявності
1 308.32 грн
Пристрій плавного пуску SSW900 A 0017 T5 E2, 17A/7,5kW
Код товару: 4658401
Під замовлення (від 3-х тижнів)
47 187.02 грн