Ви дивилися
Каталог товарів
Кабінет покупця
+380672339740
Наша адреса
м.Київ, вул. Пластова, 18, каб.205, 2поверх
Телефони
Графік роботи
  • Пн - Пт
  • 09:00 - 18:00
E-mail
Ми в соцмережах
Перейти до контактів
0 0
Каталог
Головна
Дивилися
20
Закладки
0
Порівняти
0
Контакти

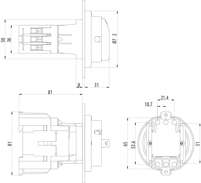
Роз'єднувач навантаження LAS 3Р D 40 "1-0" 40A (на двері шафи)

Виробник: ETI Код товару: 4661203
Все про товар
Опис
Характеристики
В наявності
1 465.12 грн
EAN:3838895493976 
Артикул:4661203
Вага:0.2 kg
Вбудований моторний привід:Ні
Використовується в якості головного вимикача:Так
Роз'єднувач навантаження LAS 3Р D 40 "1-0" 40A (на двері шафи)
1 465.12 грн
Опис

Документація


Креслення і Характеристики

Характеристики
EAN
3838895493976 
Артикул
4661203
Вага
0.2 kg
Вбудований моторний привід
Ні
Використовується в якості головного вимикача
Так
Використовується в якості пристрою аварійного відключення
Так
Використовується як допоміжний / сервісний вимикач
Так
Група каталогу
LAS
З блокуванням
Так
кількість
Кількість полюсів
3
Категорія
Switch disconnector
Класифікація
EC000216
Конструкція приладу
Вбудований пристрій стаціонарного виконання
Максимальна номінальна робоча напруга Ue змінного струму AC
690V
Моторний привід опціонально
Ні
Назва
* LAS 40 D
Незалежний розчіпплювач
Ні
Номінальна потужність в робочому режимі AC-23, 400 В
15kW
Номінальний струм (A)
40
Номінальний струм з довгим навантаженням Iu
40A
Підходить для розподільного щита
Так
Підходить для фронтального монтажу через 4 отвори
Так
Призначення
Вимикачі навантаження
Ступінь захисту (IP) лицьового боку
IP65
Тариф митниці
85365080 
Тип
Встановлення на дверцята
Тип елемента керування
Кнопка поворотна
Тип приєднання головного електричного ланцюга
Рамкова клема
Транспортувальне пакування
2571 
Умовний номінальний струм короткого замикання Iq
5,7kA
Ви дивились
Клемма ESC-GPM.95/FIX (під наконечник, на монт.панель, 95 мм2, сіра)
Код товару: 3903215
Під замовлення (від 3-х тижнів)
725.22 грн
Трансформатор напруги TRANSF 1f IP20 220V 30VA
Код товару: 3801891
Під замовлення (від 3-х тижнів)
1 813.02 грн
Клема гвинтова трирівнева ESC-TLD.2B (2,5 мм2, синя)
Код товару: 3903249
Під замовлення (від 3-х тижнів)
176.42 грн
Трансформатор напруги TRANSF 1f IP20 24V 160VA
Код товару: 3801867
Під замовлення (від 3-х тижнів)
3 234.02 грн
Трансформатор напруги TRANSF 1f IP20 220V 50VA
Код товару: 3801893
Під замовлення (від 3-х тижнів)
1 960.02 грн
Трансформатор напруги TRANSF 1f IP20 24V 250VA
Код товару: 3801869
Під замовлення (від 3-х тижнів)
4 018.02 грн
Рукоятка виносна CLBS-EH 80/G (чорна, для CLBS 16-80А, CD 63&100A)
Код товару: 4661415
В наявності
210.72 грн
Клемма ESC-GPM.240/FIX (під наконечник, на монт.панель, 240 мм2, сіра)
Код товару: 3903217
Під замовлення (від 3-х тижнів)
1 293.62 грн
Трансформатор напруги TRANSF 1f IP20 220V 300VA
Код товару: 3801900
Під замовлення (від 3-х тижнів)
4 214.02 грн
Авт. вимикач EB2 1250/4LE 1250A (50kA, (0.4-1)In/обираєма) 4P
Код товару: 4672231
Під замовлення (від 3-х тижнів)
151 361.02 грн