Ви дивилися
Каталог товарів
Кабінет покупця
+380672339740
Наша адреса
м.Київ, вул. Пластова, 18, каб.205, 2поверх
Телефони
Графік роботи
  • Пн - Пт
  • 09:00 - 18:00
E-mail
Ми в соцмережах
Перейти до контактів
0 0
Каталог
Головна
Дивилися
20
Закладки
0
Порівняти
0
Контакти

Контактор CEM 32.10 400V AC

Виробник: ETI Код товару: 4646124
Все про товар
Опис
Характеристики
Під замовлення (від 3-х тижнів)
2 298.12 грн
EAN:7890355108499 
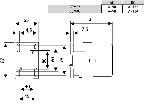
I (AC3 400V) (A):32
logis_net_depth:99 mm
logis_net_height:90 mm
logis_net_width:55 mm
Контактор CEM 32.10 400V AC
2 298.12 грн
Опис

Документація


Креслення і Характеристики

Характеристики
EAN
7890355108499 
I (AC3 400V) (A)
32
logis_net_depth
99 mm
logis_net_height
90 mm
logis_net_width
55 mm
P AC3 (kW)
15
Артикул
4646124
Вага
0.615 kg
кількість
Кількість додаткових NO контактів
1
Кількість допоміжних замикаючих контактів
1
Кількість замикаючих головних контактів
3
Кількість полюсів
3
Категорія
Power contactor, AC switching
Класифікація
EC000066
Модульне виконання
Ні
Назва
CEM32.10-400V-50/60Hz
Номінальна напруга живлення ланцюга управління Us змін. струму АС при 50 Гц з
400…400V
Номінальна напруга живлення ланцюга управління Us змін. струму АС при 60 Гц з
400…400V
Номінальна напруга живлення ланцюга управління Us постійного струму DC
400…400V
Номінальна напруга управління Uc (V AC)
400
Номінальна потужність при AC-3, 400 В
15kW
Номінальна робоча напруга (V AC)
690
Номінальний струм (A)
60
Номінальний струм Ie при AC-1, 400 В
60A
Номінальний струм Ie при AC-3, 400 В
32A
Призначення
Контактор
Тариф митниці
85364900 
Тип напруги для спрацьовування
Змінний струм (AC)
Тип приєднання головного електричного ланцюга
Рамкова клема
Транспортувальне пакування
1538 
Ви дивились
Диф. автоматичний вимикач KZS-2M2p EDI C 20/0,03 тип A (10kA) (нижнє підключ.)
Код товару: 2172417
Під замовлення (від 3-х тижнів)
3 199.72 грн
Клема гвинтова заземлювальна ESC-TEC.6/O (6 мм2, жовто-зел.)
Код товару: 3903070
В наявності
83.32 грн
Контактор модульний R 40-04 230V
Код товару: 2463440
Під замовлення (від 3-х тижнів)
2 650.92 грн
Роз'єднувач EFD 8 3P LED 20A 400V AC
Код товару: 2520014
Під замовлення (від 3-х тижнів)
1 200.52 грн
Замикальна перегородка KP 4 PAM
Код товару: 3901431
Під замовлення (від 3-х тижнів)
10.80 грн
Реле диференційне (ПЗВ) 4р EFI-P4R 63/0,1 тип A (10kA) (RESET)
Код товару: 2061873
Під замовлення (від 3-х тижнів)
3 890.62 грн
Тримач горизонтальних шин LG-T-INH2-A з двома ізоляторами (1P)
Код товару: 1341852
Під замовлення (від 3-х тижнів)
460.62 грн
Установочний блок NPF 800 3p AB (для викорст. с шинними перех.)
Код товару: 4672402
Під замовлення (від 3-х тижнів)
39 298.02 грн
Авт. вимикач ST-68 3p C 10А (4,5 kA)
Код товару: 2185314
Під замовлення (від 3-х тижнів)
509.61 грн
Авт. вимикач EB2S 160/3HF 100A (40kA, фікс./фікс.) 3P
Код товару: 4671861
Під замовлення (від 3-х тижнів)
5 537.02 грн