Ви дивилися
Каталог товарів
Кабінет покупця
+380672339740
Наша адреса
м.Київ, вул. Пластова, 18, каб.205, 2поверх
Телефони
Графік роботи
  • Пн - Пт
  • 09:00 - 18:00
E-mail
Ми в соцмережах
Перейти до контактів
0 0
Каталог
Головна
Дивилися
20
Закладки
0
Порівняти
0
Контакти

Контактор модульний R 40-04 230V

Виробник: ETI Код товару: 2463440
Все про товар
Опис
Характеристики
Під замовлення (від 3-х тижнів)
2 650.92 грн
EAN:3838895162193 
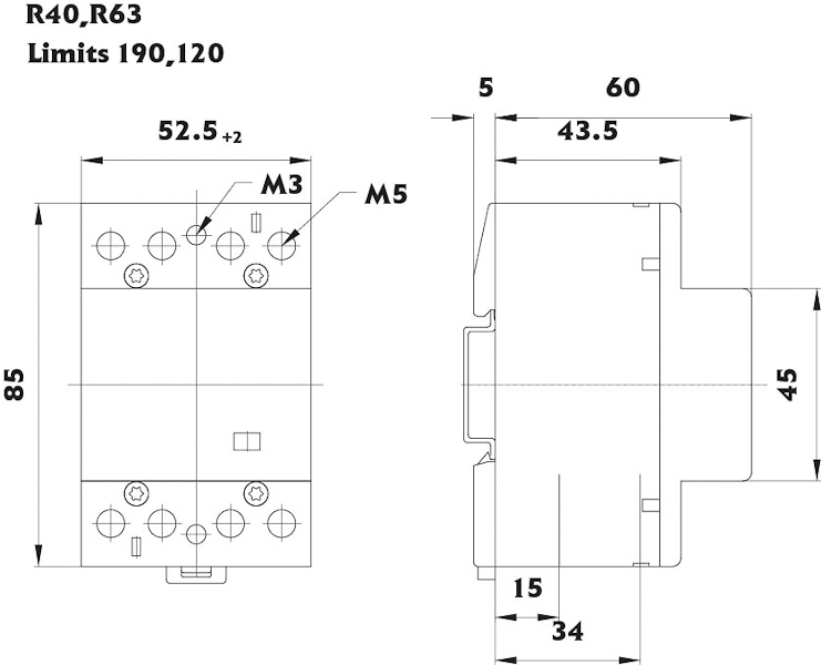
logis_net_depth:65 mm
logis_net_height:89 mm
logis_net_width:54 mm
Артикул:2463440
Контактор модульний R 40-04 230V
2 650.92 грн
Опис

Документація


Креслення і Характеристики

Характеристики
EAN
3838895162193 
logis_net_depth
65 mm
logis_net_height
89 mm
logis_net_width
54 mm
Артикул
2463440
Вага
14.65 kg
Вага продукту
0.36 kg
Глибина вбудовування
60mm
кількість
40 
Кількість NC контактів
4
Кількість модулів
3
Кількість нормально замкнутих (НЗ) контактів
4
Категорія
Модульный контактор
Класифікація
EC001653
Код EAN
5904722903593 
Максимальна потужність лампи розжарювання
6000W
Максимальна потужність люмінісцентної лампи
2975VA
Максимальна потужність люмінісцентної лампи (Duo схема)
5280VA
Максимальна потужність люмінісцентної лампи (з паралельною компенсацією)
2805VA
Можлива додаткова комплектація
Так
Назва
R 40-04 230V
Номінальна напруга
230…400V
Номінальна напруга збудження
230…230V
Номінальна напруга управління Uc (V AC)
230V
Номінальна робоча напруга (V AC)
440V
Номінальна частота (Hz)
50/60
Номінальний робочий струм
40A
Номінальний робочий струм Ie AC-1/AC-7a (A)
40
Повзунок для ручного перемикача
Ні
Призначення
Модульные контакторы
Рід струму робочої напруги
Змінний струм (AC)
Ступінь захисту IP
IP20
Тариф митниці
85364900 
Тип
AC
Тип напруги
Змінний струм (AC)
Типорозмір
4p, 3-modules
Транспортувальне пакування
2160 
Ви дивились
Рукоятка виносна CLBS-EH125/01YR (червона, для CLBS 16-125А)
Код товару: 4661420
Під замовлення (від 3-х тижнів)
1 813.02 грн
Авт. вимикач NBS-E 1600/3L LCD 800A (36kA, (0.4-1)In/(1.5-12)In) 3P
Код товару: 4673190
Під замовлення (від 3-х тижнів)
70 070.02 грн
Вимикач навантаження LBS 4P 800 ("1-0", 800А)
Код товару: 4661465
Під замовлення (від 3-х тижнів)
24 255.02 грн
Реле диференційне (ПЗВ) 2р EFI-P2R 16/0,5 тип A (10kA) (RESET)
Код товару: 2061490
Під замовлення (від 3-х тижнів)
2 851.82 грн
Щит металопластик. ECG 42Н COMBO2/1-I (12+2мод, 1ряд., 2м.п., перф.метал.двер.)
Код товару: 1100226
Під замовлення (від 3-х тижнів)
4 885.32 грн
Реле диференційне (ПЗВ) 4р EFI-P4 40/0,03 тип A (10kA)
Код товару: 2061512
Під замовлення (від 3-х тижнів)
2 327.52 грн
Авт. вимикач EB2 630/4E 630A (50kA, (0.4-1)In/обираєма) 4P
Код товару: 4671128
Під замовлення (від 3-х тижнів)
56 448.02 грн
Реле диференційне (ПЗВ) 2р EFI-P2R 16/0,03 тип A (10kA) (RESET)
Код товару: 2061460
Під замовлення (від 3-х тижнів)
2 724.42 грн
Монтажна панель SB-MP64 (для SB-64)
Код товару: 1102505
Під замовлення (від 3-х тижнів)
980.02 грн
Авт. вимикач EB2 125/4S 20A (36kA, (0.63-1)In/(6-12)In) 4P
Код товару: 4671047
Під замовлення (від 3-х тижнів)
9 947.02 грн