Ви дивилися
Каталог товарів
Кабінет покупця
+380672339740
Наша адреса
м.Київ, вул. Пластова, 18, каб.205, 2поверх
Телефони
Графік роботи
  • Пн - Пт
  • 09:00 - 18:00
E-mail
Ми в соцмережах
Перейти до контактів
0 0
Каталог
Головна
Дивилися
20
Закладки
0
Порівняти
0
Контакти

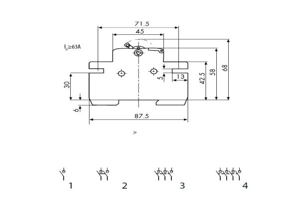
Вимикач навантаження SV 463 4р 63А

Виробник: ETI Код товару: 2423414
Все про товар
Опис
Характеристики
Під замовлення (від 3-х тижнів)
1 112.32 грн
EAN:3838895164326 
logis_net_depth:72 mm
logis_net_height:90 mm
logis_net_width:72 mm
Артикул:2423414
Вимикач навантаження SV 463 4р 63А
1 112.32 грн
Опис

Документація


Креслення і Характеристики

Характеристики
EAN
3838895164326 
logis_net_depth
72 mm
logis_net_height
90 mm
logis_net_width
72 mm
Артикул
2423414
Вага
10.1 kg
Вага продукту
0.35 kg
Вбудований моторний привід
Ні
Використовується в якості головного вимикача
Так
Використовується в якості захисного / запобіжного вимикача
Так
Використовується в якості пристрою аварійного відключення
Так
Використовується як допоміжний / сервісний вимикач
Так
З блокуванням
Ні
кількість
27 
Кількість полюсів
4
Категорія
Switch disconnector
Класифікація
EC000216
Код EAN
3838895406419 
Конструкція приладу
Вбудований пристрій стаціонарного виконання
Максимальна номінальна робоча напруга Ue змінного струму AC
400V
Моторний привід опціонально
Ні
Назва
SV 463 4p 63A
Номінальний струм (A)
63
Номінальний струм з довгим навантаженням Iu
63A
Підходить для розподільного щита
Так
Призначення
Вимикач навантаження
Ступінь захисту (IP) лицьового боку
IP20
Тариф митниці
85365080 
Тип елемента керування
Важільний
Тип приєднання головного електричного ланцюга
Рамкова клема
Транспортувальне пакування
1404 
Умовний номінальний струм короткого замикання Iq
4kA
Ви дивились
Перемичка втична ESP-PTC/1/10 (10P, для ESP-HMM.1, ESP2-HMD.1)
Код товару: 3903147
В наявності
93.12 грн
Перемикач CS 16 107 U (1p_"0-1-2"_с/ч_ 16A)
Код товару: 4773033
Під замовлення (від 3-х тижнів)
367.52 грн
Перемичка втична ESP-PTC/1/03 (3P, для ESP-HMM.1, ESP2-HMD.1)
Код товару: 3903146
В наявності
29.42 грн
Шафа поліестерова EPC 50-40-20 IP66 (2зам., В500xШ400xГ200)
Код товару: 1102603
В наявності
6 174.02 грн
Перемикач CS 32 135 U (3p_"0-1-2"_с/ч_ 32A)
Код товару: 4773051
Під замовлення (від 3-х тижнів)
1 225.02 грн
Шафа поліестерова EPC 80-60-30 IP66 (2зам., В800xШ600xГ300)
Код товару: 1102607
В наявності
14 014.02 грн
Перемичка втична ESH-EFB.6/10/B(10P, для ESH-EFC.6, ESH-EFCE.6, синя ізоляція)
Код товару: 3903370
Під замовлення (від 3-х тижнів)
117.62 грн
Перемикач CS 63 123 U (2p_"0-1-2"_с/ч_ 63A)
Код товару: 4773045
Під замовлення (від 3-х тижнів)
1 827.72 грн
Ущільнююче кільце M-12S (для M-12G)
Код товару: 4482216
В наявності
3.94 грн
Перемикач CS 40 123 U (2p_"0-1-2"_с/ч_ 40A)
Код товару: 4773044
Під замовлення (від 3-х тижнів)
1 381.82 грн