Ви дивилися
Каталог товарів
Кабінет покупця
+380672339740
Наша адреса
м.Київ, вул. Пластова, 18, каб.205, 2поверх
Телефони
Графік роботи
  • Пн - Пт
  • 09:00 - 18:00
E-mail
Ми в соцмережах
Перейти до контактів
0 0
Каталог
Головна
Дивилися
20
Закладки
0
Порівняти
0
Контакти

Вимикач навантаження SV 280 2р 80A

Виробник: ETI Код товару: 2423215
Все про товар
Опис
Характеристики
Під замовлення (від 3-х тижнів)
597.82 грн
EAN:3838895164241 
logis_net_depth:72 mm
logis_net_height:90 mm
logis_net_width:36 mm
Артикул:2423215
Вимикач навантаження SV 280 2р 80A
597.82 грн
Опис

Документація


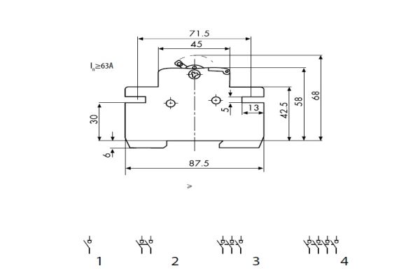
Креслення і Характеристики

Характеристики
EAN
3838895164241 
logis_net_depth
72 mm
logis_net_height
90 mm
logis_net_width
36 mm
Артикул
2423215
Вага
10.1 kg
Вага продукту
0.17 kg
Вбудований моторний привід
Ні
Використовується в якості головного вимикача
Так
Використовується в якості захисного / запобіжного вимикача
Так
Використовується в якості пристрою аварійного відключення
Так
Використовується як допоміжний / сервісний вимикач
Так
З блокуванням
Ні
кількість
54 
Кількість полюсів
2
Категорія
Switch disconnector
Класифікація
EC000216
Код EAN
3838895411512 
Конструкція приладу
Вбудований пристрій стаціонарного виконання
Максимальна номінальна робоча напруга Ue змінного струму AC
400V
Моторний привід опціонально
Ні
Назва
SV 280 2p 80A
Номінальний струм (A)
80
Номінальний струм з довгим навантаженням Iu
80A
Підходить для розподільного щита
Так
Призначення
Вимикач навантаження
Ступінь захисту (IP) лицьового боку
IP20
Тариф митниці
85365080 
Тип елемента керування
Важільний
Тип приєднання головного електричного ланцюга
Рамкова клема
Транспортувальне пакування
2808 
Умовний номінальний струм короткого замикання Iq
4kA
Ви дивились
Перемикач CS 63 12 U ("O-Y-Δ"_с/ч_ 63А)
Код товару: 4773136
Під замовлення (від 3-х тижнів)
3 111.52 грн
Шток CLBS-S200 (200мм, для CLBS-EH80..125)
Код товару: 4661422
В наявності
181.32 грн
Перемикач CS 32 66 U (Ф./Л.напряж._с/ч_32A)
Код товару: 4773091
Під замовлення (від 3-х тижнів)
1 151.52 грн
Перемикач CS 25 98 U (Ф.ток._ч-з ТТ_с/ч_25A )
Код товару: 4773096
Під замовлення (від 3-х тижнів)
989.82 грн
Однофазний індикатор наявності напруги SON H-1Y (1x жовтий LED)
Код товару: 2471554
В наявності
259.72 грн
Комплект кріплення на стовп EPC-PFK-X6
Код товару: 1102656
Під замовлення (від 3-х тижнів)
4 459.02 грн
Лампа сигнальна LED матова ECLI-16-024C-B 24V AC/DC (Ø16мм, синя)
Код товару: 4771603
Під замовлення (від 3-х тижнів)
171.52 грн
Лампа сигнальна LED матова ECLI-16-024C-A 24V AC/DC (Ø16мм, помаранчева)
Код товару: 4771604
Під замовлення (від 3-х тижнів)
142.12 грн
Перемикач CS 100 90 U (1p_"0-1"_с/ч_100A)
Код товару: 4773007
Під замовлення (від 3-х тижнів)
1 185.82 грн
Контактор імпульсний RВS 425-2C 24V AC (25A, 2CO)
Код товару: 2464158
Під замовлення (від 3-х тижнів)
1 352.42 грн