Ви дивилися
Каталог товарів
Кабінет покупця
+380672339740
Наша адреса
м.Київ, вул. Пластова, 18, каб.205, 2поверх
Телефони
Графік роботи
  • Пн - Пт
  • 09:00 - 18:00
E-mail
Ми в соцмережах
Перейти до контактів
0 0
Каталог
Головна
Дивилися
20
Закладки
0
Порівняти
0
Контакти

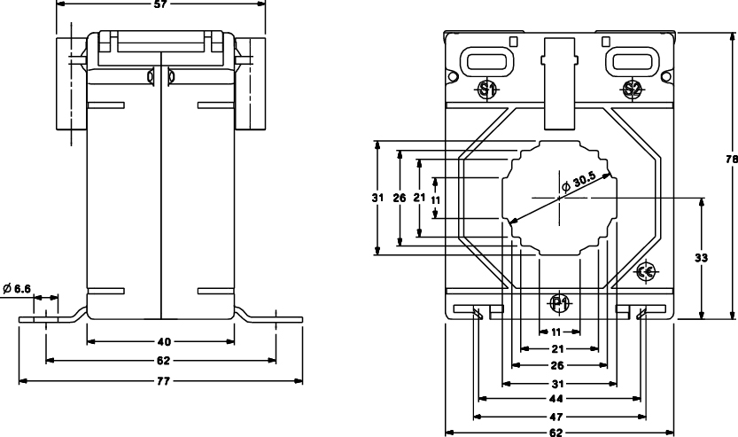
Трансформатор струму CTR-30 800/5 15VA CL.0,5

Виробник: ETI Код товару: 4805515
Все про товар
Опис
Характеристики
В наявності
1 220.12 грн
EAN:3838895817376 
logis_net_depth:40 mm
logis_net_height:79 mm
logis_net_width:63 mm
Артикул:4805515
Трансформатор струму CTR-30 800/5 15VA CL.0,5
1 220.12 грн
Опис

Документація


Креслення і Характеристики

Характеристики
EAN
3838895817376 
logis_net_depth
40 mm
logis_net_height
79 mm
logis_net_width
63 mm
Артикул
4805515
Вага
23.31 kg
Діаметр отвору
30,5mm
кількість
63 
Категорія
Трансформаторы тока
Клас точності
0,5
Класифікація
EC002048
Модель/Виконання
Трансформатори струму з вікном
Назва
CTR-30 800/5 CL.0,5
Номінальна вторинна повна потужність
15VA
Номінальний вторинний струм
5A
Номинальний первинний струм
800A
Приєднання вторинної обмотки
Гвинтове з`єднання
Тариф митниці
85043129 
Транспортувальне пакування
2520 
Ви дивились
Лицьова панель 1xLBS 250A 3,4P CP 1.4-2 S2 (В350xШ300)
Код товару: 1101732
Під замовлення (від 3-х тижнів)
661.52 грн
Реле електромеханічне RERM3-230AC 3p (16A AC1, 250V AC)
Код товару: 2473060
В наявності
661.52 грн
Обігрівач EF-HTE45 (45Вт, 110-240VAC, 138x62x85мм)
Код товару: 1344070
В наявності
2 200.12 грн
Обігрівач EF-HTE80 (80Вт, 110-240VAC, 188x62x85мм)
Код товару: 1344072
В наявності
2 861.62 грн
Лицьова панель модульна (36 модулів) CP 3-1 M (В150xШ750)
Код товару: 1101455
В наявності
764.42 грн
Блок-контакт CES-BCF 01 (1NC, фронт., 5.6A 230V)
Код товару: 4646575
В наявності
117.62 грн
Трансформатор струму CTR-30 250/5 5VA CL.0,5
Код товару: 4805509
В наявності
1 117.22 грн
Сигнальний світлодіод (білий) USS-13 10A
Код товару: 2470114
Під замовлення (від 3-х тижнів)
225.42 грн
Індикатор наявності напруги SON H-2GR (2x кольоровий LED)
Код товару: 2471559
Під замовлення (від 3-х тижнів)
294.02 грн
Аналізатор мережі END25-RSA (96x96мм, RS-485, 2 вихідн. контакти)
Код товару: 4656954
В наявності
14 210.02 грн