Ви дивилися
Каталог товарів
Кабінет покупця
+380672339740
Наша адреса
м.Київ, вул. Пластова, 18, каб.205, 2поверх
Телефони
Графік роботи
  • Пн - Пт
  • 09:00 - 18:00
E-mail
Ми в соцмережах
Перейти до контактів
0 0
Каталог
Головна
Дивилися
20
Закладки
0
Порівняти
0
Контакти

Трансформатор струму CTR-30 300/5 5VA CL.0,5

Виробник: ETI Код товару: 4805510
Все про товар
Опис
Характеристики
В наявності
1 131.92 грн
EAN:3838895817277 
logis_net_depth:40 mm
logis_net_height:79 mm
logis_net_width:63 mm
Артикул:4805510
Трансформатор струму CTR-30 300/5 5VA CL.0,5
1 131.92 грн
Опис

Документація


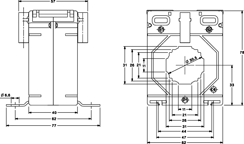
Креслення і Характеристики

Характеристики
EAN
3838895817277 
logis_net_depth
40 mm
logis_net_height
79 mm
logis_net_width
63 mm
Артикул
4805510
Вага
23.31 kg
Вторинний струм (А)
5
Діаметр отвору
30,5mm
кількість
63 
Категорія
Трансформаторы тока
Клас точності
0,5
Класифікація
EC002048
Модель/Виконання
Трансформатори струму з вікном
Назва
CTR-30 300/5 CL.0,5
Номінальна вторинна повна потужність
10VA
Номінальний вторинний струм
5A
Номинальний первинний струм
300A
Первинний струм
300
Потужність (ВА)
10
Приєднання вторинної обмотки
Гвинтове з`єднання
Тариф митниці
85043129 
Транспортувальне пакування
2520 
Ви дивились
Розетка 1-на з з/к Schuko RHE-1s-SRG (сіра/графіт. кришка, IP54)
Код товару: 4668106
В наявності
220.52 грн
Трансформатор струму CTR-30 125/5 2,5VA CL.0,5
Код товару: 4805506
Під замовлення (від 3-х тижнів)
1 112.32 грн
Цоколь KVR-P 00 (В900хШ460хГ320)
Код товару: 1601610
Під замовлення (від 3-х тижнів)
4 802.02 грн
Лицьова панель 1хLA2 CP 1.4-2 L2 (В300xШ350)
Код товару: 1101535
Під замовлення (від 3-х тижнів)
735.02 грн
Комплект кронштейнів для настінного монтажу U400 (4шт.)
Код товару: 1102166
В наявності
646.82 грн
Кнопка-модуль виступаюча EGP-C (чорна)
Код товару: 4771262
В наявності
102.92 грн
Розетка 1-на з з/к Schuko RHE-1sd-SR (сіра/прозора кришка, IP54)
Код товару: 4668071
В наявності
210.72 грн
Роздільник клем ESP-DFH/4 (для ESP-HMM.10…16)
Код товару: 3903143
Під замовлення (від 3-х тижнів)
36.77 грн
Розетка 1-на з з/к Schuko RHE-1sd-BL (чорн./прозора кришка, IP54)
Код товару: 4668090
В наявності
225.42 грн
Електромеханічне реле часу APC-DR1 (добове з резервом роботи)
Код товару: 2472002
В наявності
1 911.02 грн