Ви дивилися
Каталог товарів
Кабінет покупця
+380672339740
Наша адреса
м.Київ, вул. Пластова, 18, каб.205, 2поверх
Телефони
Графік роботи
  • Пн - Пт
  • 09:00 - 18:00
E-mail
Ми в соцмережах
Перейти до контактів
0 0
Каталог
Головна
Дивилися
20
Закладки
0
Порівняти
0
Контакти

Трансформатор струму CTR-30 250/5 5VA CL.0,5

Виробник: ETI Код товару: 4805509
Все про товар
Опис
Характеристики
В наявності
1 117.22 грн
EAN:3838895817253 
logis_net_depth:40 mm
logis_net_height:79 mm
logis_net_width:63 mm
Артикул:4805509
Трансформатор струму CTR-30 250/5 5VA CL.0,5
1 117.22 грн
Опис

Документація


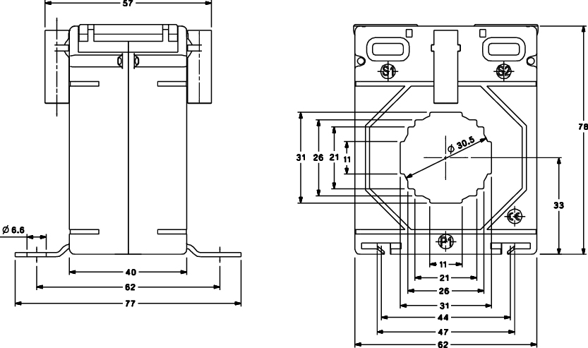
Креслення і Характеристики

Характеристики
EAN
3838895817253 
logis_net_depth
40 mm
logis_net_height
79 mm
logis_net_width
63 mm
Артикул
4805509
Вага
23.31 kg
Вторинний струм (А)
5
Діаметр отвору
30,5mm
кількість
63 
Категорія
Трансформаторы тока
Клас точності
0,5
Класифікація
EC002048
Модель/Виконання
Трансформатори струму з вікном
Назва
CTR-30 250/5 CL.0,5
Номінальна вторинна повна потужність
5VA
Номінальний вторинний струм
5A
Номинальний первинний струм
250A
Первинний струм
250
Потужність (ВА)
5
Приєднання вторинної обмотки
Гвинтове з`єднання
Тариф митниці
85043129 
Транспортувальне пакування
2520 
Ви дивились
Сигнальний світлодіод (білий) USS-13 10A
Код товару: 2470114
Під замовлення (від 3-х тижнів)
225.42 грн
Індикатор наявності напруги SON H-2GR (2x кольоровий LED)
Код товару: 2471559
Під замовлення (від 3-х тижнів)
294.02 грн
Аналізатор мережі END25-RSA (96x96мм, RS-485, 2 вихідн. контакти)
Код товару: 4656954
В наявності
14 210.02 грн
Лицьова панель 1хLA2 CP 1.4-2 L2 (В300xШ350)
Код товару: 1101535
Під замовлення (від 3-х тижнів)
735.02 грн
Комплект кронштейнів для настінного монтажу U400 (4шт.)
Код товару: 1102166
В наявності
646.82 грн
Кнопка-модуль виступаюча EGP-C (чорна)
Код товару: 4771262
В наявності
102.92 грн
Розетка 1-на з з/к Schuko RHE-1sd-SR (сіра/прозора кришка, IP54)
Код товару: 4668071
В наявності
210.72 грн
Роздільник клем ESP-DFH/4 (для ESP-HMM.10…16)
Код товару: 3903143
Під замовлення (від 3-х тижнів)
36.77 грн
Розетка 1-на з з/к Schuko RHE-1sd-BL (чорн./прозора кришка, IP54)
Код товару: 4668090
В наявності
225.42 грн
Електромеханічне реле часу APC-DR1 (добове з резервом роботи)
Код товару: 2472002
В наявності
1 911.02 грн