Ви дивилися
Каталог товарів
Кабінет покупця
+380672339740
Наша адреса
м.Київ, вул. Пластова, 18, каб.205, 2поверх
Телефони
Графік роботи
  • Пн - Пт
  • 09:00 - 18:00
E-mail
Ми в соцмережах
Перейти до контактів
0 0
Каталог
Головна
Дивилися
20
Закладки
0
Порівняти
0
Контакти

Теплове реле RE 27D-0,8 (0,56-0,8A)

Виробник: ETI Код товару: 4642402
Все про товар
Опис
Характеристики
В наявності
1 288.72 грн
EAN:7890355110140 
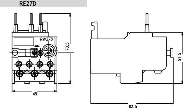
logis_net_depth:80 mm
logis_net_height:71 mm
logis_net_width:45 mm
Аксесуари:Теплове реле
Теплове реле RE 27D-0,8 (0,56-0,8A)
1 288.72 грн
Опис

Документація


Креслення і Характеристики

Характеристики
EAN
7890355110140 
logis_net_depth
80 mm
logis_net_height
71 mm
logis_net_width
45 mm
Аксесуари
Теплове реле
Артикул
4642402
Вага
0.165 kg
Діапазон налаштування струму (A)
0,56-0,8
Для використання з
CEM09 ... CEM25
кількість
Кількість допоміжних замикаючих контактів
1
Кількість допоміжних розмикаючих контактів
1
Категорія
Thermal overload relay
Клас випуску
Клас 10
Класифікація
EC000106
Назва
RE27D-0,8
Призначення
Реле перевантаження
Регульований діапазон струму
0.56…0.8A
Спосіб монтажу
Пряме підключення / Автономна установка
Тариф митниці
85364900 
Тип приєднання головного електричного ланцюга
Плоский штекер
Транспортувальне пакування
5333 
Характеристика спрацювання
Class 10
Ви дивились
Запобіжник VVA3 17,5kV 31,5A 63kA (367мм, без ударника)
Код товару: 4241111
Під замовлення (від 3-х тижнів)
3 577.01 грн
Запобіжник VVT-D3 17,5kV 25A 50kA (292мм, 80N THERMO/Ni)
Код товару: 4242110
Під замовлення (від 3-х тижнів)
4 851.02 грн
Запобіжник NH-1/aM 80A 690V KOMBI
Код товару: 4184421
Під замовлення (від 3-х тижнів)
519.42 грн
Ввідна силова клема EDBJ-1x35-1x35/B (125A, 1000V AC/1500V DC, IN: 1x35, OUT: 1x35, чорна)
Код товару: 1102443
В наявності
151.92 грн
Запобіжник VVC3 7,2kV 250A 63kA (442мм, 50N)
Код товару: 4220621
Під замовлення (від 3-х тижнів)
7 644.02 грн
Щит металопластик. ECG 70 COMBO2/3-I (36+6мод, 3ряд., 2м.п., перф.метал.двер.)
Код товару: 1100225
Під замовлення (від 3-х тижнів)
6 693.42 грн
Комплект кріплення на стовп EPC-PFK-X6
Код товару: 1102656
Під замовлення (від 3-х тижнів)
4 459.02 грн
Клема гвинтова заземлювальна ESC-TEO.2 (2,5 мм2, жовто-зел.)
Код товару: 3903066
В наявності
46.57 грн
Запобіжник AQS22 UQ/40A/690V gR (200kA)
Код товару: 2645150
Під замовлення (від 3-х тижнів)
1 381.82 грн
Клемма ESC-GPM.95/FIX (під наконечник, на монт.панель, 95 мм2, сіра)
Код товару: 3903215
Під замовлення (від 3-х тижнів)
725.22 грн