Ви дивилися
Каталог товарів
Кабінет покупця
+380672339740
Наша адреса
м.Київ, вул. Пластова, 18, каб.205, 2поверх
Телефони
Графік роботи
  • Пн - Пт
  • 09:00 - 18:00
E-mail
Ми в соцмережах
Перейти до контактів
0 0
Каталог
Головна
Дивилися
20
Закладки
0
Порівняти
0
Контакти

Роз'єднувач навантаження LAS 3Р D 32 "1-0" 32A (на двері шафи)

Виробник: ETI Код товару: 4661202
Все про товар
Опис
Характеристики
В наявності
1 406.32 грн
EAN:3838895493969 
Артикул:4661202
Вага:0.2 kg
Вбудований моторний привід:Ні
Використовується в якості головного вимикача:Так
Роз'єднувач навантаження LAS 3Р D 32 "1-0" 32A (на двері шафи)
1 406.32 грн
Опис

Документація


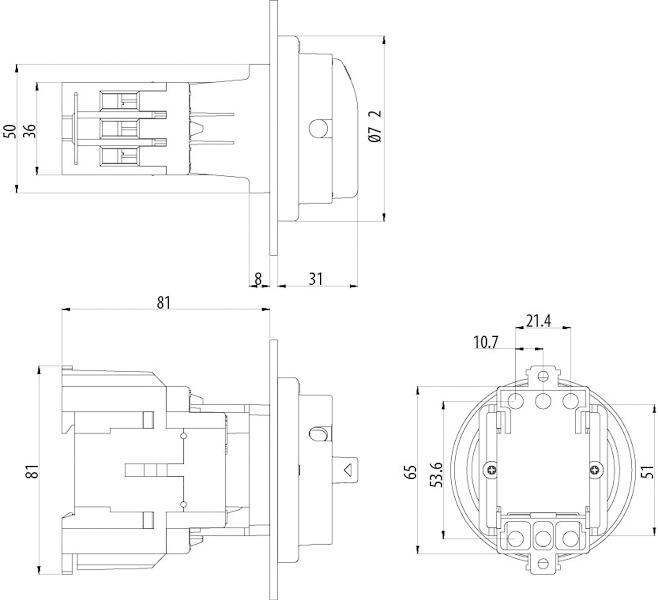
Креслення і Характеристики

Характеристики
EAN
3838895493969 
Артикул
4661202
Вага
0.2 kg
Вбудований моторний привід
Ні
Використовується в якості головного вимикача
Так
Використовується в якості пристрою аварійного відключення
Так
Використовується як допоміжний / сервісний вимикач
Так
Група каталогу
LAS
З блокуванням
Так
кількість
Кількість полюсів
3
Категорія
Switch disconnector
Класифікація
EC000216
Конструкція приладу
Вбудований пристрій стаціонарного виконання
Максимальна номінальна робоча напруга Ue змінного струму AC
690V
Моторний привід опціонально
Ні
Назва
* LAS 32 D
Незалежний розчіпплювач
Ні
Номінальна потужність в робочому режимі AC-23, 400 В
14kW
Номінальний струм (A)
32
Номінальний струм з довгим навантаженням Iu
32A
Підходить для розподільного щита
Так
Підходить для фронтального монтажу через 4 отвори
Так
Призначення
Вимикачі навантаження
Ступінь захисту (IP) лицьового боку
IP65
Тариф митниці
85365080 
Тип
Встановлення на дверцята
Тип елемента керування
Кнопка поворотна
Тип приєднання головного електричного ланцюга
Рамкова клема
Транспортувальне пакування
2571 
Умовний номінальний струм короткого замикання Iq
5kA
Ви дивились
Комунікаційний модуль зв'язку SSW900-CETH-IP-N
Код товару: 4658436
Під замовлення (від 3-х тижнів)
77 273.02 грн
Розшир. плата CFW300-IODF (3DFI/DFO)
Код товару: 4658337
Під замовлення (від 3-х тижнів)
4 263.02 грн
Роз'єднувач навантаження LAS 3P 160 "1-0" 160A
Код товару: 4660109
В наявності
2 459.82 грн
Клема пружинна ESH-EFC.1/2+2/B (1,5 мм2, синя, 2вх.+2вих., push-in)
Код товару: 3903345
Під замовлення (від 3-х тижнів)
46.57 грн
Шина монтажна DIN TH 35x7,5L (2м)
Код товару: 2911023
Під замовлення (від 3-х тижнів)
220.52 грн
Трансформатор напруги TRANSF 1f IP20 220V 100VA
Код товару: 3801896
Під замовлення (від 3-х тижнів)
2 401.02 грн
Щит внутр. розподільний ECМ 18PO (18мод.білі дверцята)
Код товару: 1101019
В наявності
813.42 грн
Вимикач навантаження ED2 400/3 400A (9kA) 3P
Код товару: 4671274
Під замовлення (від 3-х тижнів)
20 923.02 грн
Теплове реле RE 27D-0,63 (0,4-0,63A)
Код товару: 4642401
В наявності
1 288.72 грн
Розетка вбудована (силовий роз'єм) EEH-3232 IP67 (32A, 230V, 2P+PE)
Код товару: 4482085
Під замовлення (від 3-х тижнів)
519.42 грн