Ви дивилися
Каталог товарів
Кабінет покупця
+380672339740
Наша адреса
м.Київ, вул. Пластова, 18, каб.205, 2поверх
Телефони
Графік роботи
  • Пн - Пт
  • 09:00 - 18:00
E-mail
Ми в соцмережах
Перейти до контактів
0 0
Каталог
Головна
Дивилися
20
Закладки
0
Порівняти
0
Контакти

Роз'єднувач навантаження LAS 3Р D/Y-R 25 "1-0" 25A (на двері шафи, жовто-червоний)

Виробник: ETI Код товару: 4661206
Все про товар
Опис
Характеристики
В наявності
1 347.52 грн
EAN:3838895494003 
Артикул:4661206
Вага:0.2 kg
Вбудований моторний привід:Ні
Використовується в якості головного вимикача:Так
Роз'єднувач навантаження LAS 3Р D/Y-R 25 "1-0" 25A (на двері шафи, жовто-червоний)
1 347.52 грн
Опис

Документація


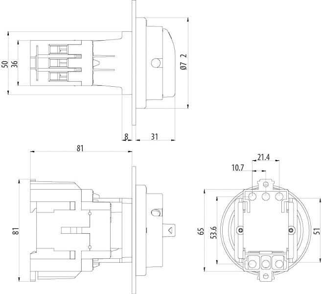
Креслення і Характеристики

Характеристики
EAN
3838895494003 
Артикул
4661206
Вага
0.2 kg
Вбудований моторний привід
Ні
Використовується в якості головного вимикача
Так
Використовується в якості пристрою аварійного відключення
Так
Використовується як допоміжний / сервісний вимикач
Так
Група каталогу
LAS
З блокуванням
Так
кількість
Кількість полюсів
3
Категорія
Switch disconnector
Класифікація
EC000216
Конструкція приладу
Вбудований пристрій стаціонарного виконання
Максимальна номінальна робоча напруга Ue змінного струму AC
690V
Моторний привід опціонально
Ні
Назва
* LAS 25 D Y-R
Незалежний розчіпплювач
Ні
Номінальна потужність в робочому режимі AC-23, 400 В
11kW
Номінальний струм (A)
25
Номінальний струм з довгим навантаженням Iu
25A
Підходить для розподільного щита
Так
Підходить для фронтального монтажу через 4 отвори
Так
Призначення
Вимикачі навантаження
Ступінь захисту (IP) лицьового боку
IP65
Тариф митниці
85365080 
Тип
Встановлення на дверцята
Тип елемента керування
Кнопка поворотна
Тип приєднання головного електричного ланцюга
Рамкова клема
Транспортувальне пакування
2571 
Умовний номінальний струм короткого замикання Iq
4,5kA
Ви дивились
Короб перфорований B 40x80 T (ПВХ, Ш40xВ80, 2м)
Код товару: 3911039
В наявності
387.12 грн
Блок розподільчий EDBJ-1x70-4x25/R (192A, 1000V AC/1500V DC, IN: 1x70, OUT: 4x25, червоний)
Код товару: 1102444
В наявності
681.12 грн
Роз'єднувач VL D0 1 6A 2p
Код товару: 2261006
Під замовлення (від 3-х тижнів)
1 553.32 грн
Роз'єднувач навантаження LAS 3P Y-R 160 "1-0" 160A (жовто-червоний)
Код товару: 4661109
В наявності
2 690.12 грн
Запобіжник VVA3 17,5kV 100A 63kA (367мм, без ударника)
Код товару: 4241117
Під замовлення (від 3-х тижнів)
5 831.02 грн
Тримач запобіжника VVP 36 1p-N 200А (для внутр.монтажу, e=537мм)
Код товару: 4269010
Під замовлення (від 3-х тижнів)
12 250.02 грн
Тримач TL3-1/9/1200V/PV 1P (630А DC 1200V AC/1000V DC)
Код товару: 4122037
Під замовлення (від 3-х тижнів)
16 317.02 грн
Авт. вимикач EB2R-M 125/3L 20A (25kA, (0.63-1)In/(12)In, с блоком ПЗВ) 3P
Код товару: 4671513
Під замовлення (від 3-х тижнів)
49 490.02 грн
Монтажна панель EPC-PMP 40-30 (поліест., 360x248)
Код товару: 1102617
В наявності
617.42 грн
Короб перфорований B 40x60 T (ПВХ, Ш40xВ60, 2м)
Код товару: 3911038
В наявності
377.32 грн