Ви дивилися
Каталог товарів
Кабінет покупця
+380672339740
Наша адреса
м.Київ, вул. Пластова, 18, каб.205, 2поверх
Телефони
Графік роботи
  • Пн - Пт
  • 09:00 - 18:00
E-mail
Ми в соцмережах
Перейти до контактів
0 0
Каталог
Головна
Дивилися
16
Закладки
0
Порівняти
0
Контакти

Роз'єднувач навантаження LAS 3Р D 16 "1-0" 16A (на двері шафи)

Виробник: ETI Код товару: 4661200
Все про товар
Опис
Характеристики
В наявності
1 288.72 грн
EAN:3838895538233 
Артикул:4661200
Вага:0.2 kg
Вбудований моторний привід:Ні
Використовується в якості головного вимикача:Так
Роз'єднувач навантаження LAS 3Р D 16 "1-0" 16A (на двері шафи)
1 288.72 грн
Опис

Документація


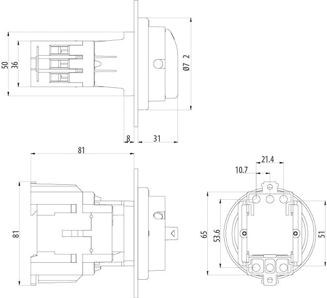
Креслення і Характеристики

Характеристики
EAN
3838895538233 
Артикул
4661200
Вага
0.2 kg
Вбудований моторний привід
Ні
Використовується в якості головного вимикача
Так
Використовується в якості пристрою аварійного відключення
Так
Використовується як допоміжний / сервісний вимикач
Так
Група каталогу
LAS
З блокуванням
Так
кількість
Кількість полюсів
3
Категорія
Switch disconnector
Класифікація
EC000216
Конструкція приладу
Вбудований пристрій стаціонарного виконання
Максимальна номінальна робоча напруга Ue змінного струму AC
690V
Моторний привід опціонально
Ні
Назва
* LAS 16 D
Незалежний розчіпплювач
Ні
Номінальна потужність в робочому режимі AC-23, 400 В
7,5kW
Номінальний струм (A)
16
Номінальний струм з довгим навантаженням Iu
16A
Підходить для розподільного щита
Так
Підходить для фронтального монтажу через 4 отвори
Так
Призначення
Вимикачі навантаження
Ступінь захисту (IP) лицьового боку
IP65
Тариф митниці
85365080 
Тип
Встановлення на дверцята
Тип елемента керування
Кнопка поворотна
Тип приєднання головного електричного ланцюга
Рамкова клема
Транспортувальне пакування
2571 
Умовний номінальний струм короткого замикання Iq
3,8kA
Ви дивились
Роз'єднувач навантаження LAS 3Р D 25 "1-0" 25A (на двері шафи)
Код товару: 4661201
В наявності
1 347.52 грн
Корпус ESE1 (Compact, 1 отвір, корпус сіро-чорний)
Код товару: 4771545
В наявності
284.22 грн
Затискачі гнучких дротів SP2 160&250/3 (компл. 3 шт, 35-120 мм2)
Код товару: 4671193
В наявності
2 528.42 грн
Реле керування сходовим освітленням CRM-4 230V
Код товару: 2470012
В наявності
1 264.22 грн
Контактор CEB 50.00 230V AC
Код товару: 2462007
В наявності
11 515.02 грн
Вимикач навантаження ModLBS 1P 16 ("1-0", 16A, 1P, модульн., на DIN-рейку)
Код товару: 4664250
Під замовлення (від 3-х тижнів)
1 063.32 грн
Затискач клемний SP KVL2 (25-240 mm² Cu) (1 шт.)
Код товару: 1692703
Під замовлення (від 3-х тижнів)
279.32 грн
Центруюча вставка V D02/ STV 35A
Код товару: 2243012
Під замовлення (від 3-х тижнів)
31.87 грн
Корпус ESE1Y (Compact, 1 отвір, корпус жовто-чорний)
Код товару: 4771548
В наявності
289.12 грн
Затискач клемний SP KVL3 (15x21mm Cu - шина) (1 шт.)
Код товару: 1692704
Під замовлення (від 3-х тижнів)
529.22 грн