Ви дивилися
Каталог товарів
Кабінет покупця
+380672339740
Наша адреса
м.Київ, вул. Пластова, 18, каб.205, 2поверх
Телефони
Графік роботи
  • Пн - Пт
  • 09:00 - 18:00
E-mail
Ми в соцмережах
Перейти до контактів
0 0
Каталог
Головна
Дивилися
20
Закладки
0
Порівняти
0
Контакти

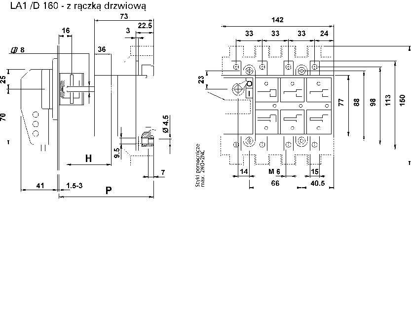
Роз'єднувач навантаження LA 3P 4/D 800A (з виносною рукояткою)

Виробник: ETI Код товару: 4664001
Все про товар
Опис
Характеристики
В наявності
15 827.02 грн
EAN:3838895619970 
Артикул:4664001
Вага:5.5 kg
Група каталогу:LA
кількість:
Роз'єднувач навантаження LA 3P 4/D 800A (з виносною рукояткою)
15 827.02 грн
Опис

Документація


Креслення і Характеристики

Характеристики
EAN
3838895619970 
Артикул
4664001
Вага
5.5 kg
Група каталогу
LA
кількість
Кількість полюсів
3
Категорія
Роз'єднувач навантаження
Назва
* LA4/D 800A 3p
Номінальний струм (A)
800
Тариф митниці
85365080 
Тип
Рукоятка на дверцята
Транспортувальне пакування
145 
Ви дивились
Перетворювач частоти CFW300 A 04P8, 380V 4,8A/2,2kW (ДТ)
Код товару: 4658320
Під замовлення (від 3-х тижнів)
23 275.02 грн
Запобіжник CH 10x38 16A Battery 550V DC
Код товару: 2626016
Під замовлення (від 3-х тижнів)
220.52 грн
Запобіжник CH 10x38 10A Battery 800V DC
Код товару: 2626038
Під замовлення (від 3-х тижнів)
245.02 грн
Запобіжник VVT-D3 12kV 2A 50kA (192мм, 80N THERMO/Ni)
Код товару: 4232103
Під замовлення (від 3-х тижнів)
4 116.02 грн
Запобіжник VVC3 12kV 20A 63kA (442мм, 50N)
Код товару: 4230509
Під замовлення (від 3-х тижнів)
3 626.02 грн
Запобіжник VVC3 12kV 10A 63kA (442мм, 50N)
Код товару: 4230507
Під замовлення (від 3-х тижнів)
3 626.02 грн
Проміжне реле VS316K 230V АС (3x16A_AC1)
Код товару: 2471202
В наявності
1 504.32 грн
Адаптер DA-60/250/3/FE-5 (для автоматич. вимикача EB2 250 3p)
Код товару: 1696162
Під замовлення (від 3-х тижнів)
4 836.32 грн
Адаптер теплового реле CES-AD-RT2 (CES40…45)
Код товару: 4646615
В наявності
352.82 грн
Роз'єднувач навантаження LA 3P 5/R 1600A (рукоятка на корпусі)
Код товару: 4662153
Під замовлення (від 3-х тижнів)
55 517.02 грн