Ви дивилися
Каталог товарів
Кабінет покупця
+380672339740
Наша адреса
м.Київ, вул. Пластова, 18, каб.205, 2поверх
Телефони
Графік роботи
  • Пн - Пт
  • 09:00 - 18:00
E-mail
Ми в соцмережах
Перейти до контактів
0 0
Каталог
Головна
Дивилися
16
Закладки
0
Порівняти
0
Контакти

Багатофункціональний цифровий термостат+цифровий таймер TER-9 230V (2x8_AC1)

Виробник: ETI Код товару: 2471824
Все про товар
Опис
Характеристики
В наявності
6 267.12 грн
EAN:3838895426691 
logis_net_depth:64 mm
logis_net_height:95 mm
logis_net_width:35 mm
Артикул:2471824
Багатофункціональний цифровий термостат+цифровий таймер TER-9 230V (2x8_AC1)
6 267.12 грн
Опис

Документація


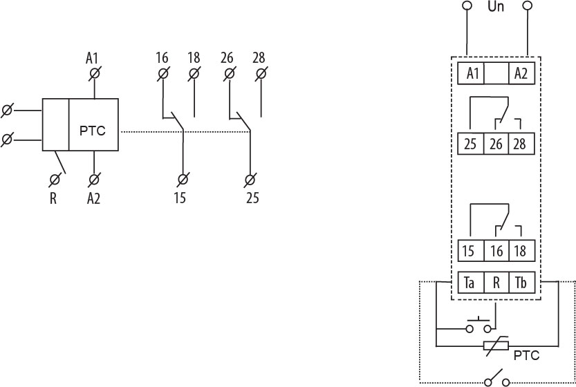
Креслення і Характеристики

Характеристики
EAN
3838895426691 
logis_net_depth
64 mm
logis_net_height
95 mm
logis_net_width
35 mm
Артикул
2471824
Вага
0.13 kg
Діапазон налаштування режиму комфорт
-40…110°C
Діапазон температур (C)
-40...+110
кількість
Кількість контактів
1
Кількість модулів
2
Категорія
Регулятор температури модульний для розподільчих щитів
Класифікація
EC001666
Максимальне навантаження AC1 (VA)
2500
Модель/Виконання
Цифровий
Монтажна глибина
65mm
Назва
TER-9 230V
Напруга живлення (V)
230
Номінальна напруга
230…230V
Номінальна частота
50…50Hz
Номінальний струм (A)
8
Номінальний струм перемикання при 250 В, безпотенціальний
8A
Призначення
Реле контролю та керування
Ступінь захисту IP
IP20
Тариф митниці
85364900 
Тип датчика
зовнішній термістор NTC 12 kΩ при 25°C
Тип напруги
AC
Транспортувальне пакування
6154 
Ви дивились
Реле контролю обриву, асиметрії и послідовності фаз PZAK-1
Код товару: 2471409
В наявності
1 901.22 грн
Авт. вимикач EB2 125/3S 63A (36kA, (0.63-1)In/(6-12)In) 3P
Код товару: 4671044
В наявності
7 644.02 грн
Блок живлення PS-120-24 (Вхід: 100-240V AC/140-340V DC; Вихід: 24-28V DC/120W/5A)
Код товару: 4656682
В наявності
3 528.02 грн
Авт. вимикач ETIMAT 10 1p C 40А (10 kA)
Код товару: 2131720
В наявності
323.41 грн
Реле контролю напруги і послід. фаз HRN-54N 3x400/230AC (3F, 1x8A_AC1) з нейтраллю
Код товару: 2471412
В наявності
2 513.72 грн
Авт. вимикач ETIMAT 10 1p B 6А (10 kA)
Код товару: 2121712
В наявності
225.41 грн
Блок живлення ZIM-24E (імпульсний, 24 V DC, 60 W, 2,5 A)
Код товару: 4804084
Під замовлення (від 3-х тижнів)
2 352.02 грн
Авт. вимикач EB2 125/3S 32A (36kA, (0.63-1)In/(6-12)In) 3P
Код товару: 4671042
В наявності
7 399.02 грн
Додатковий модуль сигналізації EDM-LS (1xNC/NO)
Код товару: 4805420
В наявності
1 249.52 грн
Авт. вимикач EB2 125/3S 50A (36kA, (0.63-1)In/(6-12)In) 3P
Код товару: 4671043
В наявності
7 644.02 грн