Ви дивилися
Каталог товарів
Кабінет покупця
+380672339740
Наша адреса
м.Київ, вул. Пластова, 18, каб.205, 2поверх
Телефони
Графік роботи
  • Пн - Пт
  • 09:00 - 18:00
E-mail
Ми в соцмережах
Перейти до контактів
0 0
Каталог
Головна
Дивилися
20
Закладки
0
Порівняти
0
Контакти

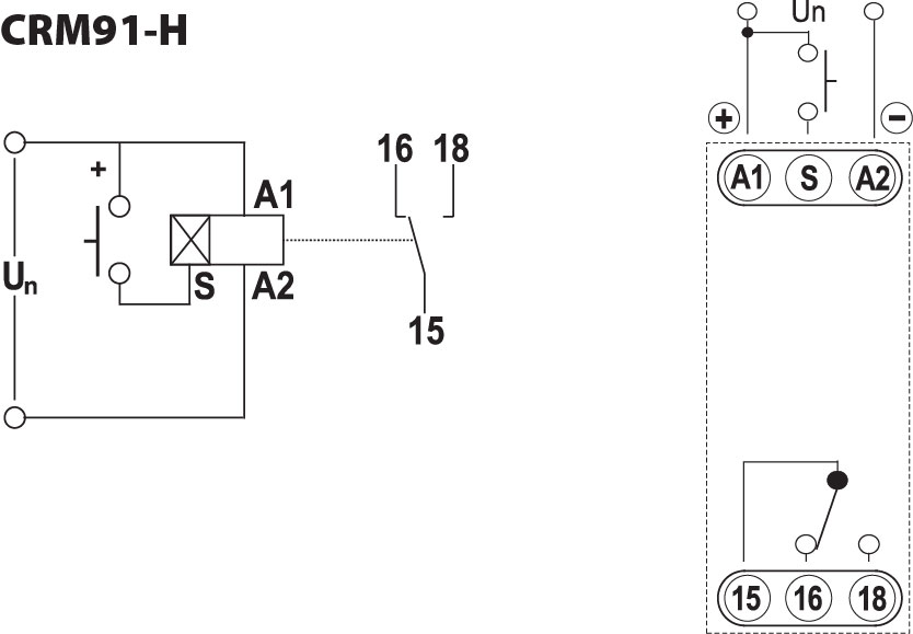
Багатофункціональне реле часу CRM-91H UNI 12-240V AC/DC (1x16A_AC1)

Виробник: ETI Код товару: 2470001
Все про товар
Опис
Характеристики
В наявності
1 401.42 грн
EAN:3838895231196 
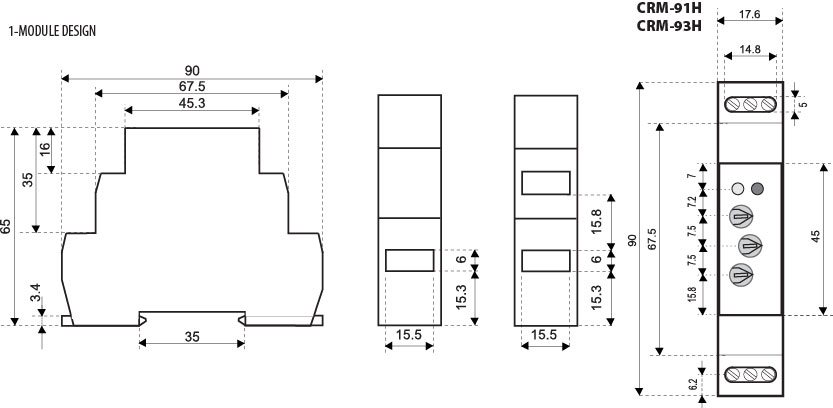
logis_net_depth:64 mm
logis_net_height:91 mm
logis_net_width:18 mm
Артикул:2470001
Багатофункціональне реле часу CRM-91H UNI 12-240V AC/DC (1x16A_AC1)
1 401.42 грн
Опис

Документація


Креслення і Характеристики

Характеристики
EAN
3838895231196 
logis_net_depth
64 mm
logis_net_height
91 mm
logis_net_width
18 mm
Артикул
2470001
Вага
0.755 kg
кількість
10 
Кількість CO контактів
1
Кількість контактів
1
Кількість модулів
1
Кількість перемикачів
1
Кількість функцій
10
Категорія
Реле времени распределительного щита
Класифікація
EC001669
Максимальне навантаження AC1 (VA)
4000
Монтажна висота
65mm
Назва
CRM-91H UNI
Напруга живлення
12…240V
Напруга живлення (V)
12 - 240
Номінальний струм (A)
16
Перший діапазон
0.1…240
Перший діапазон часу
Секунди/Години
Призначення
Реле часу
Спосіб монтажу
На DIN рейку
Тариф митниці
85364900 
Тип напруги
AC/DC
Тип напруги / струму живлячої напруги
Змінний струм (AC) / Постійний струм (DC)
Тип приводу
Цифровий багатофункціональний
Транспортувальне пакування
4600 
Функціональне призначення
Багатофункціональний
Часовий інтервал
0.1 с - 10 днів
Ви дивились
Роз'єднувач SL00/100 EK 3P 160A (Клеми M8-M8, 1 ручка, 690V AC, 100мм)
Код товару: 1701500
Під замовлення (від 3-х тижнів)
3 332.02 грн
Авт. вимикач EB2S 160/3SF 160A (25kA, фікс./фікс.) 3P
Код товару: 4671837
В наявності
5 684.02 грн
Тримач запобіжника PTV-B D02-27/183-5 (під адаптер)
Код товару: 1696051
Під замовлення (від 3-х тижнів)
411.62 грн
Авт. вимикач EB2 250/3V 250A ((0.63-1)In/(6-10)In) 1000V 3P
Код товару: 4671378
Під замовлення (від 3-х тижнів)
17 667.99 грн
Перемикач CS 100 53 U (3p_"1-0-2"_с/ч_100A)
Код товару: 4773126
В наявності
3 640.72 грн
Блок-контакт аварійний TSBE (2NO+2NC)
Код товару: 4648024
В наявності
1 122.12 грн
Авт. вимикач EB2 125/3S 100A (36kA, (0.63-1)In/(6-12)In) 3P
Код товару: 4671045
В наявності
7 693.02 грн
Захисна кришка C-PTV-B D02-36/183/230
Код товару: 1696061
Під замовлення (від 3-х тижнів)
215.62 грн
Контактор імпульсний RВS 220-20 230V AC (20A, 2NO)
Код товару: 2464103
В наявності
823.22 грн
Авт. вимикач EB2R 125/3L 50A (25kA, (0.63-1)In/(12)In, с блоком ПЗВ) 3P
Код товару: 4671503
Під замовлення (від 3-х тижнів)
37 583.02 грн