Ви дивилися
Каталог товарів
Кабінет покупця
+380672339740
Наша адреса
м.Київ, вул. Пластова, 18, каб.205, 2поверх
Телефони
Графік роботи
  • Пн - Пт
  • 09:00 - 18:00
E-mail
Ми в соцмережах
Перейти до контактів
0 0
Каталог
Головна
Дивилися
20
Закладки
0
Порівняти
0
Контакти

Запобіжник S3UQ2/110/630A/690V gR (200kA)

Виробник: ETI Код товару: 4725128
Все про товар
Опис
Характеристики
Під замовлення (від 3-х тижнів)
7 065.82 грн
EAN:3838400130105 
efuse:1
logis_net_depth:70 mm
logis_net_height:139 mm
logis_net_width:65 mm
Запобіжник S3UQ2/110/630A/690V gR (200kA)
7 065.82 грн
Опис

Документація


Креслення і Характеристики

Характеристики
EAN
3838400130105 
efuse
1
logis_net_depth
70 mm
logis_net_height
139 mm
logis_net_width
65 mm
Pd (W)
138
qty
1 pcs
volume
1.27 dm3
Ізольовані металеві захвати (IMGL)
Ні
Індикація
Верхній індикатор стану
Артикул
4725128
Відключаюча здатність AC (кA)
200
Вага
920 g
Вага продукту
920 g
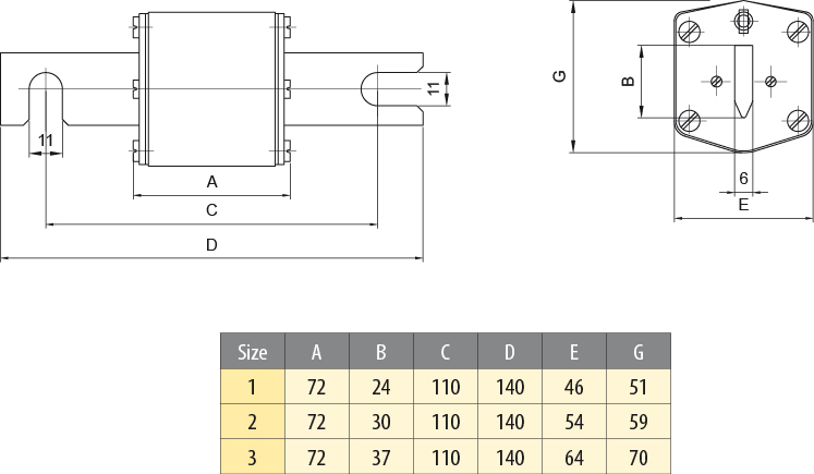
Висота (мм)
139 
Глибина (мм)
70 
Додаток
Для захисту напівпровідникових пристроїв
кількість
15 
Категорія
Низковольтный предохранитель с высокой отключающей способностью
Категорія застосування
gR (general purpose semiconductor protection)
Класифікація
EC000055
Код EAN
3838895351009 
Конструктивний розмір (габарит)
NH3
Назва
NHS3/110 UQ2 gR 630A/690V
Номінальна здатність відключення
200
Номінальна напруга
690
Номінальна напруга AC (В)
690
Номінальний струм
630
Номінальний струм (A)
630
Призначення
Захист напівпровідників
Робочий Інтеграл Джоуля (A²s)
400.000
Стандарт
IEC 60269-4
Тариф митниці
85361090 
Тип
NH-S
Тип індикатора стану запобіжника
Верхній індикатор спрацьовування запобіжника
Тип напруги
Змінний струм (AC)
Типорозмір
NH3
Транспортувальне пакування
540 
Характеристика
gR
Ви дивились
Запобіжник VVT-D3 7,2kV 31,5A 63kA (292мм, 80N THERMO/Ni)
Код товару: 4222511
Під замовлення (від 3-х тижнів)
3 920.02 грн
Обмежувач перенапруги ETITEC VS T123 255/25 (1+1) RC
Код товару: 2442933
Під замовлення (від 3-х тижнів)
12 201.02 грн
Запобіжник VVT-D3 17,5kV 125A 63kA (442мм, 80N THERMO/Ni)
Код товару: 4242518
Під замовлення (від 3-х тижнів)
7 791.02 грн
Запобіжник VVT-D3 7,2kV 31,5A 63kA (442мм, 80N THERMO/Ni)
Код товару: 4222611
Під замовлення (від 3-х тижнів)
4 214.02 грн
Запобіжник NH-2XL_S170 gPV 200A 1100V DC (L/R=2ms)
Код товару: 4110478
Під замовлення (від 3-х тижнів)
5 047.02 грн
Запобіжник NH-1XL_S170 gPV 160A 1100V DC (L/R=5ms)
Код товару: 4110420
Під замовлення (від 3-х тижнів)
5 889.82 грн
Запобіжник CH/P 22x58 aM 125A 400V (з ударником)
Код товару: 6711054
Під замовлення (від 3-х тижнів)
279.32 грн
Запобіжник з ударником NH-1_K/gG 160A 690V
Код товару: 4113344
Під замовлення (від 3-х тижнів)
1 352.42 грн
Запобіжник M000UQU-N/25A/690V gR
Код товару: 4331022
В наявності
690.92 грн
Запобіжник NH-4a/gG 1600A 500V (для тримачів HVL)
Код товару: 4116120
В наявності
3 454.52 грн