Ви дивилися
Каталог товарів
Кабінет покупця
+380672339740
Наша адреса
м.Київ, вул. Пластова, 18, каб.205, 2поверх
Телефони
Графік роботи
  • Пн - Пт
  • 09:00 - 18:00
E-mail
Ми в соцмережах
Перейти до контактів
0 0
Каталог
Головна
Дивилися
14
Закладки
0
Порівняти
0
Контакти

Запобіжник S3UQ2/110/400A/690V gR (200kA)

Виробник: ETI Код товару: 4725123
Все про товар
Опис
Характеристики
Під замовлення (від 3-х тижнів)
7 065.82 грн
EAN:3838400130075 
efuse:1
logis_net_depth:70 mm
logis_net_height:139 mm
logis_net_width:65 mm
Запобіжник S3UQ2/110/400A/690V gR (200kA)
7 065.82 грн
Опис

Документація


Креслення і Характеристики

Характеристики
EAN
3838400130075 
efuse
1
logis_net_depth
70 mm
logis_net_height
139 mm
logis_net_width
65 mm
Pd (W)
76
qty
1 pcs
volume
1.27 dm3
Ізольовані металеві захвати (IMGL)
Ні
Індикація
Верхній індикатор стану
Артикул
4725123
Відключаюча здатність AC (кA)
200
Вага
920 g
Вага продукту
920 g
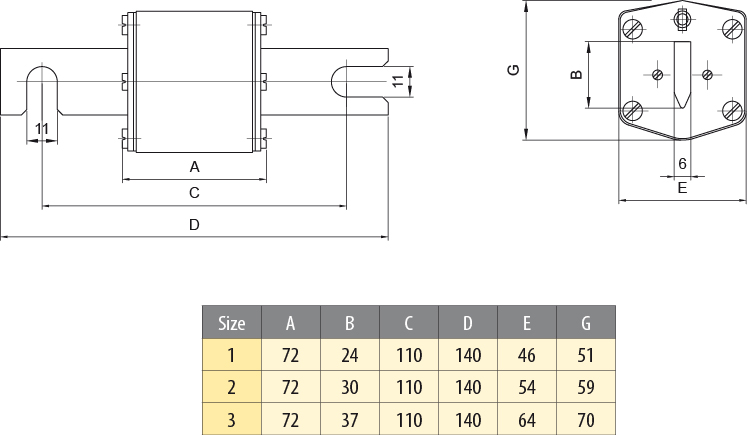
Висота (мм)
139 
Глибина (мм)
70 
Додаток
Для захисту напівпровідникових пристроїв
кількість
15 
Категорія
Низковольтный предохранитель с высокой отключающей способностью
Категорія застосування
gR (general purpose semiconductor protection)
Класифікація
EC000055
Код EAN
3838895350972 
Конструктивний розмір (габарит)
NH3
Назва
NHS3/110 UQ2 gR 400A/690V
Номінальна здатність відключення
200
Номінальна напруга
690
Номінальна напруга AC (В)
690
Номінальний струм
400
Номінальний струм (A)
400
Призначення
Захист напівпровідників
Робочий Інтеграл Джоуля (A²s)
170.000
Стандарт
IEC 60269-4
Тариф митниці
85361090 
Тип
NH-S
Тип індикатора стану запобіжника
Верхній індикатор спрацьовування запобіжника
Тип напруги
Змінний струм (AC)
Типорозмір
NH3
Транспортувальне пакування
540 
Характеристика
gR
Ви дивились
Кнопка-модуль виступаюча з підсвічуванням EGPI-W (безбарвна)
Код товару: 4771273
Під замовлення (від 3-х тижнів)
117.62 грн
Механ. індикатор стану плавкої вставки MFM KVL-00 1P/2P/3P
Код товару: 1690950
Під замовлення (від 3-х тижнів)
480.22 грн
Трансформатор напруги TRANSF EURO 1F IP20 110-220V300VA FP
Код товару: 3801850
Під замовлення (від 3-х тижнів)
4 606.02 грн
Запобіжник TRB 300A 80V DC (для батарей електрокарів)
Код товару: 4341029
Під замовлення (від 3-х тижнів)
284.22 грн
Захисна кришка PRS KVL-00 1P L (довжина 66, верх.)
Код товару: 1690957
Під замовлення (від 3-х тижнів)
191.12 грн
Авт. вимикач EB2R-M 250/4L 250A (25kA, (0.63-1)In/(10)In, с блоком ПЗВ) 4P
Код товару: 4671588
Під замовлення (від 3-х тижнів)
64 288.02 грн
Клема вимірювальна живлення VSM 6 VNP + (6 mm2_червона)
Код товару: 3901673
Під замовлення (від 3-х тижнів)
196.02 грн
Авт. вимикач EB2R-M 125/4L 50A (25kA, (0.63-1)In/(12)In, с блоком ПЗВ) 4P
Код товару: 4671521
Під замовлення (від 3-х тижнів)
56 056.02 грн
Запобіжник TRB 125A 80V DC (для батарей електрокарів)
Код товару: 4341025
Під замовлення (від 3-х тижнів)
225.42 грн
Запобіжник з ударником NH-3_K/gG 400A 690V
Код товару: 4115123
Під замовлення (від 3-х тижнів)
2 102.12 грн