Ви дивилися
Каталог товарів
Кабінет покупця
+380672339740
Наша адреса
м.Київ, вул. Пластова, 18, каб.205, 2поверх
Телефони
Графік роботи
  • Пн - Пт
  • 09:00 - 18:00
E-mail
Ми в соцмережах
Перейти до контактів
0 0
Каталог
Головна
Дивилися
20
Закладки
0
Порівняти
0
Контакти

Запобіжник S3UQU/110/560A/690V aR (50kA)

Виробник: ETI Код товару: 4335115
Все про товар
Опис
Характеристики
Під замовлення (від 3-х тижнів)
2 616.62 грн
EAN:3838895160502 
efuse:1
logis_net_depth:82 mm
logis_net_height:141 mm
logis_net_width:69 mm
Запобіжник S3UQU/110/560A/690V aR (50kA)
2 616.62 грн
Опис

Документація


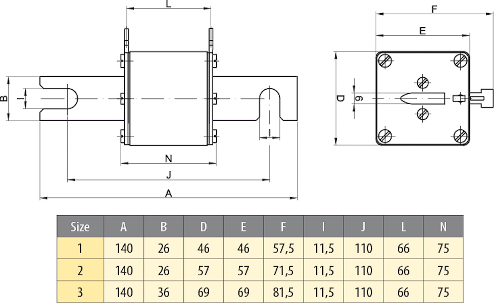
Креслення і Характеристики

Характеристики
EAN
3838895160502 
efuse
1
logis_net_depth
82 mm
logis_net_height
141 mm
logis_net_width
69 mm
Pd (W)
135
qty
1 pcs
volume
0.89 dm3
Ізольовані металеві захвати (IMGL)
Ні
Індикація
Верхній індикатор стану
Артикул
4335115
Відключаюча здатність AC (кA)
50
Відключаюча здатність DC (кA)
25
Вага
880 g
Вага продукту
880 g
Висота (мм)
141 
Глибина (мм)
82 
Додаток
Для захисту напівпровідникових пристроїв
кількість
12 
Категорія
Низковольтный предохранитель с высокой отключающей способностью
Категорія застосування
aR (accompanied semiconductor protection)
Класифікація
EC000055
Код EAN
3838895733867 
Конструктивний розмір (габарит)
NH3
Назва
NHS3/110 UQ aR 560A/690V
Номінальна здатність відключення
50
Номінальна напруга
690
Номінальна напруга AC (В)
690
Номінальний струм
560
Номінальний струм (A)
560
Призначення
Захист напівпровідників
Робочий Інтеграл Джоуля (A²s)
730.000
Стандарт
IEC 60269-4
Тариф митниці
85361090 
Тип
NH-S
Тип індикатора стану запобіжника
Верхній індикатор спрацьовування запобіжника
Тип напруги
Змінний струм (AC)
Типорозмір
NH3
Транспортувальне пакування
624 
Характеристика
aR
Ви дивились
Запобіжник NH-4a/gG 1250A 500V (для тримачів HVL)
Код товару: 4116113
В наявності
3 454.52 грн
Обмежувач перенапруги ETITEC VS T123 255/25 (2+0) RC
Код товару: 2442934
Під замовлення (від 3-х тижнів)
23 569.02 грн
Запобіжник NH-000/gG 50A 690V KOMBI
Код товару: 4181311
Під замовлення (від 3-х тижнів)
264.62 грн
Обмежувач перенапруги ETITEC V T12 280/12,5 (1+1)
Код товару: 2442903
Під замовлення (від 3-х тижнів)
3 910.22 грн
Запобіжник CH/P 14x51 gG 32A 500V (з ударником)
Код товару: 6711019
Під замовлення (від 3-х тижнів)
171.52 грн
Запобіжник M000UQ2/50A/690V gR (200 kA)
Код товару: 4721211
В наявності
906.52 грн
Запобіжник CH/P 14x51 gG 6A 500V (з ударником)
Код товару: 6711016
Під замовлення (від 3-х тижнів)
171.52 грн
Запобіжник з ударником NH-4a_K/gG 630A 690V (для тримачів HVL)
Код товару: 4116187
Під замовлення (від 3-х тижнів)
4 679.52 грн
Запобіжник VVT-D3 24kV 31,5A 31,5kA (292мм, 80N THERMO/Ni)
Код товару: 4252111
Під замовлення (від 3-х тижнів)
5 145.02 грн
Запобіжник NH-1XL_S170 gPV 80A 1100V DC (L/R=2ms)
Код товару: 4110473
Під замовлення (від 3-х тижнів)
2 224.62 грн