Ви дивилися
Каталог товарів
Кабінет покупця
+380672339740
Наша адреса
м.Київ, вул. Пластова, 18, каб.205, 2поверх
Телефони
Графік роботи
  • Пн - Пт
  • 09:00 - 18:00
E-mail
Ми в соцмережах
Перейти до контактів
0 0
Каталог
Головна
Дивилися
20
Закладки
0
Порівняти
0
Контакти

Запобіжник S3UQU/110/500A/690V aR (50kA)

Виробник: ETI Код товару: 4335114
Все про товар
Опис
Характеристики
Під замовлення (від 3-х тижнів)
2 616.62 грн
EAN:3838895160496 
efuse:1
logis_net_depth:82 mm
logis_net_height:141 mm
logis_net_width:69 mm
Запобіжник S3UQU/110/500A/690V aR (50kA)
2 616.62 грн
Опис

Документація


Креслення і Характеристики

Характеристики
EAN
3838895160496 
efuse
1
logis_net_depth
82 mm
logis_net_height
141 mm
logis_net_width
69 mm
Pd (W)
130
qty
1 pcs
volume
0.89 dm3
Ізольовані металеві захвати (IMGL)
Ні
Індикація
Верхній індикатор стану
Артикул
4335114
Відключаюча здатність AC (кA)
50
Відключаюча здатність DC (кA)
25
Вага
880 g
Вага продукту
880 g
Висота (мм)
141 
Глибина (мм)
82 
Додаток
Для захисту напівпровідникових пристроїв
кількість
12 
Категорія
Низковольтный предохранитель с высокой отключающей способностью
Категорія застосування
aR (accompanied semiconductor protection)
Класифікація
EC000055
Код EAN
3838895733850 
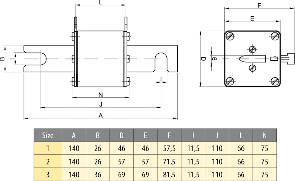
Конструктивний розмір (габарит)
NH3
Назва
NHS3/110 UQ aR 500A/690V
Номінальна здатність відключення
50
Номінальна напруга
690
Номінальна напруга AC (В)
690
Номінальний струм
500
Номінальний струм (A)
500
Призначення
Захист напівпровідників
Робочий Інтеграл Джоуля (A²s)
620.000
Стандарт
IEC 60269-4
Тариф митниці
85361090 
Тип
NH-S
Тип індикатора стану запобіжника
Верхній індикатор спрацьовування запобіжника
Тип напруги
Змінний струм (AC)
Типорозмір
NH3
Транспортувальне пакування
624 
Характеристика
aR
Ви дивились
Обмежувач перенапруги ETITEC V 2T3 255/5 (2+0) RC
Код товару: 2442974
Під замовлення (від 3-х тижнів)
1 773.82 грн
Корпус гнізда дистанційного пульта керування RHMIF-02 (IP56)
Код товару: 4658230
Під замовлення (від 3-х тижнів)
1 666.02 грн
Шафа поліестерова EPC-W 80-30-23 IP66 (2зам., з вікном, В800xШ300xГ230)
Код товару: 1102614
Під замовлення (від 3-х тижнів)
9 163.02 грн
Контактор CEM 32.10 230V AC
Код товару: 4646123
В наявності
2 298.12 грн
Шина живлення IZS 35/1F/57 (35мм2, 1P, 1.01м, Pin, 57mod.)_(57xETIMAT)
Код товару: 2921291
В наявності
2 322.62 грн
Клемник ESC-QBLOK7201 (синій, 10/16 мм2, 12 підключ.)
Код товару: 3903206
В наявності
166.62 грн
Шина живлення IZ 10/4F/18 (10мм2, 4P, 0,965м, Fork, 18mod.)
Код товару: 2921295
Під замовлення (від 3-х тижнів)
2 886.12 грн
Фільтруючий вентилятор EF-325-680-230V (680м³/г, 230VАС, IP54, 325x325x159мм, RAL7035)
Код товару: 1344017
Під замовлення (від 3-х тижнів)
13 234.92 грн
Контактор CEM 112Е.22 250V AC/DC
Код товару: 4646020
Під замовлення (від 3-х тижнів)
18 277.02 грн
Обмежувач перенапруги ETITEC VS T123 255/25 (1+0) RC
Код товару: 2442932
Під замовлення (від 3-х тижнів)
7 987.02 грн