Ви дивилися
Каталог товарів
Кабінет покупця
+380672339740
Наша адреса
м.Київ, вул. Пластова, 18, каб.205, 2поверх
Телефони
Графік роботи
  • Пн - Пт
  • 09:00 - 18:00
E-mail
Ми в соцмережах
Перейти до контактів
0 0
Каталог
Головна
Дивилися
20
Закладки
0
Порівняти
0
Контакти

Запобіжник S3UQU/110/450A/690V aR (50kA)

Виробник: ETI Код товару: 4335113
Все про товар
Опис
Характеристики
Під замовлення (від 3-х тижнів)
2 616.62 грн
EAN:3838895160489 
efuse:1
logis_net_depth:82 mm
logis_net_height:141 mm
logis_net_width:69 mm
Запобіжник S3UQU/110/450A/690V aR (50kA)
2 616.62 грн
Опис

Документація


Креслення і Характеристики

Характеристики
EAN
3838895160489 
efuse
1
logis_net_depth
82 mm
logis_net_height
141 mm
logis_net_width
69 mm
Pd (W)
115
qty
1 pcs
volume
0.89 dm3
Ізольовані металеві захвати (IMGL)
Ні
Індикація
Верхній індикатор стану
Артикул
4335113
Відключаюча здатність AC (кA)
50
Відключаюча здатність DC (кA)
25
Вага
880 g
Вага продукту
880 g
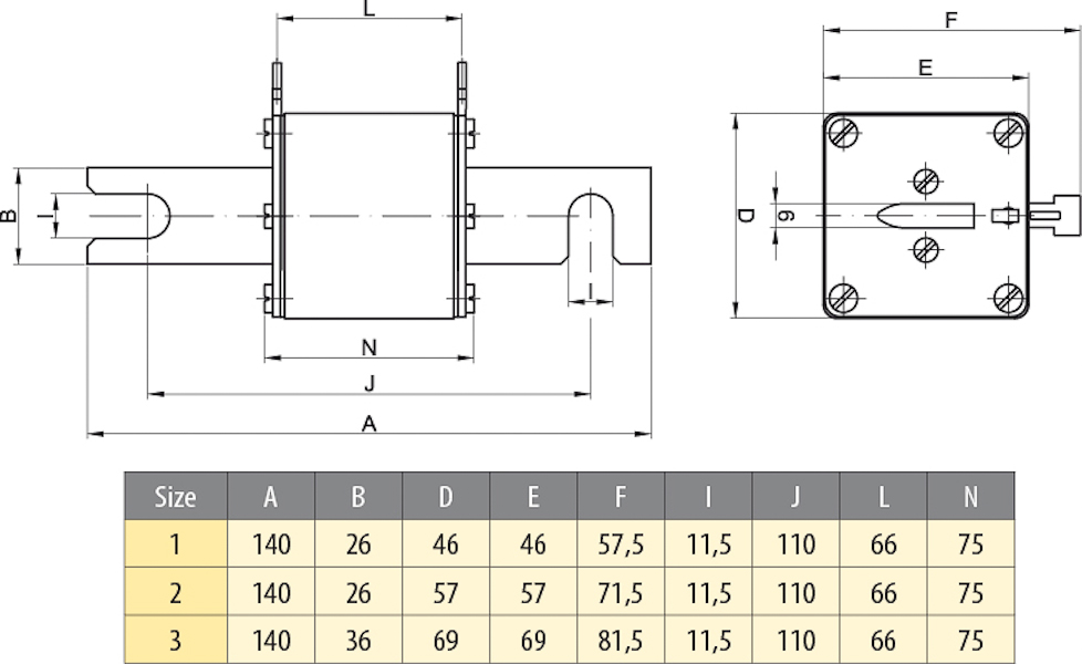
Висота (мм)
141 
Глибина (мм)
82 
Додаток
Для захисту напівпровідникових пристроїв
кількість
12 
Категорія
Низковольтный предохранитель с высокой отключающей способностью
Категорія застосування
aR (accompanied semiconductor protection)
Класифікація
EC000055
Код EAN
3838895733843 
Конструктивний розмір (габарит)
NH3
Назва
NHS3/110 UQ aR 450A/690V
Номінальна здатність відключення
50
Номінальна напруга
690
Номінальна напруга AC (В)
690
Номінальний струм
450
Номінальний струм (A)
450
Призначення
Захист напівпровідників
Робочий Інтеграл Джоуля (A²s)
530.000
Стандарт
IEC 60269-4
Тариф митниці
85361090 
Тип
NH-S
Тип індикатора стану запобіжника
Верхній індикатор спрацьовування запобіжника
Тип напруги
Змінний струм (AC)
Типорозмір
NH3
Транспортувальне пакування
624 
Характеристика
aR
Ви дивились
Роз'єднувач KVL-B/SF-3 630A 1Р (M10-M10)
Код товару: 1690933
Під замовлення (від 3-х тижнів)
6 438.62 грн
Запобіжник G2UQ2/224A/500V gR (200 kA)
Код товару: 4714518
Під замовлення (від 3-х тижнів)
4 174.82 грн
Обмежувач перенапруги ETITEC VS T123 255/12,5 (3+1)
Код товару: 2442925
В наявності
10 878.02 грн
Запобіжник CH SU 10x38 gR-PV 25A 900V (50kA AC/8kA DC)
Код товару: 2625318
Під замовлення (від 3-х тижнів)
323.42 грн
Запобіжник M000/25A/690V-gS (100kA)
Код товару: 4721242
Під замовлення (від 3-х тижнів)
1 190.72 грн
Запобіжник NH-3/gG 560A 500V KOMBI
Код товару: 4186232
В наявності
1 029.02 грн
Обмежувач перенапруги ETITEC V 2T3 255/5 (2+0) RC
Код товару: 2442974
Під замовлення (від 3-х тижнів)
1 773.82 грн
Запобіжник NH-1/gG 16 A 1000V AC
Код товару: 4113704
Під замовлення (від 3-х тижнів)
529.22 грн
Запобіжник VVT-D3 7,2kV 160A 63kA (442мм, 80N THERMO/Ni)
Код товару: 4222619
Під замовлення (від 3-х тижнів)
7 350.02 грн
Міні-запобіжник CH 5x20 FF 1 A 250V
Код товару: 6710118
Під замовлення (від 3-х тижнів)
66.17 грн