Ви дивилися
Каталог товарів
Кабінет покупця
+380672339740
Наша адреса
м.Київ, вул. Пластова, 18, каб.205, 2поверх
Телефони
Графік роботи
  • Пн - Пт
  • 09:00 - 18:00
E-mail
Ми в соцмережах
Перейти до контактів
0 0
Каталог
Головна
Дивилися
20
Закладки
0
Порівняти
0
Контакти

Запобіжник S3UQU/110/400A/690V aR (50kA)

Виробник: ETI Код товару: 4335111
Все про товар
Опис
Характеристики
Під замовлення (від 3-х тижнів)
1 582.72 грн
EAN:3838895160472 
efuse:1
logis_net_depth:82 mm
logis_net_height:141 mm
logis_net_width:69 mm
Запобіжник S3UQU/110/400A/690V aR (50kA)
1 582.72 грн
Опис

Документація


Креслення і Характеристики

Характеристики
EAN
3838895160472 
efuse
1
logis_net_depth
82 mm
logis_net_height
141 mm
logis_net_width
69 mm
Pd (W)
105
qty
1 pcs
volume
0.89 dm3
Ізольовані металеві захвати (IMGL)
Ні
Індикація
Верхній індикатор стану
Артикул
4335111
Відключаюча здатність AC (кA)
50
Відключаюча здатність DC (кA)
25
Вага
880 g
Вага продукту
880 g
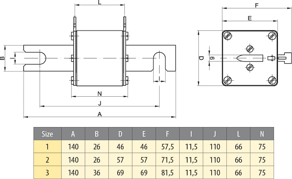
Висота (мм)
141 
Глибина (мм)
82 
Додаток
Для захисту напівпровідникових пристроїв
кількість
12 
Категорія
Низковольтный предохранитель с высокой отключающей способностью
Категорія застосування
aR (accompanied semiconductor protection)
Класифікація
EC000055
Код EAN
3838895733836 
Конструктивний розмір (габарит)
NH3
Назва
NHS3/110 UQ aR 400A/690V
Номінальна здатність відключення
50
Номінальна напруга
690
Номінальна напруга AC (В)
690
Номінальний струм
400
Номінальний струм (A)
400
Призначення
Захист напівпровідників
Робочий Інтеграл Джоуля (A²s)
441.700
Стандарт
IEC 60269-4
Тариф митниці
85361090 
Тип
NH-S
Тип індикатора стану запобіжника
Верхній індикатор спрацьовування запобіжника
Тип напруги
Змінний струм (AC)
Типорозмір
NH3
Транспортувальне пакування
624 
Характеристика
aR
Ви дивились
Клема гвинтова ESC-GPA.70/FIX (на монт.панель, 70 мм2, сіра)
Код товару: 3903211
Під замовлення (від 3-х тижнів)
352.82 грн
Щит зовнішн. розподільний ECT 24PT (24мод.проз.дверцята)
Код товару: 1101003
В наявності
926.12 грн
Теплове реле CES-RT2-45 (CES 40…45_36-45А)
Код товару: 4646601
В наявності
2 087.42 грн
Шина з'єднув. багатополюсна MP 4 65
Код товару: 3901951
Під замовлення (від 3-х тижнів)
744.82 грн
Теплове реле CES-RT4-400 (CES 140…400_250-400А)
Код товару: 4646612
В наявності
9 996.02 грн
Вилка вбудована кутова (силовий роз'єм) ER-3232 IP44 (32A, 230V, 2P+PE)
Код товару: 4482109
Під замовлення (від 3-х тижнів)
401.82 грн
Контактор CEM 32.10 400V AC
Код товару: 4646124
Під замовлення (від 3-х тижнів)
2 298.12 грн
Вилка вбудована (силовий роз'єм) ERR-3243 IP44 (32A, 400V, 3P+PE)
Код товару: 4482112
Під замовлення (від 3-х тижнів)
514.52 грн
Теплове реле RE 27D-15 (10-15A)
Код товару: 4642411
В наявності
1 288.72 грн
Шина живлення IZS 16/3F/30 (16мм2, 3P, 1.05м, Pin, 30mod.)
Код товару: 2921264
Під замовлення (від 3-х тижнів)
2 944.92 грн