Ви дивилися
Каталог товарів
Кабінет покупця
+380672339740
Наша адреса
м.Київ, вул. Пластова, 18, каб.205, 2поверх
Телефони
Графік роботи
  • Пн - Пт
  • 09:00 - 18:00
E-mail
Ми в соцмережах
Перейти до контактів
0 0
Каталог
Головна
Дивилися
20
Закладки
0
Порівняти
0
Контакти

Запобіжник S1UQ2/110/125A/690V gR (200kA)

Виробник: ETI Код товару: 4723115
Все про товар
Опис
Характеристики
Під замовлення (від 3-х тижнів)
3 405.52 грн
EAN:3838895562405 
efuse:1
logis_net_depth:50 mm
logis_net_height:139 mm
logis_net_width:46 mm
Запобіжник S1UQ2/110/125A/690V gR (200kA)
3 405.52 грн
Опис

Документація


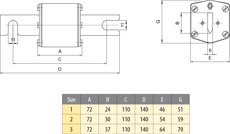
Креслення і Характеристики

Характеристики
EAN
3838895562405 
efuse
1
logis_net_depth
50 mm
logis_net_height
139 mm
logis_net_width
46 mm
Pd (W)
17,6
Ізольовані металеві захвати (IMGL)
Ні
Індикація
Верхній індикатор стану
Артикул
4723115
Відключаюча здатність AC (кA)
200
Вага
13.09 kg
Додаток
Для захисту напівпровідникових пристроїв
кількість
26 
Категорія
Низковольтный предохранитель с высокой отключающей способностью
Категорія застосування
gR (general purpose semiconductor protection)
Класифікація
EC000055
Конструктивний розмір (габарит)
NH1
Назва
NHS1/110 UQ2 gR 125A/690V
Номінальна здатність відключення
200
Номінальна напруга
690
Номінальна напруга AC (В)
690
Номінальний струм
125
Номінальний струм (A)
125
Призначення
Захист напівпровідників
Робочий Інтеграл Джоуля (A²s)
13.000
Стандарт
IEC 60269-4
Тариф митниці
85361090 
Тип
NH-S
Тип індикатора стану запобіжника
Верхній індикатор спрацьовування запобіжника
Тип напруги
Змінний струм (AC)
Типорозмір
NH1
Транспортувальне пакування
1352 
Характеристика
gR
Ви дивились
Рамка 2Х антрацит, горизонтальна, K.1
Код товару: 13637006
В наявності
408.18 грн
Запобіжник S2MUQ02/110/550A/690V aR (200kA)
Код товару: 4744727
Під замовлення (від 3-х тижнів)
7 732.22 грн
Запобіжник S2UQ01/110/630A/1000V aR (200kA)
Код товару: 4304128
Під замовлення (від 3-х тижнів)
7 957.62 грн
Запобіжник S2UQ01/110/315A/1000V aR (200kA)
Код товару: 4304121
Під замовлення (від 3-х тижнів)
6 257.32 грн
Запобіжник S2UQ01/110/400A/1000V aR (200kA)
Код товару: 4304123
Під замовлення (від 3-х тижнів)
7 242.22 грн
Лампа сигнальна LED матова ELPI-240A-B 240V AC (синя)
Код товару: 4771714
Під замовлення (від 3-х тижнів)
196.02 грн
Лампа сигнальна LS LED 20 G 24 (20мм, 24V AC, зелена)
Код товару: 4770813
Під замовлення (від 3-х тижнів)
382.22 грн
Перемичка втична ESH-EFB.1/10/R (10P, для ESH-EFC.1, ESH-EFCE.1, червон. ізоляція)
Код товару: 3903369
Під замовлення (від 3-х тижнів)
112.72 грн
Запобіжник S2MUQ02/110/900A/690V aR (200kA)
Код товару: 4744731
Під замовлення (від 3-х тижнів)
8 702.42 грн
Шина з'єдн. для тримача AD VVP 12 3p-N (для внутр.монтажу)
Код товару: 4239020
Під замовлення (від 3-х тижнів)
2 156.02 грн