Ви дивилися
Каталог товарів
Кабінет покупця
+380672339740
Наша адреса
м.Київ, вул. Пластова, 18, каб.205, 2поверх
Телефони
Графік роботи
  • Пн - Пт
  • 09:00 - 18:00
E-mail
Ми в соцмережах
Перейти до контактів
0 0
Каталог
Головна
Дивилися
20
Закладки
0
Порівняти
0
Контакти

Запобіжник G1UQ2/224A/500V gR (200 kA)

Виробник: ETI Код товару: 4713518
Все про товар
Опис
Характеристики
Під замовлення (від 3-х тижнів)
4 478.62 грн
EAN:3838895561699 
efuse:1
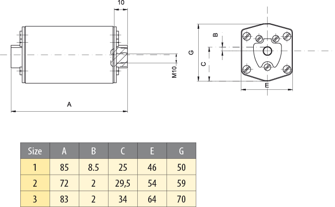
logis_net_depth:50 mm
logis_net_height:85 mm
logis_net_width:46 mm
Запобіжник G1UQ2/224A/500V gR (200 kA)
4 478.62 грн
Опис

Документація


Креслення і Характеристики

Характеристики
EAN
3838895561699 
efuse
1
logis_net_depth
50 mm
logis_net_height
85 mm
logis_net_width
46 mm
Pd (W)
48,5
Ізольовані металеві захвати (IMGL)
Ні
Індикація
Верхній індикатор стану
Артикул
4713518
Відключаюча здатність AC (кA)
200
Вага
11.39 kg
Додаток
Для захисту напівпровідникових пристроїв
кількість
24 
Категорія
Низковольтный предохранитель с высокой отключающей способностью
Категорія застосування
gR (general purpose semiconductor protection)
Класифікація
EC000055
Конструктивний розмір (габарит)
NH1
Назва
NHG1 UQ2 gR 224A/500V
Номінальна здатність відключення
200
Номінальна напруга
500
Номінальна напруга AC (В)
500
Номінальний струм
224
Номінальний струм (A)
224
Призначення
Захист напівпровідників
Робочий Інтеграл Джоуля (A²s)
41.000
Стандарт
IEC 60269-4
Тариф митниці
85361090 
Тип
NH-G
Тип індикатора стану запобіжника
Верхній індикатор спрацьовування запобіжника
Тип напруги
Змінний струм (AC)
Типорозмір
NH1
Транспортувальне пакування
1248 
Характеристика
gR
Ви дивились
Запобіжник NH-2_MET gG 125 400V
Код товару: 4113844
Під замовлення (від 3-х тижнів)
1 254.42 грн
Запобіжник VVT-D3 36kV 4A 20kA (442мм, 80N THERMO/Ni)
Код товару: 4262104
Під замовлення (від 3-х тижнів)
5 537.02 грн
Запобіжник G1UQ2/250A/500V gR (200 kA)
Код товару: 4713519
Під замовлення (від 3-х тижнів)
4 542.32 грн
Запобіжник VVA3 24kV 40A 63kA (442мм, без ударника)
Код товару: 4251113
Під замовлення (від 3-х тижнів)
3 773.02 грн
Авт. вимикач NBS-TMD 250/3L 250A (36kA, (0.8-1)In/(5-10)In) 3P
Код товару: 4673072
В наявності
3 920.02 грн
Тримач запобіжника PK1-100 250A 1p 1000V a.c./d.c. (M10-M10)
Код товару: 4123400
Під замовлення (від 3-х тижнів)
931.02 грн
Запобіжник VVT-D3 12kV 50A 63kA (292мм, 80N THERMO/Ni)
Код товару: 4232014
Під замовлення (від 3-х тижнів)
4 998.02 грн
Запобіжник VVT-D3 7,2kV 40A 63kA (442мм, 80N THERMO/Ni)
Код товару: 4222613
Під замовлення (від 3-х тижнів)
4 214.02 грн
Запобіжник G2MUQ01/350A/1000V aR (200 kA)
Код товару: 4304622
Під замовлення (від 3-х тижнів)
9 280.62 грн
Пристрій плавного пуску SSW900 E 0670 T5 E4, 670A/370kW
Код товару: 4658424
Під замовлення (від 3-х тижнів)
430 906.02 грн