Ви дивилися
Каталог товарів
Кабінет покупця
+380672339740
Наша адреса
м.Київ, вул. Пластова, 18, каб.205, 2поверх
Телефони
Графік роботи
  • Пн - Пт
  • 09:00 - 18:00
E-mail
Ми в соцмережах
Перейти до контактів
0 0
Каталог
Головна
Дивилися
20
Закладки
0
Порівняти
0
Контакти

Запобіжник G1UQ2/200A/500V gR (200 kA)

Виробник: ETI Код товару: 4713517
Все про товар
Опис
Характеристики
Під замовлення (від 3-х тижнів)
4 542.32 грн
EAN:3838895561682 
efuse:1
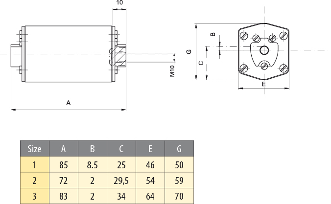
logis_net_depth:50 mm
logis_net_height:85 mm
logis_net_width:46 mm
Запобіжник G1UQ2/200A/500V gR (200 kA)
4 542.32 грн
Опис

Документація


Креслення і Характеристики

Характеристики
EAN
3838895561682 
efuse
1
logis_net_depth
50 mm
logis_net_height
85 mm
logis_net_width
46 mm
Pd (W)
43,8
Ізольовані металеві захвати (IMGL)
Ні
Індикація
Верхній індикатор стану
Артикул
4713517
Відключаюча здатність AC (кA)
200
Вага
11.39 kg
Додаток
Для захисту напівпровідникових пристроїв
кількість
24 
Категорія
Низковольтный предохранитель с высокой отключающей способностью
Категорія застосування
gR (general purpose semiconductor protection)
Класифікація
EC000055
Конструктивний розмір (габарит)
NH1
Назва
NHG1 UQ2 gR 200A/500V
Номінальна здатність відключення
200
Номінальна напруга
500
Номінальна напруга AC (В)
500
Номінальний струм
200
Номінальний струм (A)
200
Призначення
Захист напівпровідників
Робочий Інтеграл Джоуля (A²s)
30.000
Стандарт
IEC 60269-4
Тариф митниці
85361090 
Тип
NH-G
Тип індикатора стану запобіжника
Верхній індикатор спрацьовування запобіжника
Тип напруги
Змінний струм (AC)
Типорозмір
NH1
Транспортувальне пакування
1248 
Характеристика
gR
Ви дивились
Авт. вимикач NBS-TMD 250/3S 200A (50kA, (0.8-1)In/(5-10)In) 3P
Код товару: 4673075
В наявності
4 410.02 грн
Запобіжник CH10x38 aM 6A 500V
Код товару: 2652013
Під замовлення (від 3-х тижнів)
39.22 грн
Шина живлення IZ 10/L1L2L3_L1L2L3 (10мм2, 3P, 0.21м, Fork, 12mod.)
Код товару: 2921277
Під замовлення (від 3-х тижнів)
460.62 грн
Запобіжник VVA3 7,2kV 6,3A 63kA (192мм, без ударника)
Код товару: 4221106
Під замовлення (від 3-х тижнів)
2 695.02 грн
Запобіжник CH/P 14x51 aM 25A 500V (з ударником)
Код товару: 6711037
Під замовлення (від 3-х тижнів)
181.32 грн
Запобіжник NH-2/gG 315A 500V KOMBI
Код товару: 4185222
В наявності
534.12 грн
Запобіжник TRB 100A 80V DC (для батарей електрокарів)
Код товару: 4341024
Під замовлення (від 3-х тижнів)
205.82 грн
Запобіжник CH10x38 aM 0,25A 500V
Код товару: 2652008
Під замовлення (від 3-х тижнів)
49.02 грн
Запобіжник G2UQ01/315A/1000V aR (200 kA)
Код товару: 4304521
Під замовлення (від 3-х тижнів)
7 296.12 грн
Запобіжник G2UQ01/630A/1000V aR (200 kA)
Код товару: 4304528
Під замовлення (від 3-х тижнів)
9 275.72 грн