Ви дивилися
Каталог товарів
Кабінет покупця
+380672339740
Наша адреса
м.Київ, вул. Пластова, 18, каб.205, 2поверх
Телефони
Графік роботи
  • Пн - Пт
  • 09:00 - 18:00
E-mail
Ми в соцмережах
Перейти до контактів
0 0
Каталог
Головна
Дивилися
20
Закладки
0
Порівняти
0
Контакти

Запобіжник M3UQ2/350A/690V gR (200 kA)

Виробник: ETI Код товару: 4725222
Все про товар
Опис
Характеристики
Під замовлення (від 3-х тижнів)
3 430.02 грн
EAN:3838895562207 
efuse:1
logis_net_depth:84 mm
logis_net_height:150 mm
logis_net_width:64 mm
Запобіжник M3UQ2/350A/690V gR (200 kA)
3 430.02 грн
Опис

Документація


Креслення і Характеристики

Характеристики
EAN
3838895562207 
efuse
1
logis_net_depth
84 mm
logis_net_height
150 mm
logis_net_width
64 mm
Pd (W)
67
qty
1 pcs
volume
1.3 dm3
Ізольовані металеві захвати (IMGL)
Ні
Індикація
Верхній індикатор стану
Артикул
4725222
Відключаюча здатність AC (кA)
200
Вага
980 g
Вага продукту
980 g
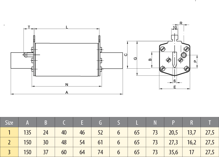
Висота (мм)
150 
Глибина (мм)
84 
Додаток
Для захисту напівпровідникових пристроїв
кількість
15 
Категорія
Низковольтный предохранитель с высокой отключающей способностью
Категорія застосування
gR (general purpose semiconductor protection)
Класифікація
EC000055
Код EAN
3838895350613 
Конструктивний розмір (габарит)
NH3
Назва
NH3 UQ2 gR 350A/690V
Номінальна здатність відключення
200
Номінальна напруга
690
Номінальна напруга AC (В)
690
Номінальний струм
350
Номінальний струм (A)
350
Призначення
Захист напівпровідників
Робочий Інтеграл Джоуля (A²s)
150.000
Стандарт
IEC 60269-4
Тариф митниці
85361090 
Тип
NH
Тип індикатора стану запобіжника
Верхній індикатор спрацьовування запобіжника
Тип напруги
Змінний струм (AC)
Типорозмір
NH3
Транспортувальне пакування
360 
Характеристика
gR
Ви дивились
Запобіжник S2UQU/110/200A/690V aR (50kA)
Код товару: 4334113
Під замовлення (від 3-х тижнів)
1 582.72 грн
Джерело безперебійного електроживлення 900 Вт
Код товару: 7206612-70
В наявності
6 930.01 грн
Запобіжник M1UQU-N/50A/690V gR (50kA)
Код товару: 4333208
Під замовлення (від 3-х тижнів)
970.22 грн
Шина з'єдн. для тримача AD VVP 24 3p-Z (для зовн.монтажу)
Код товару: 4259040
Під замовлення (від 3-х тижнів)
2 646.02 грн
Запобіжник NH-4a/gG 630A 690V (для тримачів HVL)
Код товару: 4176105
Під замовлення (від 3-х тижнів)
3 464.32 грн
Запобіжник S2UQ2/110/200A/690V gR (200kA)
Код товару: 4724117
Під замовлення (від 3-х тижнів)
3 145.82 грн
Запобіжник S1UQU/110/200A/690V aR (50kA)
Код товару: 4333114
Під замовлення (від 3-х тижнів)
970.22 грн
Запобіжник CH SU 10x38 gR-PV 10A 900V (50kA AC/8kA DC)
Код товару: 2625314
Під замовлення (від 3-х тижнів)
323.42 грн
Запобіжник NH-1/gG 35A 1000V AC
Код товару: 4113708
Під замовлення (від 3-х тижнів)
524.32 грн
Блок Univers для модульних апаратів 2х24М, 300x500мм
Код товару: UD22B3
В наявності
2 264.79 грн