Ви дивилися
Каталог товарів
Кабінет покупця
+380672339740
Наша адреса
м.Київ, вул. Пластова, 18, каб.205, 2поверх
Телефони
Графік роботи
  • Пн - Пт
  • 09:00 - 18:00
E-mail
Ми в соцмережах
Перейти до контактів
0 0
Каталог
Головна
Дивилися
20
Закладки
0
Порівняти
0
Контакти

Запобіжник M3UQU-N/450A/690V aR (50kA)

Виробник: ETI Код товару: 4335213
Все про товар
Опис
Характеристики
Під замовлення (від 3-х тижнів)
2 562.72 грн
EAN:3838895161196 
efuse:1
logis_net_depth:82 mm
logis_net_height:150 mm
logis_net_width:69 mm
Запобіжник M3UQU-N/450A/690V aR (50kA)
2 562.72 грн
Опис

Документація


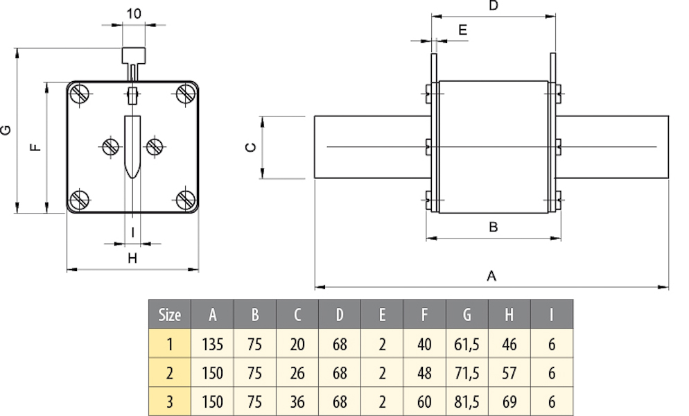
Креслення і Характеристики

Характеристики
EAN
3838895161196 
efuse
1
logis_net_depth
82 mm
logis_net_height
150 mm
logis_net_width
69 mm
Pd (W)
115
qty
1 pcs
volume
0.89 dm3
Ізольовані металеві захвати (IMGL)
Ні
Індикація
Верхній індикатор стану
Артикул
4335213
Відключаюча здатність AC (кA)
50
Відключаюча здатність DC (кA)
25
Вага
910 g
Вага продукту
910 g
Висота (мм)
150 
Глибина (мм)
82 
Додаток
Для захисту напівпровідникових пристроїв
кількість
12 
Категорія
Низковольтный предохранитель с высокой отключающей способностью
Категорія застосування
aR (accompanied semiconductor protection)
Класифікація
EC000055
Код EAN
3838895733119 
Конструктивний розмір (габарит)
NH3
Назва
NH3 UQ aR 450A/690V
Номінальна здатність відключення
50
Номінальна напруга
690
Номінальна напруга AC (В)
690
Номінальний струм
450
Номінальний струм (A)
450
Призначення
Захист напівпровідників
Робочий Інтеграл Джоуля (A²s)
530.000
Стандарт
IEC 60269-4
Тариф митниці
85361090 
Тип
NH
Тип індикатора стану запобіжника
Верхній індикатор спрацьовування запобіжника
Тип напруги
Змінний струм (AC)
Типорозмір
NH3
Транспортувальне пакування
624 
Характеристика
aR
Ви дивились
Запобіжник NH-1C/gG 40A 690V KOMBI
Код товару: 4184310
Під замовлення (від 3-х тижнів)
357.72 грн
Запобіжник AQS14 UQ/25A/690V gR (200kA)
Код товару: 2645143
Під замовлення (від 3-х тижнів)
661.52 грн
Блок Univers для модульних апаратів 2х12М, 150x500мм
Код товару: UD12B1
В наявності
2 084.96 грн
Запобіжник CH SU 10x38 gR-PV 4A 900V (50kA AC/8kA DC)
Код товару: 2625311
Під замовлення (від 3-х тижнів)
323.42 грн
Запобіжник M1UQU-N/63A/690V gR (50kA)
Код товару: 4333209
Під замовлення (від 3-х тижнів)
970.22 грн
Запобіжник CH-S14UQ/50A/690V aR (200 kA)
Код товару: 2635119
Під замовлення (від 3-х тижнів)
504.72 грн
Запобіжник S2UQ01/80/800A/690V aR (200kA)
Код товару: 4384130
Під замовлення (від 3-х тижнів)
6 722.82 грн
Запобіжник NH-0 gR-PV 125A 750V DC
Код товару: 4110507
Під замовлення (від 3-х тижнів)
3 047.82 грн
Запобіжник з ударником NH-2_K/gG 250A 690V
Код товару: 4114348
Під замовлення (від 3-х тижнів)
1 416.12 грн
Запобіжник NH-1C/gG 6A 500V KOMBI
Код товару: 4184203
Під замовлення (від 3-х тижнів)
249.92 грн