Ви дивилися
Каталог товарів
Кабінет покупця
+380672339740
Наша адреса
м.Київ, вул. Пластова, 18, каб.205, 2поверх
Телефони
Графік роботи
  • Пн - Пт
  • 09:00 - 18:00
E-mail
Ми в соцмережах
Перейти до контактів
0 0
Каталог
Головна
Дивилися
20
Закладки
0
Порівняти
0
Контакти

Запобіжник M0UQ1/32A/1000V aR

Виробник: ETI Код товару: 4362208
Все про товар
Опис
Характеристики
Під замовлення (від 3-х тижнів)
1 416.12 грн
EAN:3838895557074 
efuse:1
logis_net_depth:60 mm
logis_net_height:124 mm
logis_net_width:29 mm
Запобіжник M0UQ1/32A/1000V aR
1 416.12 грн
Опис

Документація


Креслення і Характеристики

Характеристики
EAN
3838895557074 
efuse
1
logis_net_depth
60 mm
logis_net_height
124 mm
logis_net_width
29 mm
Pd (W)
12,5
qty
1 pcs
volume
0.45 dm3
Ізольовані металеві захвати (IMGL)
Ні
Індикація
Верхній індикатор стану
Артикул
4362208
Відключаюча здатність AC (кA)
200
Вага
290 g
Вага продукту
290 g
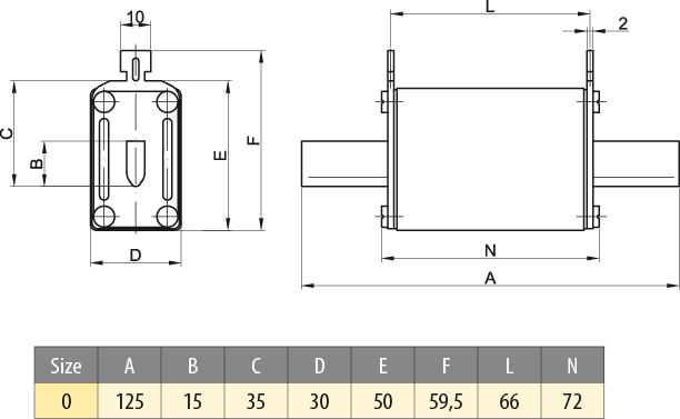
Висота (мм)
124 
Глибина (мм)
60 
Додаток
Для захисту напівпровідникових пристроїв
кількість
24 
Категорія
Низковольтный предохранитель с высокой отключающей способностью
Категорія застосування
aR (accompanied semiconductor protection)
Класифікація
EC000055
Код EAN
3838895358657 
Конструктивний розмір (габарит)
NH0
Назва
NH0 UQ1 aR 32A/1000V
Номінальна здатність відключення
200
Номінальна напруга
1000
Номінальна напруга AC (В)
1000
Номінальний струм
32
Номінальний струм (A)
32
Призначення
Захист напівпровідників
Робочий Інтеграл Джоуля (A²s)
480
Стандарт
IEC 60269-4
Тариф митниці
85361050 
Тип
NH
Тип індикатора стану запобіжника
Верхній індикатор спрацьовування запобіжника
Тип напруги
Змінний струм (AC)
Типорозмір
NH0
Транспортувальне пакування
1248 
Характеристика
aR
Ви дивились
Перетворювач частоти CFW700 E 0211, 380V 211_180A/110_90kW
Код товару: 4658249
Під замовлення (від 3-х тижнів)
513 128.02 грн
Запобіжник NH-00 TELECOM 80V DC 160A (з ударником)
Код товару: 4110101
Під замовлення (від 3-х тижнів)
2 626.42 грн
З'єднувальний елемент LBS-BR2000-2500 CO (тип А)
Код товару: 4661597
Під замовлення (від 3-х тижнів)
4 615.82 грн
Запобіжник VVA3 36kV 25A 31,5kA (537мм, без ударника)
Код товару: 4261110
Під замовлення (від 3-х тижнів)
4 263.01 грн
Запобіжник CH10UQ/6A/600V aR (200 kA)
Код товару: 2625005
В наявності
166.62 грн
Запобіжник VVC3 12kV 2A 63kA (442мм, 50N)
Код товару: 4230503
Під замовлення (від 3-х тижнів)
3 626.02 грн
Короб для кабеля KVR-FB_1 (784мм)
Код товару: 1601642
Під замовлення (від 3-х тижнів)
372.42 грн
Запобіжник VVT-D3 36kV 10A 20kA (442мм, 80N THERMO/Ni)
Код товару: 4262107
Під замовлення (від 3-х тижнів)
5 537.02 грн
Електронн.таймер затримки TOD-30-24-60 AC/DC (3-30с затримка вимик.)
Код товару: 4642742
Під замовлення (від 3-х тижнів)
3 885.72 грн
Запобіжник VVT-D3 17,5kV 2A 63kA (442мм, 80N THERMO/Ni)
Код товару: 4242503
Під замовлення (від 3-х тижнів)
4 557.02 грн