Ви дивилися
Каталог товарів
Кабінет покупця
+380672339740
Наша адреса
м.Київ, вул. Пластова, 18, каб.205, 2поверх
Телефони
Графік роботи
  • Пн - Пт
  • 09:00 - 18:00
E-mail
Ми в соцмережах
Перейти до контактів
0 0
Каталог
Головна
Дивилися
20
Закладки
0
Порівняти
0
Контакти

Запобіжник M0UQ1/160A/1000V aR

Виробник: ETI Код товару: 4362216
Все про товар
Опис
Характеристики
Під замовлення (від 3-х тижнів)
1 866.92 грн
EAN:3838895557142 
efuse:1
logis_net_depth:60 mm
logis_net_height:124 mm
logis_net_width:29 mm
Запобіжник M0UQ1/160A/1000V aR
1 866.92 грн
Опис

Документація


Креслення і Характеристики

Характеристики
EAN
3838895557142 
efuse
1
logis_net_depth
60 mm
logis_net_height
124 mm
logis_net_width
29 mm
Pd (W)
40,5
qty
1 pcs
volume
0.45 dm3
Ізольовані металеві захвати (IMGL)
Ні
Індикація
Верхній індикатор стану
Артикул
4362216
Відключаюча здатність AC (кA)
200
Вага
290 g
Вага продукту
290 g
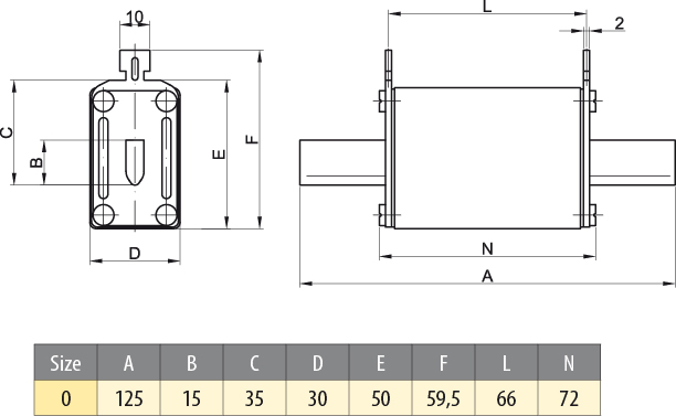
Висота (мм)
124 
Глибина (мм)
60 
Додаток
Для захисту напівпровідникових пристроїв
кількість
24 
Категорія
Низковольтный предохранитель с высокой отключающей способностью
Категорія застосування
aR (accompanied semiconductor protection)
Класифікація
EC000055
Код EAN
3838895358800 
Конструктивний розмір (габарит)
NH0
Назва
NH0 UQ1 aR 160A/1000V
Номінальна здатність відключення
200
Номінальна напруга
1000
Номінальна напруга AC (В)
1000
Номінальний струм
160
Номінальний струм (A)
160
Призначення
Захист напівпровідників
Робочий Інтеграл Джоуля (A²s)
35.300
Стандарт
IEC 60269-4
Тариф митниці
85361090 
Тип
NH
Тип індикатора стану запобіжника
Верхній індикатор спрацьовування запобіжника
Тип напруги
Змінний струм (AC)
Типорозмір
NH0
Транспортувальне пакування
1248 
Характеристика
aR
Ви дивились
Монтажна панель ERP 24-PM (для ERP MEDIA, EB2S 160 3p+24мод.)
Код товару: 1101287
Під замовлення (від 3-х тижнів)
1 288.72 грн
Запобіжник G3UQ01/1000A/690V aR (200 kA)
Код товару: 4375532
Під замовлення (від 3-х тижнів)
10 672.22 грн
Запобіжник NH-000/gG 20A 400V KOMBI
Код товару: 4181106
Під замовлення (від 3-х тижнів)
191.12 грн
Запобіжник VVC3 36kV 25A 31,5kA (537мм, 50N)
Код товару: 4260010
Під замовлення (від 3-х тижнів)
4 361.02 грн
Шина живлення IZ 16/1F/3 (36) (16мм2, 1P, 0.06м, Fork, 3mod.)
Код товару: 2921158
Під замовлення (від 3-х тижнів)
127.42 грн
Запобіжник NH-000/gG 25A 400V KOMBI
Код товару: 4181107
Під замовлення (від 3-х тижнів)
176.42 грн
Запобіжник NH-000/gG 35A 400V KOMBI
Код товару: 4181109
Під замовлення (від 3-х тижнів)
176.42 грн
Запобіжник VVC3 24kV 6,3A 63kA (442мм, 50N)
Код товару: 4250006
Під замовлення (від 3-х тижнів)
4 067.02 грн
Запобіжник NH-000/gG 40A 690V KOMBI
Код товару: 4181310
Під замовлення (від 3-х тижнів)
264.62 грн
Запобіжник M00UQ01/40A/690V aR (200 kA)
Код товару: 4371210
Під замовлення (від 3-х тижнів)
1 190.72 грн