Ви дивилися
Каталог товарів
Кабінет покупця
+380672339740
Наша адреса
м.Київ, вул. Пластова, 18, каб.205, 2поверх
Телефони
Графік роботи
  • Пн - Пт
  • 09:00 - 18:00
E-mail
Ми в соцмережах
Перейти до контактів
0 0
Каталог
Головна
Дивилися
20
Закладки
0
Порівняти
0
Контакти

Запобіжник M0UQ1/100A/1000V aR

Виробник: ETI Код товару: 4362214
Все про товар
Опис
Характеристики
Під замовлення (від 3-х тижнів)
1 572.92 грн
EAN:3838895557128 
efuse:1
logis_net_depth:60 mm
logis_net_height:124 mm
logis_net_width:29 mm
Запобіжник M0UQ1/100A/1000V aR
1 572.92 грн
Опис

Документація


Креслення і Характеристики

Характеристики
EAN
3838895557128 
efuse
1
logis_net_depth
60 mm
logis_net_height
124 mm
logis_net_width
29 mm
Pd (W)
31,5
qty
1 pcs
volume
0.45 dm3
Ізольовані металеві захвати (IMGL)
Ні
Індикація
Верхній індикатор стану
Артикул
4362214
Відключаюча здатність AC (кA)
200
Вага
290 g
Вага продукту
290 g
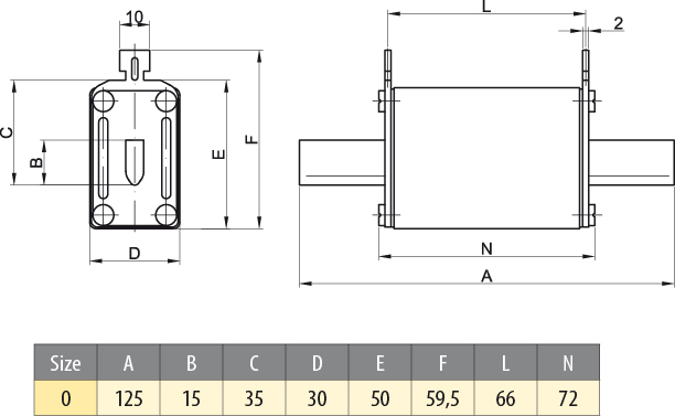
Висота (мм)
124 
Глибина (мм)
60 
Додаток
Для захисту напівпровідникових пристроїв
кількість
24 
Категорія
Низковольтный предохранитель с высокой отключающей способностью
Категорія застосування
aR (accompanied semiconductor protection)
Класифікація
EC000055
Код EAN
3838895358763 
Конструктивний розмір (габарит)
NH0
Назва
NH0 UQ1 aR 100A/1000V
Номінальна здатність відключення
200
Номінальна напруга
1000
Номінальна напруга AC (В)
1000
Номінальний струм
100
Номінальний струм (A)
100
Призначення
Захист напівпровідників
Робочий Інтеграл Джоуля (A²s)
8.000
Стандарт
IEC 60269-4
Тариф митниці
85361090 
Тип
NH
Тип індикатора стану запобіжника
Верхній індикатор спрацьовування запобіжника
Тип напруги
Змінний струм (AC)
Типорозмір
NH0
Транспортувальне пакування
1248 
Характеристика
aR
Ви дивились
Перетворювач частоти CFW700 E 0105, 380V 105_88A/55_47kW
Код товару: 4658246
Під замовлення (від 3-х тижнів)
332 269.02 грн
Запобіжник VVA3 7,2kV 100A 63kA (192мм, без ударника)
Код товару: 4221117
Під замовлення (від 3-х тижнів)
4 214.02 грн
Запобіжник VVT-D3 36kV 50A 31,5kA (537мм, 80N THERMO/Ni)
Код товару: 4262014
Під замовлення (від 3-х тижнів)
6 713.02 грн
Запобіжник VVC3 7,2kV 16A 63kA (192мм, 50N)
Код товару: 4220008
Під замовлення (від 3-х тижнів)
2 940.02 грн
Роз'єднувач PCF 8 1P+N 20A 400V AC
Код товару: 2530002
Під замовлення (від 3-х тижнів)
362.62 грн
Запобіжник VVA3 17,5kV 2A 63kA (367мм, без ударника)
Код товару: 4241103
Під замовлення (від 3-х тижнів)
3 381.01 грн
Запобіжник NH-4a/gG 800A 500V (для тримачів HVL)
Код товару: 4116110
В наявності
3 199.72 грн
Авт. вимикач NBS-TMD 250/3L 200A (36kA, (0.8-1)In/(5-10)In) 3P
Код товару: 4673071
В наявності
3 920.02 грн
Запобіжник VVC3 24kV 2A 63kA (442мм, 50N)
Код товару: 4250003
Під замовлення (від 3-х тижнів)
4 067.02 грн
Запобіжник G1UQ2/50A/500V gR (200 kA)
Код товару: 4713511
Під замовлення (від 3-х тижнів)
3 278.12 грн