Ви дивилися
Каталог товарів
Кабінет покупця
+380672339740
Наша адреса
м.Київ, вул. Пластова, 18, каб.205, 2поверх
Телефони
Графік роботи
  • Пн - Пт
  • 09:00 - 18:00
E-mail
Ми в соцмережах
Перейти до контактів
0 0
Каталог
Головна
Дивилися
14
Закладки
0
Порівняти
0
Контакти

Перемикач CS 100 92 U LK (4p_"0-1"_ж/к_100A_с блок.)

Виробник: ETI Код товару: 4773079
Все про товар
Опис
Характеристики
Під замовлення (від 3-х тижнів)
3 028.22 грн
EAN:3838895660736 
logis_net_depth:183 mm
logis_net_height:106 mm
logis_net_width:106 mm
Артикул:4773079
Перемикач CS 100 92 U LK (4p_"0-1"_ж/к_100A_с блок.)
3 028.22 грн
Опис

Документація


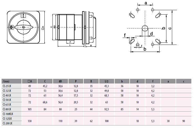
Креслення і Характеристики

Характеристики
EAN
3838895660736 
logis_net_depth
183 mm
logis_net_height
106 mm
logis_net_width
106 mm
Артикул
4773079
Вага
14.32 kg
Вага продукту
0.74 kg
З нульовим (вимкненим) положенням
Так
кількість
18 
Кількість полюсів
4
Категорія
Вимикач навантаження
Класифікація
EC001105
Код EAN
3838400025562 
Кріплення
Панель
Максимальна номінальна робоча напруга (V AC)
480
Модель/Виконання
Вимикач On / Off
Назва
CS 100 92 U LK
Номінальна напруга ізоляції (V)
690
Номінальна потужність при AC-3, 400 В
37kW
Номінальний робочий струм Ie AC-21 при 400V (A)
85
Номінальний струм з довгим навантаженням Iu
100A
Підходить для кріплення на лицьовій панелі
Так
Підходить для розподільного щита
Так
Тариф митниці
85363030 
Тепловий струм Ith (A)
100
Тип елемента керування
Кнопка поворотна
Тип приєднання головного електричного ланцюга
Гвинтове з`єднання
Транспортувальне пакування
378 
Ви дивились
Щит металевий MBF18-2 (36 мод., IP30, внутр.вик.)
Код товару: 1108101
Під замовлення (від 3-х тижнів)
6 370.02 грн
Котушка керування BCEE-560E 255V-AC/DC (CEM450E…CEM560E)
Код товару: 4656322
Під замовлення (від 3-х тижнів)
4 199.32 грн
Щит зовн. для пускача O - IP41
Код товару: 4600190
В наявності
401.82 грн
Перемичка втична ESC-PTC/4/10 (10P, для ESC-CBC.4, ESC2-DBC.4)
Код товару: 3903021
В наявності
88.22 грн
Вилка кабельна з реверсом фаз (силовий роз'єм) EVO-3253 IP44 (32A, 400V, 3P+N+PE)
Код товару: 4482023
Під замовлення (від 3-х тижнів)
882.02 грн
Перемикач CS 100 90 U LK (1p_"0-1"_ж/к_100A_с блок.)
Код товару: 4773061
Під замовлення (від 3-х тижнів)
1 612.12 грн
Авт. вимикач EB2 400/4S 400A (50kA, (0.63-1)In/(6-12)In) 4P
Код товару: 4671104
Під замовлення (від 3-х тижнів)
30 772.02 грн
Теплове реле CES-RT0-2,5 (CES 6…18_1,6-2,5А)
Код товару: 4646591
В наявності
975.12 грн
Розшир. плата CFW500-IOAD (RS485+цифр. 6вх/4вих+аналог. 3вх./2вих.+24VDC+10VDC)
Код товару: 4658224
Під замовлення (від 3-х тижнів)
6 419.02 грн
Розшир. плата CFW300-IOADR (термістор. 1вх+ цифр. 3вих+аналог. 1вх)
Код товару: 4658334
Під замовлення (від 3-х тижнів)
7 791.02 грн