Ви дивилися
Каталог товарів
Кабінет покупця
+380672339740
Наша адреса
м.Київ, вул. Пластова, 18, каб.205, 2поверх
Телефони
Графік роботи
  • Пн - Пт
  • 09:00 - 18:00
E-mail
Ми в соцмережах
Перейти до контактів
0 0
Каталог
Головна
Дивилися
20
Закладки
0
Порівняти
0
Контакти

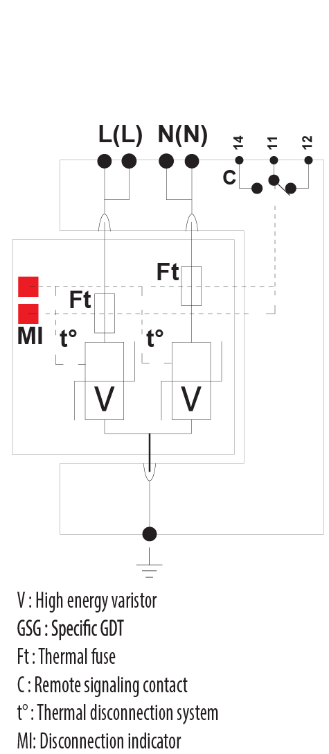
Обмежувач перенапруги ETITEC V 2T2 255/20 (2+0) RC

Виробник: ETI Код товару: 2442946
Все про товар
Опис
Характеристики
Під замовлення (від 3-х тижнів)
1 773.82 грн
EAN:3838895828846 
In (8/20), (kA):20
logis_net_depth:68 mm
logis_net_height:104 mm
logis_net_width:18 mm
Обмежувач перенапруги ETITEC V 2T2 255/20 (2+0) RC
1 773.82 грн
Опис

Документація


Креслення і Характеристики

Характеристики
EAN
3838895828846 
In (8/20), (kA)
20
logis_net_depth
68 mm
logis_net_height
104 mm
logis_net_width
18 mm
Maксимальний струм розряду Imax (8/20) kA
40
qty
8 pcs
volume
1.499 dm3
Артикул
2442946
Вага
1.241 kg
Вбудований резервний запобіжник
Ні
Висота (мм)
78 mm
Глибина (мм)
183 mm
Глибина корпусу (mm)
68
Група каталогу
ETITEC V
З контактом для дистанційної сигналізації
Так
Здатність відключення при короткому замиканні (Isccr)
10kA
кількість
96 
Кількість полюсів
2
Категорія
Устройство защиты от перенапряжения для систем энергоснабжения
Клас 2
Так
Класифікація
EC000941
Конфігурація IT-системи
Ні
Конфігурація інших систем
Ні
Конфігурація системи DC
Ні
Конфігурація системи TN-C
Ні
Конфігурація системи TN-S
Так
Конфігурація системи TT
Ні
Максимальний імпульсний струм розряду (8/20)
40kA
Максимальний переріз гнучкого провідника
25mm²
Максимальний переріз жорсткого провідника
35mm²
Назва
ETITEC V 2T2 255/20 2+0 RC
Найбільша довготривала напруга змінного струму AC
255V
Напруга довготривалої роботи Uc, (АС)
255
Номінальна напруга змінного струму
230V
Номінальний імпульсний струм розряду (8/20)
20kA
Призначення
SPD
Рівень захисту по напрузі Up, (kV)
1,5
Сигналізація в пристрої
Оптична
Сигнальний контакт RC
Ні
Спосіб монтажу
DIN rail (top hat rail) 35 mm
Струм витоку
ТАК
Ступінь захисту IP
IP20
Тариф митниці
85354000 
Технологія
MOV
Тип
T2
Тип мережі
TN-S
Транспортувальне пакування
3840 
Ви дивились
Контактор модульний R 25-22 230V
Код товару: 2462340
Під замовлення (від 3-х тижнів)
1 127.02 грн
Обмежувач перенапруги ETITEC VS T123 255/25 (4+0) RC
Код товару: 2442935
Під замовлення (від 3-х тижнів)
31 213.02 грн
Обмежувач перенапруги ETITEC VS T123 255/12,5 (2+0) RC
Код товару: 2442927
Під замовлення (від 3-х тижнів)
6 713.02 грн
Обмежувач перенапруги ETITEC V T12 280/12,5 (1+0) RC
Код товару: 2442910
Під замовлення (від 3-х тижнів)
2 469.62 грн
Обмежувач перенапруги ETITEC M T12 300/7 (1+0, 1p, TNC) RC
Код товару: 2440501
Під замовлення (від 3-х тижнів)
2 058.02 грн
Обмежувач перенапруги ETITEC V 2T3 255/5 (2+0)
Код товару: 2442968
В наявності
1 592.52 грн
Обмежувач перенапруги ETITEC VS T123 255/12,5 (3+0) RC
Код товару: 2442929
Під замовлення (від 3-х тижнів)
9 653.02 грн
Обмежувач перенапруги ETITEC CM T23 275/20 (4+0, 2p, TNC-S) RC
Код товару: 2440653
Під замовлення (від 3-х тижнів)
3 140.92 грн
Обмежувач перенапруги ETITEC M T12 300/7 (4+0, 4p, TNC-S) RC
Код товару: 2440507
Під замовлення (від 3-х тижнів)
8 085.02 грн
Обмежувач перенапруги ETITEC VS T123 255/12,5 (1+1)
Код товару: 2442922
Під замовлення (від 3-х тижнів)
5 047.02 грн