Ви дивилися
Каталог товарів
Кабінет покупця
+380672339740
Наша адреса
м.Київ, вул. Пластова, 18, каб.205, 2поверх
Телефони
Графік роботи
  • Пн - Пт
  • 09:00 - 18:00
E-mail
Ми в соцмережах
Перейти до контактів
0 0
Каталог
Головна
Дивилися
15
Закладки
0
Порівняти
0
Контакти

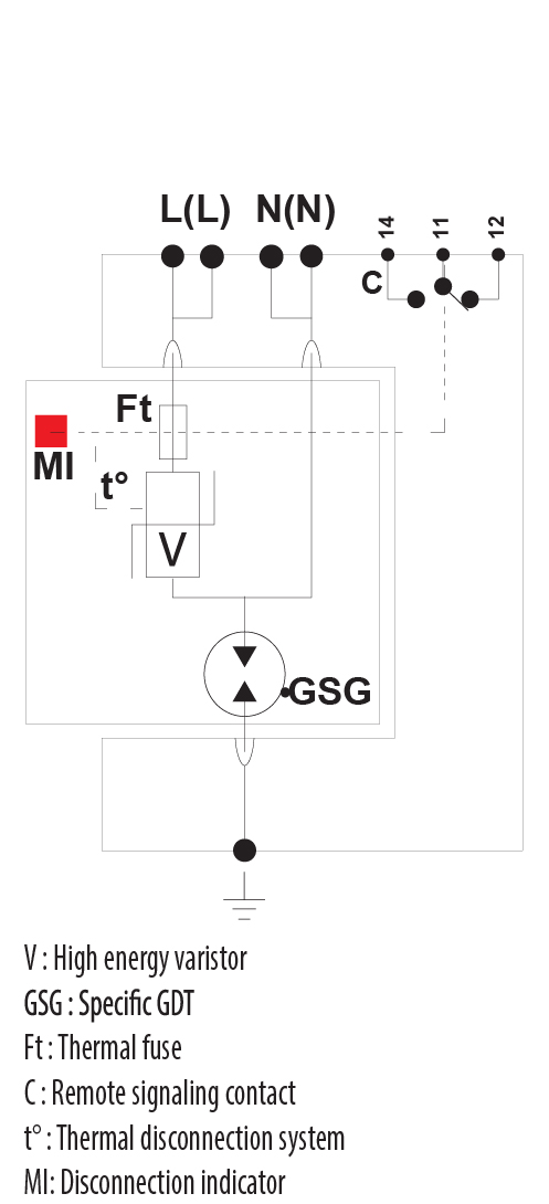
Обмежувач перенапруги ETITEC V 2T2 255/20 (1+1) RC

Виробник: ETI Код товару: 2442948
Все про товар
Опис
Характеристики
Під замовлення (від 3-х тижнів)
2 107.02 грн
EAN:3838895828877 
In (8/20), (kA):20
logis_net_depth:68 mm
logis_net_height:104 mm
logis_net_width:18 mm
Обмежувач перенапруги ETITEC V 2T2 255/20 (1+1) RC
2 107.02 грн
Опис

Документація


Креслення і Характеристики

Характеристики
EAN
3838895828877 
In (8/20), (kA)
20
logis_net_depth
68 mm
logis_net_height
104 mm
logis_net_width
18 mm
Maксимальний струм розряду Imax (8/20) kA
40
Артикул
2442948
Вага
16.51 kg
Вага продукту
0.151 kg
Вбудований резервний запобіжник
Ні
Глибина корпусу (mm)
68
Група каталогу
ETITEC V
З контактом для дистанційної сигналізації
Так
Здатність відключення при короткому замиканні (Isccr)
10kA
кількість
96 
Кількість полюсів
2
Категорія
Устройство защиты от перенапряжения для систем энергоснабжения
Клас 2
Так
Класифікація
EC000941
Код EAN
3838895828860 
Конфігурація IT-системи
Ні
Конфігурація інших систем
Ні
Конфігурація системи DC
Ні
Конфігурація системи TN-C
Ні
Конфігурація системи TN-S
Так
Конфігурація системи TT
Так
Максимальний імпульсний струм розряду (8/20)
40kA
Максимальний переріз гнучкого провідника
25mm²
Максимальний переріз жорсткого провідника
35mm²
Назва
ETITEC V 2T2 255/20 1+1 RC
Найбільша довготривала напруга змінного струму AC
255V
Напруга довготривалої роботи Uc, (АС)
255
Номінальна напруга змінного струму
230V
Номінальний імпульсний струм розряду (8/20)
20kA
Призначення
SPD
Рівень захисту по напрузі Up, (kV)
1,5
Сигналізація в пристрої
Оптична
Сигнальний контакт RC
Ні
Спосіб монтажу
DIN rail (top hat rail) 35 mm
Струм витоку
ТАК
Ступінь захисту IP
IP20
Тариф митниці
85354000 
Технологія
MOV
Тип
T2
Тип мережі
TT/TN-S
Транспортувальне пакування
3840 
Ви дивились
Диф. автоматичний вимикач KZS-2M C 25/0,03 тип AC (10kA)
Код товару: 2173126
В наявності
1 817.92 грн
Монтажна шина ТН 35/15 1.5 стальна 465 мм TH-S 2 (Ш500)
Код товару: 2911042
В наявності
156.82 грн
Диф. автоматичний вимикач KZS-2M C 10/0,3 тип AC (10kA)
Код товару: 2173322
Під замовлення (від 3-х тижнів)
1 994.32 грн
Диф. автоматичний вимикач KZS-2M C 40/0,03 тип AC (10kA)
Код товару: 2173128
В наявності
1 862.02 грн
Диф. автоматичний вимикач KZS-2M B 32/0,01 тип A (10kA)
Код товару: 2173217
Під замовлення (від 3-х тижнів)
2 205.02 грн
Контактор модульний R 25-13 230V
Код товару: 2462330
Під замовлення (від 3-х тижнів)
1 127.02 грн
Контактор модульний R 25-11 230V
Код товару: 2463504
Під замовлення (від 3-х тижнів)
1 078.02 грн
Диф. автоматичний вимикач KZS-4M 3p+N B 20/0,03 тип AC (6kA)
Код товару: 2174005
Під замовлення (від 3-х тижнів)
4 287.52 грн
Диф. автоматичний вимикач KZS-2M C 32/0,03 тип AC (10kA)
Код товару: 2173127
В наявності
1 862.02 грн
Обмежувач перенапруги ETITEC V T2 255/20 (4+0)
Код товару: 2442956
В наявності
2 984.12 грн