Ви дивилися
Каталог товарів
Кабінет покупця
+380672339740
Наша адреса
м.Київ, вул. Пластова, 18, каб.205, 2поверх
Телефони
Графік роботи
  • Пн - Пт
  • 09:00 - 18:00
E-mail
Ми в соцмережах
Перейти до контактів
0 0
Каталог
Головна
Дивилися
20
Закладки
0
Порівняти
0
Контакти

Контактор модульний R 63-40 230V

Виробник: ETI Код товару: 2463450
Все про товар
Опис
Характеристики
В наявності
2 895.92 грн
EAN:3838895162216 
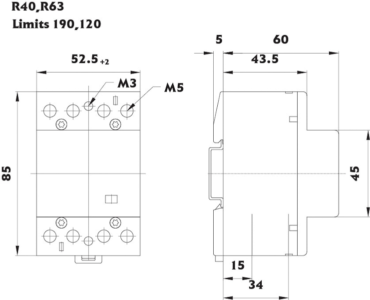
logis_net_depth:65 mm
logis_net_height:89 mm
logis_net_width:54 mm
Артикул:2463450
Контактор модульний R 63-40 230V
2 895.92 грн
Опис

Документація


Креслення і Характеристики

Характеристики
EAN
3838895162216 
logis_net_depth
65 mm
logis_net_height
89 mm
logis_net_width
54 mm
Артикул
2463450
Вага
14.65 kg
Вага продукту
0.36 kg
Глибина вбудовування
60mm
кількість
40 
Кількість NO контактів
4
Кількість модулів
3
Кількість нормально розімкнутих (НР) контактів
4
Категорія
Модульный контактор
Класифікація
EC001653
Код EAN
5904722903616 
Максимальна потужність лампи розжарювання
8000W
Максимальна потужність люмінісцентної лампи
5100VA
Максимальна потужність люмінісцентної лампи (Duo схема)
8120VA
Максимальна потужність люмінісцентної лампи (з паралельною компенсацією)
3740VA
Можлива додаткова комплектація
Так
Назва
R 63-40 230V
Номінальна напруга
230…400V
Номінальна напруга збудження
230…230V
Номінальна напруга управління Uc (V AC)
230V
Номінальна робоча напруга (V AC)
440V
Номінальна частота (Hz)
50/60
Номінальний робочий струм
63A
Номінальний робочий струм Ie AC-1/AC-7a (A)
63
Повзунок для ручного перемикача
Ні
Призначення
Модульные контакторы
Рід струму робочої напруги
Змінний струм (AC)
Ступінь захисту IP
IP20
Тариф митниці
85364900 
Тип
AC
Тип напруги
Змінний струм (AC)
Типорозмір
4p, 3-modules
Транспортувальне пакування
2160 
Ви дивились
Блокування для замикання замком LP-KVL-00123 (в закр. стані, Ømax=6мм)
Код товару: 1690972
Під замовлення (від 3-х тижнів)
200.92 грн
Роз'єднувач SL1 3P 250A (Клеми M10-M10, 1 ручка, 690V AC, 185мм)
Код товару: 1692130
В наявності
8 575.02 грн
Лічильник 3-фазн. двонаправлений 3MEM65-BPO-MID (65А, MID, ІЧ порт, імпульсний вихід)
Код товару: 4657213
Під замовлення (від 3-х тижнів)
8 330.02 грн
Вимикач навантаження CLBSV 100 3P (без рукоятки, 100A, "1-0")
Код товару: 4661880
В наявності
3 136.02 грн
Реле диференційне (ПЗВ) 2р EFI-P2 16/0,03 тип AC (10kA)
Код товару: 2061210
В наявності
1 783.62 грн
Клема гвинтова VS 35 PA (35 mm2_бежева)
Код товару: 3901157
В наявності
129.87 грн
Контактор CEM 25.00 24V AC
Код товару: 4645100
В наявності
1 411.22 грн
Розетка вбудована (силовий роз'єм) EEH-1643 IP67 (16A, 400V, 3P+PE)
Код товару: 4482083
В наявності
441.02 грн
Реле контролю обриву, асиметрії и послідовності фаз PZAK-1
Код товару: 2471409
В наявності
1 901.22 грн
Роз'єднувач SL2 H 3P 400A (Клеми M12-M12, 1 ручка, 690V AC, 185мм)
Код товару: 1695230
В наявності
7 742.02 грн