Ви дивилися
Каталог товарів
Кабінет покупця
+380672339740
Наша адреса
м.Київ, вул. Пластова, 18, каб.205, 2поверх
Телефони
Графік роботи
  • Пн - Пт
  • 09:00 - 18:00
E-mail
Ми в соцмережах
Перейти до контактів
0 0
Каталог
Головна
Дивилися
15
Закладки
0
Порівняти
0
Контакти

Контактор модульний R 63-31 24V

Виробник: ETI Код товару: 2463461
Все про товар
Опис
Характеристики
Під замовлення (від 3-х тижнів)
2 895.92 грн
EAN:3838895162247 
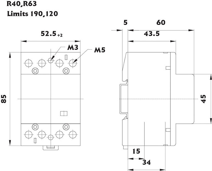
logis_net_depth:65 mm
logis_net_height:89 mm
logis_net_width:54 mm
Артикул:2463461
Контактор модульний R 63-31 24V
2 895.92 грн
Опис

Документація


Креслення і Характеристики

Характеристики
EAN
3838895162247 
logis_net_depth
65 mm
logis_net_height
89 mm
logis_net_width
54 mm
Артикул
2463461
Вага
14.65 kg
Вага продукту
0.36 kg
Глибина вбудовування
60mm
кількість
40 
Кількість NC контактів
1
Кількість NO контактів
3
Кількість модулів
3
Кількість нормально замкнутих (НЗ) контактів
1
Кількість нормально розімкнутих (НР) контактів
3
Категорія
Модульный контактор
Класифікація
EC001653
Код EAN
5904722903647 
Максимальна потужність лампи розжарювання
8000W
Максимальна потужність люмінісцентної лампи
5100VA
Максимальна потужність люмінісцентної лампи (Duo схема)
8120VA
Максимальна потужність люмінісцентної лампи (з паралельною компенсацією)
3740VA
Можлива додаткова комплектація
Так
Назва
R 63-31 24V
Номінальна напруга
230…400V
Номінальна напруга збудження
24…24V
Номінальна напруга управління Uc (V AC)
24V
Номінальна робоча напруга (V AC)
440V
Номінальна частота (Hz)
50/60
Номінальний робочий струм
63A
Номінальний робочий струм Ie AC-1/AC-7a (A)
63
Повзунок для ручного перемикача
Ні
Призначення
Модульные контакторы
Рід струму робочої напруги
Змінний струм (AC)
Ступінь захисту IP
IP20
Тариф митниці
85364900 
Тип
AC
Тип напруги
Змінний струм (AC)
Типорозмір
4p, 3-modules
Транспортувальне пакування
2160 
Ви дивились
Контактор модульний R 25-40 24V
Код товару: 2462311
Під замовлення (від 3-х тижнів)
1 127.02 грн
Щит металопластик. ECG 70Н COMBO2/3-I (36+6мод, 3ряд., 2м.п., перф.метал.двер.)
Код товару: 1100231
Під замовлення (від 3-х тижнів)
8 124.22 грн
Вилка вбудована кутова (силовий роз'єм) ER-1653 IP44 (16A, 400V, 3P+N+PE)
Код товару: 4482131
Під замовлення (від 3-х тижнів)
490.02 грн
Вилка вбудована кутова (силовий роз'єм) ER-1632 IP44 (16A, 230V, 2P+PE)
Код товару: 4482129
Під замовлення (від 3-х тижнів)
347.92 грн
Реле диференційне (ПЗВ) 2р EFI-P2 63/0,5 тип A (10kA)
Код товару: 2061143
Під замовлення (від 3-х тижнів)
2 327.52 грн
Реле диференційне (ПЗВ) 4р EFI6-P4 40/0,03 тип A (6kA)
Код товару: 2061662
В наявності
1 568.02 грн
Фільтр CES-VR4 (24-48V AC, CES6…32)
Код товару: 4646582
Під замовлення (від 3-х тижнів)
274.42 грн
Щит внутр. розподільний ECM 1x24PT (24мод.проз.дверцята)
Код товару: 1100401
Під замовлення (від 3-х тижнів)
1 131.92 грн
Розетка кабельна (силовий роз'єм) ESH-6343 IP67 (63A, 400V, 3P+PE)
Код товару: 4482012
Під замовлення (від 3-х тижнів)
1 964.92 грн
Установочний блок NPF 1250 4p
Код товару: 4672412
Під замовлення (від 3-х тижнів)
56 791.02 грн