Ви дивилися
Каталог товарів
Кабінет покупця
+380672339740
Наша адреса
м.Київ, вул. Пластова, 18, каб.205, 2поверх
Телефони
Графік роботи
  • Пн - Пт
  • 09:00 - 18:00
E-mail
Ми в соцмережах
Перейти до контактів
0 0
Каталог
Головна
Дивилися
20
Закладки
0
Порівняти
0
Контакти

Контактор модульний R 63-22 230V

Виробник: ETI Код товару: 2463470
Все про товар
Опис
Характеристики
В наявності
2 895.92 грн
EAN:3838895162254 
logis_net_depth:65 mm
logis_net_height:89 mm
logis_net_width:54 mm
Артикул:2463470
Контактор модульний R 63-22 230V
2 895.92 грн
Опис

Документація


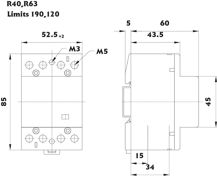
Креслення і Характеристики

Характеристики
EAN
3838895162254 
logis_net_depth
65 mm
logis_net_height
89 mm
logis_net_width
54 mm
Артикул
2463470
Вага
14.65 kg
Вага продукту
0.36 kg
Глибина вбудовування
60mm
кількість
40 
Кількість NC контактів
2
Кількість NO контактів
2
Кількість модулів
3
Кількість нормально замкнутих (НЗ) контактів
2
Кількість нормально розімкнутих (НР) контактів
2
Категорія
Модульный контактор
Класифікація
EC001653
Код EAN
5904722903654 
Максимальна потужність лампи розжарювання
8000W
Максимальна потужність люмінісцентної лампи
5100VA
Максимальна потужність люмінісцентної лампи (Duo схема)
8120VA
Максимальна потужність люмінісцентної лампи (з паралельною компенсацією)
3740VA
Можлива додаткова комплектація
Так
Назва
R 63-22 230V
Номінальна напруга
230…400V
Номінальна напруга збудження
230…230V
Номінальна напруга управління Uc (V AC)
230V
Номінальна робоча напруга (V AC)
440V
Номінальна частота (Hz)
50/60
Номінальний робочий струм
63A
Номінальний робочий струм Ie AC-1/AC-7a (A)
63
Повзунок для ручного перемикача
Ні
Призначення
Модульные контакторы
Рід струму робочої напруги
Змінний струм (AC)
Ступінь захисту IP
IP20
Тариф митниці
85364900 
Тип
AC
Тип напруги
Змінний струм (AC)
Типорозмір
4p, 3-modules
Транспортувальне пакування
2160 
Ви дивились
Котушка керування BCAE-105 - 400V AC
Код товару: 4641834
В наявності
646.82 грн
Пристрій плавного пуску EXSSW07 0030, 230/380V 30A/15kW
Код товару: 4658126
В наявності
33 663.02 грн
Монтажна панель EPC-MMP 40-30 (метал., 360x248)
Код товару: 1102625
В наявності
764.42 грн
Блок-контакт PS LAS (для LAS 16-160/LAS СО 63-125)
Код товару: 4665051
В наявності
352.82 грн
Розетка кабельна (силовий роз'єм) ES-3232 IP44 (32A, 230V, 2P+PE)
Код товару: 4482003
В наявності
377.32 грн
Блок розподільчий EDB-4-250A-S, 4p, 3L+PE/N, 250A (11 виходів)
Код товару: 1102312
В наявності
2 724.42 грн
Щит металопластиковий ECG56 (48+8мод., метал.білі дверцята)
Код товару: 1101028
В наявності
2 695.02 грн
Контактор CEM 32CN.10 (25/30кВАр-400/440V)
Код товару: 4646130
В наявності
3 145.82 грн
Блок-контакт RH 11 для R (1NO+1NC)
Код товару: 2461101
В наявності
877.12 грн
Шафа поліестерова EPC-W 30-25-14 IP66 (1зам., з вікном, В300xШ250xГ140)
Код товару: 1102608
Під замовлення (від 3-х тижнів)
4 704.02 грн