Ви дивилися
Каталог товарів
Кабінет покупця
+380672339740
Наша адреса
м.Київ, вул. Пластова, 18, каб.205, 2поверх
Телефони
Графік роботи
  • Пн - Пт
  • 09:00 - 18:00
E-mail
Ми в соцмережах
Перейти до контактів
0 0
Каталог
Головна
Дивилися
20
Закладки
0
Порівняти
0
Контакти

Контактор модульний R 40-04 24V

Виробник: ETI Код товару: 2463441
Все про товар
Опис
Характеристики
Під замовлення (від 3-х тижнів)
2 650.92 грн
EAN:3838895162209 
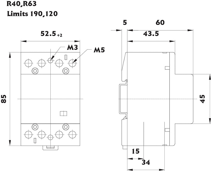
logis_net_depth:65 mm
logis_net_height:89 mm
logis_net_width:54 mm
Артикул:2463441
Контактор модульний R 40-04 24V
2 650.92 грн
Опис

Документація


Креслення і Характеристики

Характеристики
EAN
3838895162209 
logis_net_depth
65 mm
logis_net_height
89 mm
logis_net_width
54 mm
Артикул
2463441
Вага
14.65 kg
Вага продукту
0.36 kg
Глибина вбудовування
60mm
кількість
40 
Кількість NC контактів
4
Кількість модулів
3
Кількість нормально замкнутих (НЗ) контактів
4
Категорія
Модульный контактор
Класифікація
EC001653
Код EAN
5904722903609 
Максимальна потужність лампи розжарювання
6000W
Максимальна потужність люмінісцентної лампи
2975VA
Максимальна потужність люмінісцентної лампи (Duo схема)
5280VA
Максимальна потужність люмінісцентної лампи (з паралельною компенсацією)
2805VA
Можлива додаткова комплектація
Так
Назва
R 40-04 24V
Номінальна напруга
230…400V
Номінальна напруга збудження
24…24V
Номінальна напруга управління Uc (V AC)
24V
Номінальна робоча напруга (V AC)
440V
Номінальна частота (Hz)
50/60
Номінальний робочий струм
40A
Номінальний робочий струм Ie AC-1/AC-7a (A)
40
Повзунок для ручного перемикача
Ні
Призначення
Модульные контакторы
Рід струму робочої напруги
Змінний струм (AC)
Ступінь захисту IP
IP20
Тариф митниці
85364900 
Тип
AC
Тип напруги
Змінний струм (AC)
Типорозмір
4p, 3-modules
Транспортувальне пакування
2160 
Ви дивились
Контактор модульний R 40-22 230V
Код товару: 2463430
Під замовлення (від 3-х тижнів)
2 650.92 грн
Реле диференційне (ПЗВ) EFI-4 80/0,1 тип AC (10kA)
Код товару: 2063145
В наявності
2 846.92 грн
Реле диференційне (ПЗВ) 2р EFI-P2 25/0,5 тип AC (10kA)
Код товару: 2061241
Під замовлення (від 3-х тижнів)
1 817.92 грн
Реле диференційне (ПЗВ) 4р EFI-P4 25/0,5 тип A (10kA)
Код товару: 2061541
Під замовлення (від 3-х тижнів)
2 366.72 грн
Фільтр CES-VR5 (127-240V AC, CES6…45)
Код товару: 4646583
В наявності
294.02 грн
Котушка керування BCAE-40 - 48V AC
Код товару: 4641821
Під замовлення (від 3-х тижнів)
490.02 грн
Авт. вимикач ST-68 2p С 20А (4,5 kA)
Код товару: 2186317
Під замовлення (від 3-х тижнів)
367.51 грн
Контактор модульний RD 25-31 230V AC/DC
Код товару: 2464012
В наявності
1 078.02 грн
Реле диференційне (ПЗВ) 4р EFI-P4 25/0,03 тип A (10kA)
Код товару: 2061511
Під замовлення (від 3-х тижнів)
2 317.72 грн
Трансформатор напруги TRANSF EURO 1f 0-48V 200VA
Код товару: 3801364
Під замовлення (від 3-х тижнів)
3 675.02 грн