Ви дивилися
Каталог товарів
Кабінет покупця
+380672339740
Наша адреса
м.Київ, вул. Пластова, 18, каб.205, 2поверх
Телефони
Графік роботи
  • Пн - Пт
  • 09:00 - 18:00
E-mail
Ми в соцмережах
Перейти до контактів
0 0
Каталог
Головна
Дивилися
20
Закладки
0
Порівняти
0
Контакти

Контактор CEM 09.10 42V AC

Виробник: ETI Код товару: 4642125
Все про товар
Опис
Характеристики
Під замовлення (від 3-х тижнів)
965.32 грн
EAN:7890355151624 
I (AC3 400V) (A):9
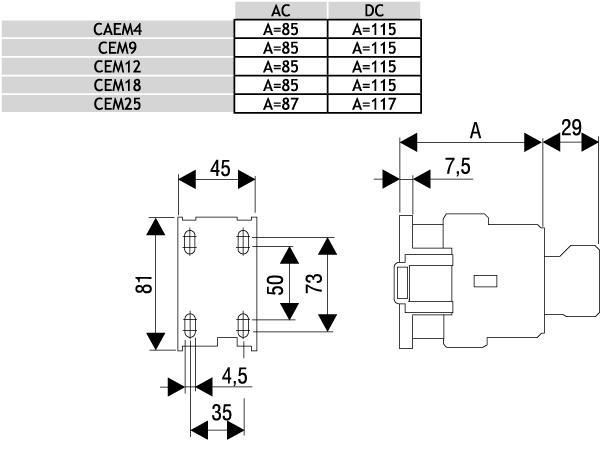
logis_net_depth:86 mm
logis_net_height:81 mm
logis_net_width:45 mm
Контактор CEM 09.10 42V AC
965.32 грн
Опис

Документація


Креслення і Характеристики

Характеристики
EAN
7890355151624 
I (AC3 400V) (A)
9
logis_net_depth
86 mm
logis_net_height
81 mm
logis_net_width
45 mm
P AC3 (kW)
4
Артикул
4642125
Вага
0.32 kg
кількість
Кількість додаткових NO контактів
1
Кількість допоміжних замикаючих контактів
1
Кількість замикаючих головних контактів
3
Кількість полюсів
3
Категорія
Power contactor, AC switching
Класифікація
EC000066
Модульне виконання
Ні
Назва
CEM9.10-42V-50/60Hz
Номінальна напруга живлення ланцюга управління Us змін. струму АС при 50 Гц з
42…42V
Номінальна напруга живлення ланцюга управління Us змін. струму АС при 60 Гц з
42…42V
Номінальна напруга живлення ланцюга управління Us постійного струму DC
42…42V
Номінальна напруга управління Uc (V AC)
42
Номінальна потужність при AC-3, 400 В
4kW
Номінальна робоча напруга (V AC)
690
Номінальний струм (A)
25
Номінальний струм Ie при AC-1, 400 В
25A
Номінальний струм Ie при AC-3, 400 В
9A
Призначення
Контактор
Тариф митниці
85364900 
Тип напруги для спрацьовування
Змінний струм (AC)
Тип приєднання головного електричного ланцюга
Рамкова клема
Транспортувальне пакування
2589 
Ви дивились
Захисна кришка PPA 6
Код товару: 3901088
Під замовлення (від 3-х тижнів)
10.80 грн
Щит металевий MBF24-5 (5х24 мод., 120 мод., IP30, внутр.вик.)
Код товару: 1108123
Під замовлення (від 3-х тижнів)
13 475.02 грн
Трансформатор напруги TRANSF 1f IP20 48V 75VA
Код товару: 3801875
Під замовлення (від 3-х тижнів)
2 205.02 грн
Рукоятка жовто-черв. для монтажа безпосередньо на дверцю шафи FMEE55 IP55
Код товару: 4648037
Під замовлення (від 3-х тижнів)
1 999.22 грн
Вимикач NSE-S2-R90 (2-х поз., без фікс. 0-1, 90°, чорний)
Код товару: 4774083
Під замовлення (від 3-х тижнів)
156.82 грн
Корпус ESE2 (Compact, 2 отвори, корпус сіро-чорний)
Код товару: 4771546
В наявності
294.02 грн
Шафа поліестерова KVR 2 (В874xШ1120хГ320, дводверна, похилий дах, без дна)
Код товару: 1601603
Під замовлення (від 3-х тижнів)
11 515.02 грн
Перемикач поворотн. EGS3-NN-R (3-х поз., з фікс. 1-0-2, 45°, червоний)
Код товару: 4771340
Під замовлення (від 3-х тижнів)
181.32 грн
Клемна кришка CLBS-TS 1P 125 (для CLBS-4P,-N,-PE 100-125А), комплект: 2шт.
Код товару: 4661431
Під замовлення (від 3-х тижнів)
176.42 грн
Трансформатор напруги TRANSF 1f IP20 24V 75VA
Код товару: 3801865
Під замовлення (від 3-х тижнів)
2 205.02 грн