Ви дивилися
Каталог товарів
Кабінет покупця
+380672339740
Наша адреса
м.Київ, вул. Пластова, 18, каб.205, 2поверх
Телефони
Графік роботи
  • Пн - Пт
  • 09:00 - 18:00
E-mail
Ми в соцмережах
Перейти до контактів
0 0
Каталог
Головна
Дивилися
20
Закладки
0
Порівняти
0
Контакти

Контактор CEM 09.10 230V AC

Виробник: ETI Код товару: 4642123
Все про товар
Опис
Характеристики
В наявності
965.32 грн
EAN:17890355107925 
I (AC3 400V) (A):9
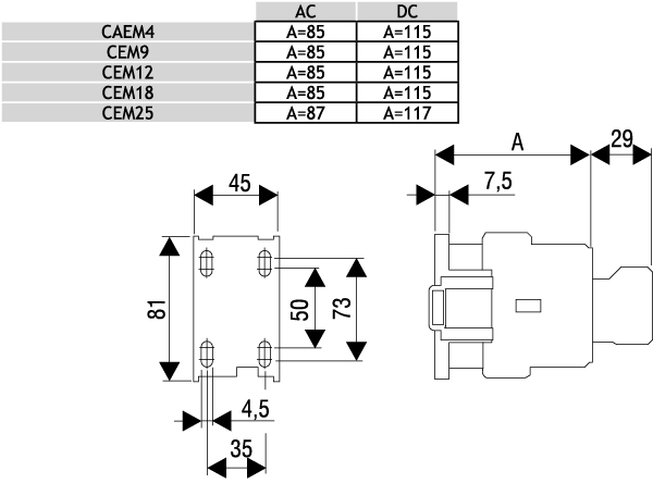
logis_net_depth:86 mm
logis_net_height:81 mm
logis_net_width:45 mm
Контактор CEM 09.10 230V AC
965.32 грн
Опис

Документація


Креслення і Характеристики

Характеристики
EAN
17890355107925 
I (AC3 400V) (A)
9
logis_net_depth
86 mm
logis_net_height
81 mm
logis_net_width
45 mm
P AC3 (kW)
4
Артикул
4642123
Вага
7.115 kg
кількість
20 
Кількість додаткових NO контактів
1
Кількість допоміжних замикаючих контактів
1
Кількість замикаючих головних контактів
3
Кількість полюсів
3
Категорія
Power contactor, AC switching
Класифікація
EC000066
Модульне виконання
Ні
Назва
CEM9.10-230V-50/60Hz
Номінальна напруга живлення ланцюга управління Us змін. струму АС при 50 Гц з
230…230V
Номінальна напруга живлення ланцюга управління Us змін. струму АС при 60 Гц з
230…230V
Номінальна напруга живлення ланцюга управління Us постійного струму DC
230…230V
Номінальна напруга управління Uc (V AC)
230
Номінальна потужність при AC-3, 400 В
4kW
Номінальна робоча напруга (V AC)
690
Номінальний струм (A)
25
Номінальний струм Ie при AC-1, 400 В
25A
Номінальний струм Ie при AC-3, 400 В
9A
Призначення
Контактор
Тариф митниці
85364900 
Тип напруги для спрацьовування
Змінний струм (AC)
Тип приєднання головного електричного ланцюга
Рамкова клема
Транспортувальне пакування
1800 
Ви дивились
Клема гвинтова ESC-CBC.10B (10 мм2, синя)
Код товару: 3903047
В наявності
44.12 грн
Щит зовнішн. розподільний ACT 12 PО (12+2, 1ряд., білі.дв., зовніш.вик.)
Код товару: 1100243
В наявності
852.62 грн
Корпус виносного пульту та кабель 1м SSW900-KMD-CB01
Код товару: 4658425
Під замовлення (від 3-х тижнів)
2 450.02 грн
Трансформатор напруги TRANSF 1f IP20 110V 50VA
Код товару: 3801883
Під замовлення (від 3-х тижнів)
1 960.02 грн
Щит металопластиковий ERP 18-4 (72мод.)
Код товару: 1101214
В наявності
6 468.02 грн
Електромех. блок стану плавкої вставки MPFMU KVL-3 3P
Код товару: 1690977
Під замовлення (від 3-х тижнів)
12 740.02 грн
Щит металопластиковий ERP24-3 (3х24мод.)
Код товару: 1101294
Під замовлення (від 3-х тижнів)
9 114.02 грн
Трансформатор напруги TRANSF 1f IP20 12V 50VA
Код товару: 3801853
Під замовлення (від 3-х тижнів)
1 960.02 грн
Щит металопластиковий ERP 12-4 (48мод.)
Код товару: 1101206
Під замовлення (від 3-х тижнів)
4 214.02 грн
Роз'єднувач навантаження LAS 3Р D 63 "1-0" 63A (на двері шафи)
Код товару: 4661204
В наявності
1 523.92 грн