Ви дивилися
Каталог товарів
Кабінет покупця
+380672339740
Наша адреса
м.Київ, вул. Пластова, 18, каб.205, 2поверх
Телефони
Графік роботи
  • Пн - Пт
  • 09:00 - 18:00
E-mail
Ми в соцмережах
Перейти до контактів
0 0
Каталог
Головна
Дивилися
20
Закладки
0
Порівняти
0
Контакти

Контактор CEM 09.10 110V AC

Виробник: ETI Код товару: 4642122
Все про товар
Опис
Характеристики
Під замовлення (від 3-х тижнів)
965.32 грн
EAN:7890355107966 
I (AC3 400V) (A):9
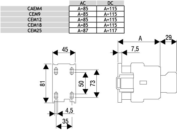
logis_net_depth:86 mm
logis_net_height:81 mm
logis_net_width:45 mm
Контактор CEM 09.10 110V AC
965.32 грн
Опис

Документація


Креслення і Характеристики

Характеристики
EAN
7890355107966 
I (AC3 400V) (A)
9
logis_net_depth
86 mm
logis_net_height
81 mm
logis_net_width
45 mm
P AC3 (kW)
4
Артикул
4642122
Вага
0.32 kg
кількість
Кількість додаткових NO контактів
1
Кількість допоміжних замикаючих контактів
1
Кількість замикаючих головних контактів
3
Кількість полюсів
3
Категорія
Power contactor, AC switching
Класифікація
EC000066
Модульне виконання
Ні
Назва
CEM9.10-110V-50/60Hz
Номінальна напруга живлення ланцюга управління Us змін. струму АС при 50 Гц з
110…110V
Номінальна напруга живлення ланцюга управління Us змін. струму АС при 60 Гц з
110…110V
Номінальна напруга живлення ланцюга управління Us постійного струму DC
110…110V
Номінальна напруга управління Uc (V AC)
110
Номінальна потужність при AC-3, 400 В
4kW
Номінальна робоча напруга (V AC)
690
Номінальний струм (A)
25
Номінальний струм Ie при AC-1, 400 В
25A
Номінальний струм Ie при AC-3, 400 В
9A
Призначення
Контактор
Тариф митниці
85364900 
Тип напруги для спрацьовування
Змінний струм (AC)
Тип приєднання головного електричного ланцюга
Рамкова клема
Транспортувальне пакування
2712 
Ви дивились
Контактор CEM 09.10 42V AC
Код товару: 4642125
Під замовлення (від 3-х тижнів)
965.32 грн
Роз'єднувач навантаження LAS 3P 80 "1-0" 80A
Код товару: 4660106
В наявності
1 288.72 грн
Трансформатор напруги TRANSF 1f IP20 48V 75VA
Код товару: 3801875
Під замовлення (від 3-х тижнів)
2 205.02 грн
Вимикач NSE-S2-R90 (2-х поз., без фікс. 0-1, 90°, чорний)
Код товару: 4774083
Під замовлення (від 3-х тижнів)
156.82 грн
Трансформатор напруги TRANSF 1f IP20 48V 30VA
Код товару: 3801871
Під замовлення (від 3-х тижнів)
1 813.02 грн
Трансформатор напруги TRANSF 1f IP20 48V 50VA
Код товару: 3801873
Під замовлення (від 3-х тижнів)
1 960.02 грн
Трансформатор напруги TRANSF 1f IP20 48V 100VA
Код товару: 3801876
Під замовлення (від 3-х тижнів)
2 401.02 грн
Трансформатор напруги TRANSF 1f IP20 24V 50VA
Код товару: 3801863
Під замовлення (від 3-х тижнів)
1 960.02 грн
Трансформатор напруги TRANSF 1f IP20 48V 200VA
Код товару: 3801878
Під замовлення (від 3-х тижнів)
3 577.02 грн
Полюс заземлення CLBS-PE/40 (для CLBS 16-40А, CD 63A)
Код товару: 4661446
Під замовлення (від 3-х тижнів)
362.62 грн