Ви дивилися
Каталог товарів
Кабінет покупця
+380672339740
Наша адреса
м.Київ, вул. Пластова, 18, каб.205, 2поверх
Телефони
Графік роботи
  • Пн - Пт
  • 09:00 - 18:00
E-mail
Ми в соцмережах
Перейти до контактів
0 0
Каталог
Головна
Дивилися
20
Закладки
0
Порівняти
0
Контакти

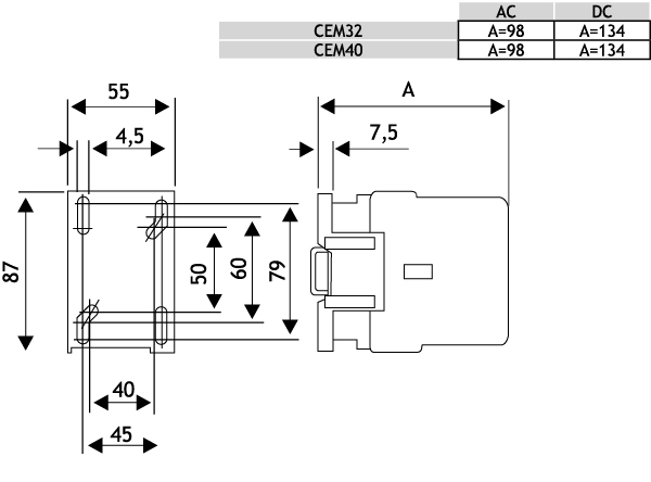
Контактор CEM 40.11 400V AC

Виробник: ETI Код товару: 4647134
Все про товар
Опис
Характеристики
Під замовлення (від 3-х тижнів)
2 655.82 грн
EAN:7890355108598 
I (AC3 400V) (A):40
logis_net_depth:99 mm
logis_net_height:90 mm
logis_net_width:55 mm
Контактор CEM 40.11 400V AC
2 655.82 грн
Опис

Документація


Креслення і Характеристики

Характеристики
EAN
7890355108598 
I (AC3 400V) (A)
40
logis_net_depth
99 mm
logis_net_height
90 mm
logis_net_width
55 mm
P AC3 (kW)
18,5
Артикул
4647134
Вага
0.63 kg
кількість
Кількість додаткових NO контактів
1
Кількість допоміжних NC контактів
1
Кількість допоміжних замикаючих контактів
1
Кількість допоміжних розмикаючих контактів
1
Кількість замикаючих головних контактів
3
Кількість полюсів
3
Категорія
Power contactor, AC switching
Класифікація
EC000066
Модульне виконання
Ні
Назва
CEM40.11-400V-50/60Hz
Номінальна напруга живлення ланцюга управління Us змін. струму АС при 50 Гц з
400…400V
Номінальна напруга живлення ланцюга управління Us змін. струму АС при 60 Гц з
400…400V
Номінальна напруга живлення ланцюга управління Us постійного струму DC
400…400V
Номінальна напруга управління Uc (V AC)
400
Номінальна потужність при AC-3, 400 В
18,5kW
Номінальна робоча напруга (V AC)
690
Номінальний струм (A)
60
Номінальний струм Ie при AC-1, 400 В
60A
Номінальний струм Ie при AC-3, 400 В
40A
Призначення
Контактор
Тариф митниці
85364900 
Тип напруги для спрацьовування
Змінний струм (AC)
Тип приєднання головного електричного ланцюга
Рамкова клема
Транспортувальне пакування
1481 
Ви дивились
Модуль світлодіодний EAHI-240A-R, LED 240V AC (червоний)
Код товару: 4771502
В наявності
215.62 грн
Розетка кабельна (силовий роз'єм) ESH-12553 IP67 (125A, 400V, 3P+N+PE)
Код товару: 4482015
Під замовлення (від 3-х тижнів)
6 370.02 грн
Контактор CEM 18.10 400V AC
Код товару: 4644124
Під замовлення (від 3-х тижнів)
1 151.52 грн
Авт. вимикач EB2 250/4L 200A (25kA, (0.63-1)In/(6-13)In) 4P
Код товару: 4671075
Під замовлення (від 3-х тижнів)
14 210.02 грн
Авт. вимикач EB2 250/4L 250A (25kA, (0.63-1)In/(6-10)In) 4P
Код товару: 4671076
Під замовлення (від 3-х тижнів)
14 210.02 грн
Реле диференційне (ПЗВ) 2р EFI-P2R 40/0,1 тип A (10kA) (RESET)
Код товару: 2061472
Під замовлення (від 3-х тижнів)
2 851.82 грн
Реле диференційне (ПЗВ) 2р EFI-P2 25/0,1 NL тип A (10kA) (полюс N зліва)
Код товару: 2061421
Під замовлення (від 3-х тижнів)
2 033.52 грн
Авт. вимикач EB2 125/3H 50A (65kA, (0.63-1)In/(6-12)In) 3P
Код товару: 4672103
Під замовлення (від 3-х тижнів)
8 379.02 грн
Диф. автоматичний вимикач KZS-2M C 13/0,3 тип AC (10kA)
Код товару: 2173323
Під замовлення (від 3-х тижнів)
1 999.22 грн
Перетворювач частоти CFW700 E 0142, 380V 142_115A/75_55kW
Код товару: 4658247
Під замовлення (від 3-х тижнів)
400 526.02 грн