Ви дивилися
Каталог товарів
Кабінет покупця
+380672339740
Наша адреса
м.Київ, вул. Пластова, 18, каб.205, 2поверх
Телефони
Графік роботи
  • Пн - Пт
  • 09:00 - 18:00
E-mail
Ми в соцмережах
Перейти до контактів
0 0
Каталог
Головна
Дивилися
20
Закладки
0
Порівняти
0
Контакти

Контактор CEM 40.00 230V AC

Виробник: ETI Код товару: 4647103
Все про товар
Опис
Характеристики
В наявності
2 435.32 грн
EAN:17890355108526 
I (AC3 400V) (A):40
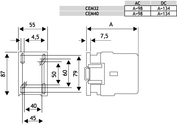
logis_net_depth:99 mm
logis_net_height:90 mm
logis_net_width:55 mm
Контактор CEM 40.00 230V AC
2 435.32 грн
Опис

Документація


Креслення і Характеристики

Характеристики
EAN
17890355108526 
I (AC3 400V) (A)
40
logis_net_depth
99 mm
logis_net_height
90 mm
logis_net_width
55 mm
P AC3 (kW)
18,5
Артикул
4647103
Вага
12.43 kg
кількість
20 
Кількість замикаючих головних контактів
3
Кількість полюсів
3
Категорія
Power contactor, AC switching
Класифікація
EC000066
Модульне виконання
Ні
Назва
CEM40.00-230V-50/60Hz
Номінальна напруга живлення ланцюга управління Us змін. струму АС при 50 Гц з
230…230V
Номінальна напруга живлення ланцюга управління Us змін. струму АС при 60 Гц з
230…230V
Номінальна напруга живлення ланцюга управління Us постійного струму DC
230…230V
Номінальна напруга управління Uc (V AC)
230
Номінальна потужність при AC-3, 400 В
18,5kW
Номінальна робоча напруга (V AC)
690
Номінальний струм (A)
60
Номінальний струм Ie при AC-1, 400 В
60A
Номінальний струм Ie при AC-3, 400 В
40A
Призначення
Контактор
Тариф митниці
85364900 
Тип напруги для спрацьовування
Змінний струм (AC)
Тип приєднання головного електричного ланцюга
Рамкова клема
Транспортувальне пакування
920 
Ви дивились
Диф. автоматичний вимикач KZS-2M B 16/0,01 тип A (10kA)
Код товару: 2173214
Під замовлення (від 3-х тижнів)
2 131.52 грн
Трансформатор напруги TRANSF 1f F 24-0-24V 100VA
Код товару: 3801144
Під замовлення (від 3-х тижнів)
1 960.02 грн
Контактор мініатюрний CEC 09.01-24V DC (9A; 4kW; AC3)
Код товару: 4641103
Під замовлення (від 3-х тижнів)
1 298.52 грн
Реле диференційне (ПЗВ) 2р EFI-P2 63/0,3 NL тип A (10kA) (полюс N зліва)
Код товару: 2061433
Під замовлення (від 3-х тижнів)
2 327.52 грн
Трансформатор напруги TRANSF EURO 1F IP20 12-24V 30VA FP
Код товару: 3801811
Під замовлення (від 3-х тижнів)
2 107.02 грн
Запобіжник NH-3 gPV 400 A 1000 V DC (L/R=1ms, 10kA)
Код товару: 4110457
Під замовлення (від 3-х тижнів)
7 570.52 грн
Електронний блок стану плавкої вставки EFMU KVL-3 3P
Код товару: 1690969
Під замовлення (від 3-х тижнів)
27 881.02 грн
Диф. автоматичний вимикач KZS-2M C 25/0,01 тип A (10kA)
Код товару: 2173236
Під замовлення (від 3-х тижнів)
2 151.12 грн
Контактор модульний RD-R 20-11 24V AC/DC (ручн.керув.)
Код товару: 2464047
Під замовлення (від 3-х тижнів)
1 239.72 грн
Монтажна панель KVR-MP 00 (В765хШ435)
Код товару: 1601630
Під замовлення (від 3-х тижнів)
788.92 грн