Ви дивилися
Каталог товарів
Кабінет покупця
+380672339740
Наша адреса
м.Київ, вул. Пластова, 18, каб.205, 2поверх
Телефони
Графік роботи
  • Пн - Пт
  • 09:00 - 18:00
E-mail
Ми в соцмережах
Перейти до контактів
0 0
Каталог
Головна
Дивилися
20
Закладки
0
Порівняти
0
Контакти

Контактор CEM 32.10 24V AC

Виробник: ETI Код товару: 4646120
Все про товар
Опис
Характеристики
В наявності
2 298.12 грн
EAN:7890355108482 
I (AC3 400V) (A):32
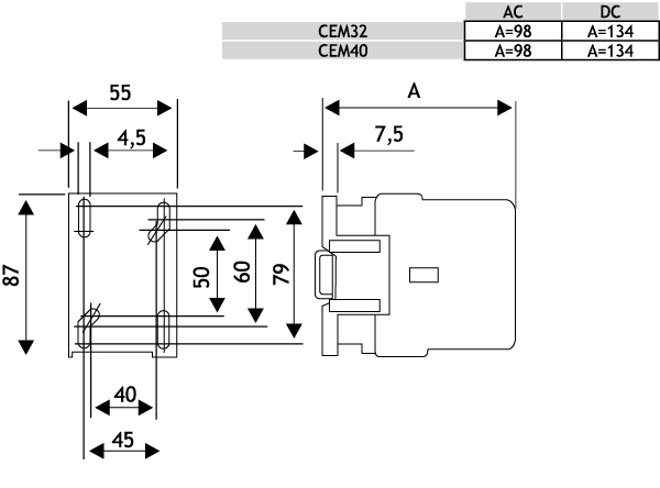
logis_net_depth:99 mm
logis_net_height:90 mm
logis_net_width:55 mm
Контактор CEM 32.10 24V AC
2 298.12 грн
Опис

Документація


Креслення і Характеристики

Характеристики
EAN
7890355108482 
I (AC3 400V) (A)
32
logis_net_depth
99 mm
logis_net_height
90 mm
logis_net_width
55 mm
P AC3 (kW)
15
Артикул
4646120
Вага
0.615 kg
кількість
Кількість додаткових NO контактів
1
Кількість допоміжних замикаючих контактів
1
Кількість замикаючих головних контактів
3
Кількість полюсів
3
Категорія
Power contactor, AC switching
Класифікація
EC000066
Модульне виконання
Ні
Назва
CEM32.10-24V-50/60Hz
Номінальна напруга живлення ланцюга управління Us змін. струму АС при 50 Гц з
24…24V
Номінальна напруга живлення ланцюга управління Us змін. струму АС при 60 Гц з
24…24V
Номінальна напруга живлення ланцюга управління Us постійного струму DC
24…24V
Номінальна напруга управління Uc (V AC)
24
Номінальна потужність при AC-3, 400 В
15kW
Номінальна робоча напруга (V AC)
690
Номінальний струм (A)
60
Номінальний струм Ie при AC-1, 400 В
60A
Номінальний струм Ie при AC-3, 400 В
32A
Призначення
Контактор
Тариф митниці
85364900 
Тип напруги для спрацьовування
Змінний струм (AC)
Тип приєднання головного електричного ланцюга
Рамкова клема
Транспортувальне пакування
1538 
Ви дивились
Контактор модульний R 25-20 24V
Код товару: 2463501
Під замовлення (від 3-х тижнів)
1 078.02 грн
Авт. вимикач EB2 250/3E 125A (70kA, (0.4-1)In/обираєма) 3P
Код товару: 4671302
Під замовлення (від 3-х тижнів)
21 168.02 грн
Шина для заднього підключення RC2S 160/3
Код товару: 4671978
Під замовлення (від 3-х тижнів)
2 401.02 грн
Реле диференційне (ПЗВ) 2р EFI-P2R 80/0,3 тип A (10kA) (RESET)
Код товару: 2061484
Під замовлення (від 3-х тижнів)
3 175.22 грн
Котушка керування BCAE-40 - 24V AC
Код товару: 4641820
В наявності
490.02 грн
Трансформатор напруги TRANSF EURO 1f 0-48V 400VA
Код товару: 3801367
Під замовлення (від 3-х тижнів)
5 831.02 грн
Котушка керування BCAE-40 - 110V AC
Код товару: 4641822
Під замовлення (від 3-х тижнів)
490.02 грн
Контактор модульний R 25-31 24V
Код товару: 2462321
Під замовлення (від 3-х тижнів)
1 127.02 грн
Рукоятка сіро-чорна для монтажа безпосередньо на дверцю шафи FMEE55 IP55
Код товару: 4648036
Під замовлення (від 3-х тижнів)
1 964.92 грн
Шина для заднього підключення RC2 630/3
Код товару: 4671249
Під замовлення (від 3-х тижнів)
4 370.82 грн