Ви дивилися
Каталог товарів
Кабінет покупця
+380672339740
Наша адреса
м.Київ, вул. Пластова, 18, каб.205, 2поверх
Телефони
Графік роботи
  • Пн - Пт
  • 09:00 - 18:00
E-mail
Ми в соцмережах
Перейти до контактів
0 0
Каталог
Головна
Дивилися
20
Закладки
0
Порівняти
0
Контакти

Контактор CEM 32.10 110V AC

Виробник: ETI Код товару: 4646122
Все про товар
Опис
Характеристики
Під замовлення (від 3-х тижнів)
2 298.12 грн
EAN:7890355108512 
I (AC3 400V) (A):32
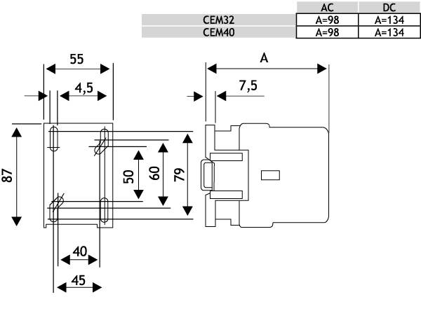
logis_net_depth:99 mm
logis_net_height:90 mm
logis_net_width:55 mm
Контактор CEM 32.10 110V AC
2 298.12 грн
Опис

Документація


Креслення і Характеристики

Характеристики
EAN
7890355108512 
I (AC3 400V) (A)
32
logis_net_depth
99 mm
logis_net_height
90 mm
logis_net_width
55 mm
P AC3 (kW)
15
Артикул
4646122
Вага
0.615 kg
кількість
Кількість додаткових NO контактів
1
Кількість допоміжних замикаючих контактів
1
Кількість замикаючих головних контактів
3
Кількість полюсів
3
Категорія
Power contactor, AC switching
Класифікація
EC000066
Модульне виконання
Ні
Назва
CEM32.10-110V-50/60Hz
Номінальна напруга живлення ланцюга управління Us змін. струму АС при 50 Гц з
110…110V
Номінальна напруга живлення ланцюга управління Us змін. струму АС при 60 Гц з
110…110V
Номінальна напруга живлення ланцюга управління Us постійного струму DC
110…110V
Номінальна напруга управління Uc (V AC)
110
Номінальна потужність при AC-3, 400 В
15kW
Номінальна робоча напруга (V AC)
690
Номінальний струм (A)
60
Номінальний струм Ie при AC-1, 400 В
60A
Номінальний струм Ie при AC-3, 400 В
32A
Призначення
Контактор
Тариф митниці
85364900 
Тип напруги для спрацьовування
Змінний струм (AC)
Тип приєднання головного електричного ланцюга
Рамкова клема
Транспортувальне пакування
1538 
Ви дивились
Реле диференційне (ПЗВ) 4р EFI-P4 63/0,03 тип AC (10kA)
Код товару: 2061613
Під замовлення (від 3-х тижнів)
2 469.62 грн
Авт. вимикач EB2 125/4S 100A (36kA, (0.63-1)In/(6-12)In) 4P
Код товару: 4671051
Під замовлення (від 3-х тижнів)
10 437.02 грн
Котушка керування BCAE-112 - 48V AC
Код товару: 4641841
Під замовлення (від 3-х тижнів)
1 009.42 грн
Роз'єднувач EFD 22 2P LED 100A 690V AC
Код товару: 2570013
Під замовлення (від 3-х тижнів)
1 367.12 грн
Диф. автоматичний вимикач KZS-2M C 32/0,3 тип AC (10kA)
Код товару: 2173327
Під замовлення (від 3-х тижнів)
2 013.92 грн
Розетка настінна (силовий роз'єм) EZ-3243 IP44 (32A, 400V, 3P+PE)
Код товару: 4482038
В наявності
392.02 грн
Фільтр CES-DIC3 (24-250V DC, CES6…32)
Код товару: 4646581
В наявності
347.92 грн
Шина для заднього підключення RC2 400/3
Код товару: 4671247
Під замовлення (від 3-х тижнів)
3 768.12 грн
Диф. автоматичний вимикач KZS-2M C 10/0,01 тип A (10kA)
Код товару: 2173232
Під замовлення (від 3-х тижнів)
2 200.12 грн
Трансформатор напруги TRANSF EURO 1f 0-115V 630VA
Код товару: 3801388
Під замовлення (від 3-х тижнів)
7 301.02 грн