Ви дивилися
Каталог товарів
Кабінет покупця
+380672339740
Наша адреса
м.Київ, вул. Пластова, 18, каб.205, 2поверх
Телефони
Графік роботи
  • Пн - Пт
  • 09:00 - 18:00
E-mail
Ми в соцмережах
Перейти до контактів
0 0
Каталог
Головна
Дивилися
12
Закладки
0
Порівняти
0
Контакти

Контактор CEM 32.00 110V AC

Виробник: ETI Код товару: 4646102
Все про товар
Опис
Характеристики
Під замовлення (від 3-х тижнів)
2 170.72 грн
EAN:7890355108413 
I (AC3 400V) (A):32
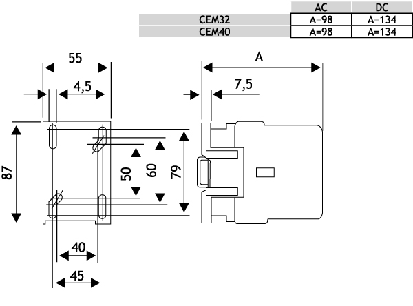
logis_net_depth:99 mm
logis_net_height:90 mm
logis_net_width:55 mm
Контактор CEM 32.00 110V AC
2 170.72 грн
Опис

Документація


Креслення і Характеристики

Характеристики
EAN
7890355108413 
I (AC3 400V) (A)
32
logis_net_depth
99 mm
logis_net_height
90 mm
logis_net_width
55 mm
P AC3 (kW)
15
Артикул
4646102
Вага
0.6 kg
кількість
Кількість замикаючих головних контактів
3
Кількість полюсів
3
Категорія
Power contactor, AC switching
Класифікація
EC000066
Модульне виконання
Ні
Назва
CEM32.00-110V-50/60Hz
Номінальна напруга живлення ланцюга управління Us змін. струму АС при 50 Гц з
110…110V
Номінальна напруга живлення ланцюга управління Us змін. струму АС при 60 Гц з
110…110V
Номінальна напруга живлення ланцюга управління Us постійного струму DC
110…110V
Номінальна напруга управління Uc (V AC)
110
Номінальна потужність при AC-3, 400 В
15kW
Номінальна робоча напруга (V AC)
690
Номінальний струм (A)
60
Номінальний струм Ie при AC-1, 400 В
60A
Номінальний струм Ie при AC-3, 400 В
32A
Призначення
Контактор
Тариф митниці
85364900 
Тип напруги для спрацьовування
Змінний струм (AC)
Тип приєднання головного електричного ланцюга
Рамкова клема
Транспортувальне пакування
1538 
Ви дивились
Роз'єднувач EFD 8 2P LED 20A 400V AC
Код товару: 2520013
Під замовлення (від 3-х тижнів)
842.82 грн
Авт. вимикач NBS-EC 400/3L LCD 400A (36kA, (0.4-1)In/(1.5-12)In) 3P
Код товару: 4673119
Під замовлення (від 3-х тижнів)
22 540.02 грн
Клема гвинтова-живлення дворівнева VS 4 NA + (4 mm2_червона)
Код товару: 3901279
Під замовлення (від 3-х тижнів)
85.77 грн
Рукоятка виносна CLBS-EH125/YR (червона, для CLBS 100-125А)
Код товару: 4661419
В наявності
230.32 грн
Контактор CEM 09.01 42V AC
Код товару: 4642115
Під замовлення (від 3-х тижнів)
965.32 грн
Контактор CEM 32.10 48V AC
Код товару: 4646121
Під замовлення (від 3-х тижнів)
2 298.12 грн
Контактор CES 18.01 (7,5 kW) 400V AC
Код товару: 4646539
Під замовлення (від 3-х тижнів)
1 180.92 грн
Авт. вимикач EB2S 160/4SA 80A (25kA, (0.63-1)In/фікс.) 4P
Код товару: 4671912
Під замовлення (від 3-х тижнів)
9 065.02 грн
Клема гвинтова mini-живлення VS 4 PAM + (4 mm2_червона)
Код товару: 3901444
Під замовлення (від 3-х тижнів)
36.77 грн
Авт. вимикач EB2S 160/4SA 40A (25kA, (0.63-1)In/фікс.) 4P
Код товару: 4671910
Під замовлення (від 3-х тижнів)
8 820.02 грн