Ви дивилися
Каталог товарів
Кабінет покупця
+380672339740
Наша адреса
м.Київ, вул. Пластова, 18, каб.205, 2поверх
Телефони
Графік роботи
  • Пн - Пт
  • 09:00 - 18:00
E-mail
Ми в соцмережах
Перейти до контактів
0 0
Каталог
Головна
Дивилися
20
Закладки
0
Порівняти
0
Контакти

Контактор CEM 25.00 230V AC

Виробник: ETI Код товару: 4645103
Все про товар
Опис
Характеристики
В наявності
1 411.22 грн
EAN:17890355108229 
I (AC3 400V) (A):25
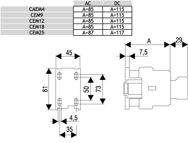
logis_net_depth:88 mm
logis_net_height:81 mm
logis_net_width:45 mm
Контактор CEM 25.00 230V AC
1 411.22 грн
Опис

Документація


Креслення і Характеристики

Характеристики
EAN
17890355108229 
I (AC3 400V) (A)
25
logis_net_depth
88 mm
logis_net_height
81 mm
logis_net_width
45 mm
P AC3 (kW)
11
Артикул
4645103
Вага
7.215 kg
кількість
20 
Кількість замикаючих головних контактів
3
Кількість полюсів
3
Категорія
Power contactor, AC switching
Класифікація
EC000066
Модульне виконання
Ні
Назва
CEM25.00-230V-50/60Hz
Номінальна напруга живлення ланцюга управління Us змін. струму АС при 50 Гц з
230…230V
Номінальна напруга живлення ланцюга управління Us змін. струму АС при 60 Гц з
230…230V
Номінальна напруга живлення ланцюга управління Us постійного струму DC
230…230V
Номінальна напруга управління Uc (V AC)
230
Номінальна потужність при AC-3, 400 В
11kW
Номінальна робоча напруга (V AC)
690
Номінальний струм (A)
45
Номінальний струм Ie при AC-1, 400 В
45A
Номінальний струм Ie при AC-3, 400 В
25A
Призначення
Контактор
Тариф митниці
85364900 
Тип напруги для спрацьовування
Змінний струм (AC)
Тип приєднання головного електричного ланцюга
Рамкова клема
Транспортувальне пакування
1800 
Ви дивились
Котушка керування BCAE-40 - 400V AC
Код товару: 4641824
В наявності
490.02 грн
Клема гвинтова-живлення під тримач VSV 4 PA + (4 mm2_червона)
Код товару: 3901701
Під замовлення (від 3-х тижнів)
49.02 грн
Роз'єднувач EFD 8 3P LED 20A 400V AC
Код товару: 2520014
Під замовлення (від 3-х тижнів)
1 200.52 грн
Авт. вимикач ST-68 3p C 16А (4,5 kA)
Код товару: 2185316
Під замовлення (від 3-х тижнів)
499.81 грн
Реле диференційне (ПЗВ) EFI-P4 B 40/0,03 (10kA)
Код товару: 2061952
Під замовлення (від 3-х тижнів)
10 045.02 грн
Диф. автоматичний вимикач KZS-2M C 16/0,03 тип A (10kA)
Код товару: 2173224
Під замовлення (від 3-х тижнів)
1 994.32 грн
Реле диференційне (ПЗВ) 4р EFI-P4 25/0,5 тип AC (10kA)
Код товару: 2061641
Під замовлення (від 3-х тижнів)
2 126.62 грн
Контактор CES 6.01 (2,2 kW) 24V AC
Код товару: 4646505
Під замовлення (від 3-х тижнів)
607.62 грн
Диф. автоматичний вимикач KZS-2M C 10/0,03 тип A (10kA)
Код товару: 2173222
Під замовлення (від 3-х тижнів)
2 067.82 грн
Авт. вимикач EB2 125/3H 32A (65kA, (0.63-1)In/(6-12)In) 3P
Код товару: 4672102
Під замовлення (від 3-х тижнів)
8 183.02 грн