Ви дивилися
Каталог товарів
Кабінет покупця
+380672339740
Наша адреса
м.Київ, вул. Пластова, 18, каб.205, 2поверх
Телефони
Графік роботи
  • Пн - Пт
  • 09:00 - 18:00
E-mail
Ми в соцмережах
Перейти до контактів
0 0
Каталог
Головна
Дивилися
20
Закладки
0
Порівняти
0
Контакти

Контактор CEM 18.10 230V AC

Виробник: ETI Код товару: 4644123
Все про товар
Опис
Характеристики
В наявності
1 151.52 грн
EAN:17890355108120 
I (AC3 400V) (A):18
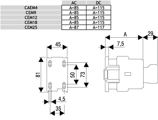
logis_net_depth:86 mm
logis_net_height:81 mm
logis_net_width:45 mm
Контактор CEM 18.10 230V AC
1 151.52 грн
Опис

Документація


Креслення і Характеристики

Характеристики
EAN
17890355108120 
I (AC3 400V) (A)
18
logis_net_depth
86 mm
logis_net_height
81 mm
logis_net_width
45 mm
P AC3 (kW)
7,5
Артикул
4644123
Вага
7.115 kg
кількість
20 
Кількість додаткових NO контактів
1
Кількість допоміжних замикаючих контактів
1
Кількість замикаючих головних контактів
3
Кількість полюсів
3
Категорія
Power contactor, AC switching
Класифікація
EC000066
Модульне виконання
Ні
Назва
CEM18.10-230V-50/60Hz
Номінальна напруга живлення ланцюга управління Us змін. струму АС при 50 Гц з
230…230V
Номінальна напруга живлення ланцюга управління Us змін. струму АС при 60 Гц з
230…230V
Номінальна напруга живлення ланцюга управління Us постійного струму DC
230…230V
Номінальна напруга управління Uc (V AC)
230
Номінальна потужність при AC-3, 400 В
7,5kW
Номінальна робоча напруга (V AC)
690
Номінальний струм (A)
32
Номінальний струм Ie при AC-1, 400 В
32A
Номінальний струм Ie при AC-3, 400 В
18A
Призначення
Контактор
Тариф митниці
85364900 
Тип напруги для спрацьовування
Змінний струм (AC)
Тип приєднання головного електричного ланцюга
Рамкова клема
Транспортувальне пакування
1800 
Ви дивились
Контактор модульний RA 32-40 230V AC
Код товару: 2464076
В наявності
955.52 грн
Реле диференційне (ПЗВ) 4р EFI-P4R 25/0,1 тип A (10kA) (RESET)
Код товару: 2061871
Під замовлення (від 3-х тижнів)
3 498.62 грн
Щит розподільчий на 8 модулів, з/у, 30V
Код товару: GD108N
Під замовлення (від 3-х тижнів)
526.76 грн
З'єднувальна шина LBS-BR 250 1P CO (для LBS 250 CO 3P/4P)
Код товару: 4661591
В наявності
1 122.12 грн
Авт. вимикач EB2S 160/3SF 63A (25kA, фікс./фікс.) 3P
Код товару: 4671833
В наявності
4 052.32 грн
Монтажна панель SB-MP43 (для SB-43)
Код товару: 1102520
Під замовлення (від 3-х тижнів)
666.42 грн
Запобіжник NH-00 TELECOM 80V DC 400A (з ударником)
Код товару: 4110103
Під замовлення (від 3-х тижнів)
2 626.42 грн
Авт. вимикач NBS-E 1600/3S LCD 1250A (50kA, (0.4-1)In/(1.5-12)In) 3P
Код товару: 4673202
Під замовлення (від 3-х тижнів)
76 930.02 грн
Контактор CEM 40.00 110V AC
Код товару: 4647102
Під замовлення (від 3-х тижнів)
2 435.32 грн
Розетка в коробці внутрішньої установки (силовий роз'єм) EZB-3253 IP44 (32A, 400V, 3P+N+PE)
Код товару: 4482101
Під замовлення (від 3-х тижнів)
1 803.22 грн