Ви дивилися
Каталог товарів
Кабінет покупця
+380672339740
Наша адреса
м.Київ, вул. Пластова, 18, каб.205, 2поверх
Телефони
Графік роботи
  • Пн - Пт
  • 09:00 - 18:00
E-mail
Ми в соцмережах
Перейти до контактів
0 0
Каталог
Головна
Дивилися
20
Закладки
0
Порівняти
0
Контакти

Контактор CEM 12.10 24V AC

Виробник: ETI Код товару: 4643120
Все про товар
Опис
Характеристики
В наявності
1 068.22 грн
EAN:7890355108031 
I (AC3 400V) (A):12
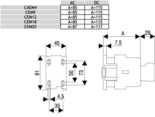
logis_net_depth:86 mm
logis_net_height:81 mm
logis_net_width:45 mm
Контактор CEM 12.10 24V AC
1 068.22 грн
Опис

Документація


Креслення і Характеристики

Характеристики
EAN
7890355108031 
I (AC3 400V) (A)
12
logis_net_depth
86 mm
logis_net_height
81 mm
logis_net_width
45 mm
P AC3 (kW)
5,5
Артикул
4643120
Вага
0.32 kg
кількість
Кількість додаткових NO контактів
1
Кількість допоміжних замикаючих контактів
1
Кількість замикаючих головних контактів
3
Кількість полюсів
3
Категорія
Power contactor, AC switching
Класифікація
EC000066
Модульне виконання
Ні
Назва
CEM12.10-24V-50/60Hz
Номінальна напруга живлення ланцюга управління Us змін. струму АС при 50 Гц з
24…24V
Номінальна напруга живлення ланцюга управління Us змін. струму АС при 60 Гц з
24…24V
Номінальна напруга живлення ланцюга управління Us постійного струму DC
24…24V
Номінальна напруга управління Uc (V AC)
24
Номінальна потужність при AC-3, 400 В
5,5kW
Номінальна робоча напруга (V AC)
690
Номінальний струм (A)
25
Номінальний струм Ie при AC-1, 400 В
25A
Номінальний струм Ie при AC-3, 400 В
12A
Призначення
Контактор
Тариф митниці
85364900 
Тип напруги для спрацьовування
Змінний струм (AC)
Тип приєднання головного електричного ланцюга
Рамкова клема
Транспортувальне пакування
2712 
Ви дивились
Затискач клемний SP KVL00 (1,5-70 mm² Cu) (1 шт.)
Код товару: 1692701
Під замовлення (від 3-х тижнів)
71.07 грн
Розетка вбудована (силовий роз'єм) EEH-16S IP67 (16A, 250V, Schuko)
Код товару: 4482126
В наявності
347.92 грн
Реле диференційне (ПЗВ) 2р EFI-P2 40/0,03 тип AC (10kA)
Код товару: 2061212
В наявності
1 798.32 грн
Вимикач навантаження LBS 4P 3200 ("1-0", 3200А)
Код товару: 4661469
Під замовлення (від 3-х тижнів)
187 670.02 грн
Контактор CEB 14.00 230V AC
Код товару: 2462001
В наявності
1 592.52 грн
Перемикач навантаження LAS COP 4P 25 "1-0-2"
Код товару: 4664205
В наявності
2 650.92 грн
Вимикач навантаження LBS 4P 2500 ("1-0", 2500А)
Код товару: 4661468
Під замовлення (від 3-х тижнів)
142 590.02 грн
Роз'єднувач SL3 1P 630A (Клеми M12-M12, 3 ручки, 690V AC, 185мм)
Код товару: 1692310
Під замовлення (від 3-х тижнів)
11 858.02 грн
Контактор модульний R 20-20 230V
Код товару: 2461210
В наявності
999.62 грн
Розчіплювач мінімальної напруги URMPE-U (400V)
Код товару: 4648028
В наявності
1 033.92 грн