Ви дивилися
Каталог товарів
Кабінет покупця
+380672339740
Наша адреса
м.Київ, вул. Пластова, 18, каб.205, 2поверх
Телефони
Графік роботи
  • Пн - Пт
  • 09:00 - 18:00
E-mail
Ми в соцмережах
Перейти до контактів
0 0
Каталог
Головна
Дивилися
13
Закладки
0
Порівняти
0
Контакти

Контактор CEM 12.01 400V AC

Виробник: ETI Код товару: 4643114
Все про товар
Опис
Характеристики
Під замовлення (від 3-х тижнів)
1 068.22 грн
EAN:7890355108093 
I (AC3 400V) (A):12
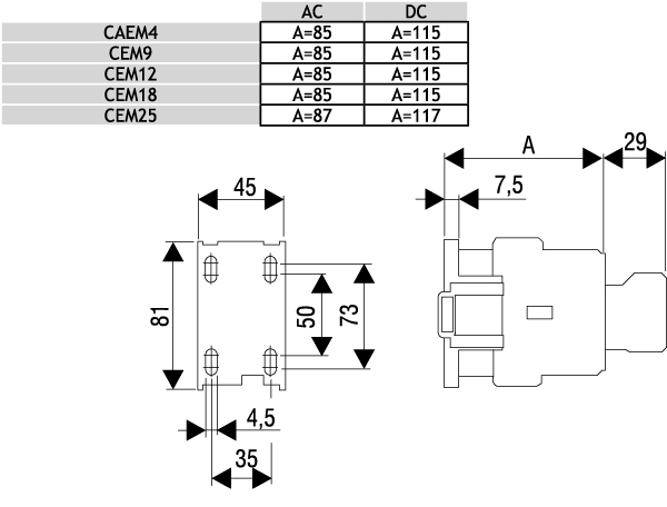
logis_net_depth:86 mm
logis_net_height:81 mm
logis_net_width:45 mm
Контактор CEM 12.01 400V AC
1 068.22 грн
Опис

Документація


Креслення і Характеристики

Характеристики
EAN
7890355108093 
I (AC3 400V) (A)
12
logis_net_depth
86 mm
logis_net_height
81 mm
logis_net_width
45 mm
P AC3 (kW)
5,5
Артикул
4643114
Вага
0.32 kg
кількість
Кількість допоміжних NC контактів
1
Кількість допоміжних розмикаючих контактів
1
Кількість замикаючих головних контактів
3
Кількість полюсів
3
Категорія
Power contactor, AC switching
Класифікація
EC000066
Модульне виконання
Ні
Назва
CEM12.01-400V-50/60Hz
Номінальна напруга живлення ланцюга управління Us змін. струму АС при 50 Гц з
400…400V
Номінальна напруга живлення ланцюга управління Us змін. струму АС при 60 Гц з
400…400V
Номінальна напруга живлення ланцюга управління Us постійного струму DC
400…400V
Номінальна напруга управління Uc (V AC)
400
Номінальна потужність при AC-3, 400 В
5,5kW
Номінальна робоча напруга (V AC)
690
Номінальний струм (A)
25
Номінальний струм Ie при AC-1, 400 В
25A
Номінальний струм Ie при AC-3, 400 В
12A
Призначення
Контактор
Тариф митниці
85364900 
Тип напруги для спрацьовування
Змінний струм (AC)
Тип приєднання головного електричного ланцюга
Рамкова клема
Транспортувальне пакування
2712 
Ви дивились
Реле диференційне (ПЗВ) 4р EFI6-P4 40/0,03 тип AC (6kA)
Код товару: 2061652
В наявності
1 568.02 грн
Реле диференційне (ПЗВ) 2р EFI-P2 63/0,5 тип AC (10kA)
Код товару: 2061243
Під замовлення (від 3-х тижнів)
2 087.42 грн
Реле диференційне (ПЗВ) 2р EFI-P2 63/0,1 NL тип A (10kA) (полюс N зліва)
Код товару: 2061423
Під замовлення (від 3-х тижнів)
2 327.52 грн
Реле диференційне (ПЗВ) 2р EFI-P2R 80/0,5 тип A (10kA) (RESET)
Код товару: 2061494
Під замовлення (від 3-х тижнів)
3 091.92 грн
Трансформатор напруги TRANSF EURO 1f 0-24V 200VA
Код товару: 3801344
Під замовлення (від 3-х тижнів)
3 675.02 грн
Контактор модульний R 25-04 24V
Код товару: 2462351
Під замовлення (від 3-х тижнів)
1 127.02 грн
Роз'єднувач EFD 10 2P LED 32A 690V AC
Код товару: 2540013
Під замовлення (від 3-х тижнів)
842.82 грн
Реле диференційне (ПЗВ) 2р EFI-P2R 16/0,3 тип A (10kA) (RESET)
Код товару: 2061480
Під замовлення (від 3-х тижнів)
2 851.82 грн
Реле диференційне (ПЗВ) EFI-4 B 40/0,3 (10kA)
Код товару: 2061972
Під замовлення (від 3-х тижнів)
11 270.02 грн
Диф. автоматичний вимикач KZS-2M B 6/0,03 тип A (10kA)
Код товару: 2173201
Під замовлення (від 3-х тижнів)
2 058.02 грн